Котел Bosch Tronic 5000 H ErP - инструкция пользователя по применению, эксплуатации и установке на русском языке. Мы надеемся, она поможет вам решить возникшие у вас вопросы при эксплуатации техники.
Если остались вопросы, задайте их в комментариях после инструкции.
"Загружаем инструкцию", означает, что нужно подождать пока файл загрузится и можно будет его читать онлайн. Некоторые инструкции очень большие и время их появления зависит от вашей скорости интернета.

26
|
Електричне з’єднання
UA
6 720 647 615 2011/03
5.3.4
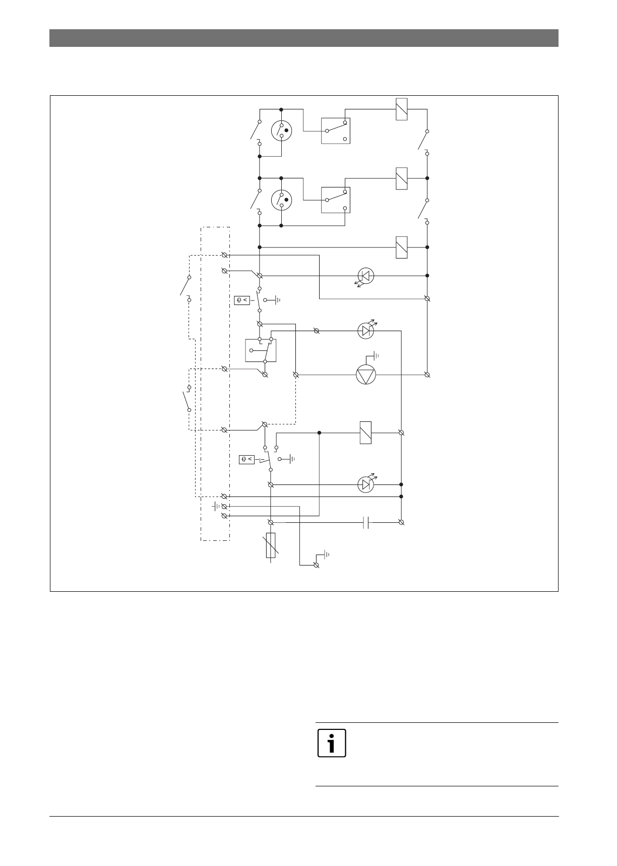
Приклад керуванням з регулюванням вищого рівня
Мал. 16 Приклад керуванням з регулюванням вищого рівня
FU1
Запобіжник ланцюга керування F 4 A/1500
C1
Конденсатор для усунення перешкод
P
Опалювальний насос
E
Міст встановлюється, коли не підключено
регулятор температури приміщення
T1-2
Регулятор температури приміщення
A
Міст встановлюється, коли не підключено
дистанційне керування
N-B4
Дистанційне керування
PT
Регулятор температури приміщення
KT
Регулятор температури опалювального котла
BT
Запобіжний обмежувач температури
STV
Перемикач тиску води
C
Регулятор роботи насоса
SB1
Керування головного вимикача
HDO
Дистанційне керування
HL1
Світловий індикатор «Мережа»
HL2
Світловий індикатор «Робота»
HL3
Світловий індикатор «Збій»
V2-3
Пусковий механізм
SB2-3
Перемикач рівнів потужності
KM1-3
Контактори
K1
Контакт регулювання вищого рівня - рівень 1
K2
Контакт регулювання вищого рівня - рівень 2
K3
Контакт регулювання вищого рівня - рівень 3
K1
HDO
FU1/4AF
L
PE
KM2
V2
V3
KM3
KM2
K3
K2
KM1
HL2
HL3
P
SB1
HL1
C1
N3
4
X1
11
10
A2
A1
A2
A1
A2
1
3
1
3
1
1
C
C
12
B4
X1
S3
T2
T1
N
L1
2
15
C
6
2C
2
1
1
2
3
9
1
4
5
1
2
8
7C
1
NC
NO
14
13
14
13
2
2
2
A1
No
KM3
SB2
SB3
KT
STV
BT
6 720 647 615-40.2ITL
Рівні від K1 до K3 слід вмикати та вимикати
один за одним.
B
Увімкнення: K1
–
K2
–
K3
B
Вимкнення: K3
–
K2
–
K1
Характеристики
Остались вопросы?Не нашли свой ответ в руководстве или возникли другие проблемы? Задайте свой вопрос в форме ниже с подробным описанием вашей ситуации, чтобы другие люди и специалисты смогли дать на него ответ. Если вы знаете как решить проблему другого человека, пожалуйста, подскажите ему :)












