Котел Bosch Tronic 5000 H ErP - инструкция пользователя по применению, эксплуатации и установке на русском языке. Мы надеемся, она поможет вам решить возникшие у вас вопросы при эксплуатации техники.
Если остались вопросы, задайте их в комментариях после инструкции.
"Загружаем инструкцию", означает, что нужно подождать пока файл загрузится и можно будет его читать онлайн. Некоторые инструкции очень большие и время их появления зависит от вашей скорости интернета.

24
|
Електричне з’єднання
UA
6 720 647 615 2011/03
5.3.2
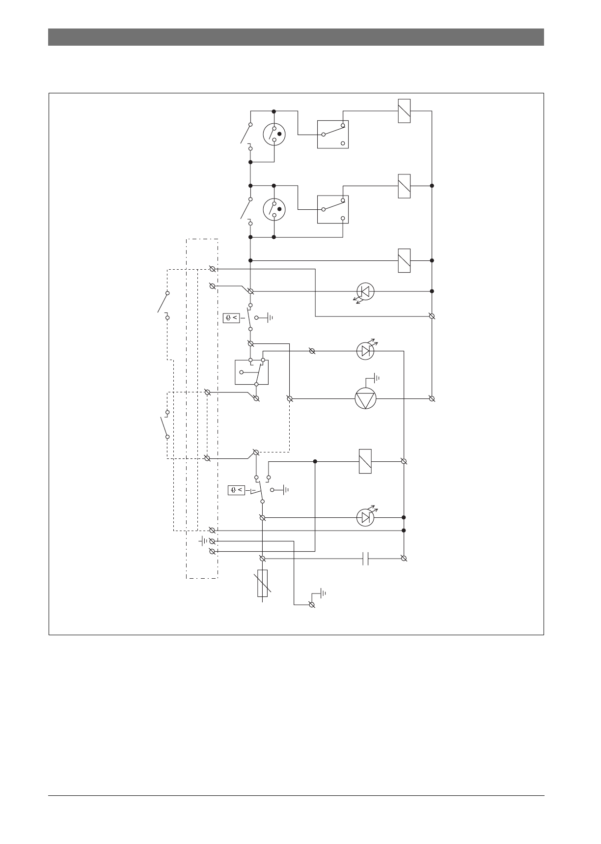
Схема з’єднань котла Tronic 5000 H 10 — 18
Мал. 14 Схема з’єднань котла Tronic 5000 H 10 — 18 (Пояснення позначень
Æ
стор. 22)
X1*
зовнішнє керування (‡ розділ 5.5, стор. 30)
PT
HDO
FU1/4AF
L
PE
KM2
V2
V3
KM3
KM2
KM1
HL2
HL3
P
SB1
HL1
C1
N3
4
X1
11
10
A2
A1
A2
A1
A2
1
3
1
3
1
1
C
C
12
B4
X1*
S3
T2
T1
A
E
N
L1
2
15
C
6
2C
2
1
1
2
3
9
1
4
5
1
2
8
7C
1
NC
NO
14
13
14
13
2
2
2
A1
No
KM3
SB2
SB3
KT
STV
BT
6 720 647 615-05.2ITL
Характеристики
Остались вопросы?Не нашли свой ответ в руководстве или возникли другие проблемы? Задайте свой вопрос в форме ниже с подробным описанием вашей ситуации, чтобы другие люди и специалисты смогли дать на него ответ. Если вы знаете как решить проблему другого человека, пожалуйста, подскажите ему :)












