Котел Baxi POWER HT 230-320 - инструкция пользователя по применению, эксплуатации и установке на русском языке. Мы надеемся, она поможет вам решить возникшие у вас вопросы при эксплуатации техники.
Если остались вопросы, задайте их в комментариях после инструкции.
"Загружаем инструкцию", означает, что нужно подождать пока файл загрузится и можно будет его читать онлайн. Некоторые инструкции очень большие и время их появления зависит от вашей скорости интернета.

Программирование
96
Конденсационный
газовый
котел
Power HT 1.230 - 1.320
358 462 05.10
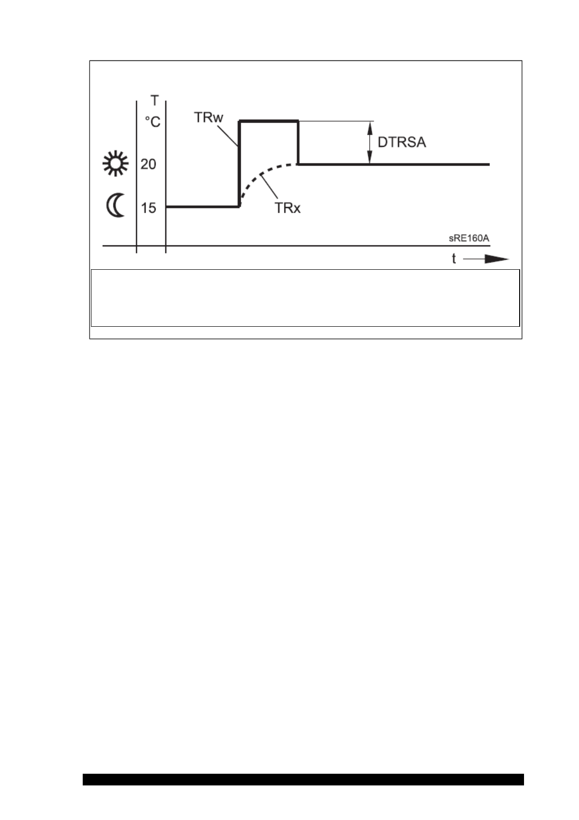
Ускоренное
снижение
(780,1080,1380)
Ускоренное снижение активируется
,
когда температура
помещения переходит с уровня комфорта на другой
оперативный уровень
(
по выбору режим комфорт или
защитный режим
.
Во время ускоренного снижения
выключается насос контура отопления и в смешанных
контурах закрывается клапан смесителя
Во время ускоренного снижения не отправляется никакой
запрос тепла на генератор тепла
.
Ускоренное снижение
возможно с температурным зондом или без него
:
с
температурным зондом режим работы дезактивирует
контур отопления
,
пока температура помещения не
понизится до ограниченной уставки либо же до уставки
защиты от замерзания
.
Когда температура помещения
достигает ограниченной уставки или же уставки защиты от
замерзания насос контура отопления снова запускается в
действие
,
а клапан смесителя разблокируется
.
Без
температурного зонда ускоренное снижение дезактивирует
отопление
на
основании
внешней
температуры
и
постоянной времени
(
прог
.
n°
6110)
до тех пор
,
пока
температура теоретически не понизится до ограниченной
уставки или до уставки защиты от замерзания
Рис
.18
Ускоренное
отопление
TRw
Уставка
комнатной
температуры
TRx
Действительная
величина
температуры
помещения
DTRSA
Повышение
уставки
температуры
помещения
Содержание
- 4 Введение; Power HT
- 6 Безопасность; Power; HT
- 7 DVGW
- 9 Технические; Размеры; модель
- 10 CL
- 11 Электрическая; Легенда; Регуляция
- 12 ATF
- 13 Перед
- 15 Характеристики
- 16 Подача
- 19 Габариты
- 20 Транспортировка
- 22 Примеры
- 23 Меню
- 29 Регулировка
- 32 BRÖTJE
- 33 SAS
- 34 Внимание
- 39 Примечание
- 40 Torx TX 40
- 41 VDE
- 49 Снижение
- 50 ESC
- 51 Программирование
- 54 Таблица
- 55 software
- 58 ° C
- 63 SD
- 71 PWM P1; LPB
- 72 SW
- 73 Off
- 80 Конденсационный; Временная; La
- 81 ‐ Блок управления; комнатное устройство; CRP; Радио; QX
- 86 RGB; RGTF
- 87 Рис; TRx
- 88 TRw
- 90 Увеличение; Xon
- 91 TRK
- 92 Функциональное отопление
- 93 Способ отопления
- 94 Характеристическая кривая; Санитарная горячая вода
- 95 Скользящий
- 96 отсутствие приоритета
- 97 ACS; Бассейн
- 99 PWM
- 102 Reset
- 106 Уровень
- 108 Синхронизация насоса; TKx
- 109 ‐ Лето; Предупреждение
- 110 Полная загрузка
- 112 Использование с зондом
- 113 Push
- 116 «On»
- 117 Выходы; Циркуляционный
- 119 Операционной
- 120 CR
- 125 Система
- 128 PStick
- 129 Проверка
- 132 Off Off
- 134 Состояние
- 136 Автоматическое
- 137 Техническое
- 138 Вид; LMS
- 141 Монтаж
- 143 A DC
- 144 см
- 145 Очистка
- 148 Errore sonda temperatura pannello solare 1
- 149 EEPROM