Котел Baxi POWER HT 230-320 - инструкция пользователя по применению, эксплуатации и установке на русском языке. Мы надеемся, она поможет вам решить возникшие у вас вопросы при эксплуатации техники.
Если остались вопросы, задайте их в комментариях после инструкции.
"Загружаем инструкцию", означает, что нужно подождать пока файл загрузится и можно будет его читать онлайн. Некоторые инструкции очень большие и время их появления зависит от вашей скорости интернета.

11
Конденсационный
газовый
котел
Power HT 1.230 - 1.320
358 462 05.10
Технические
данные
3.3
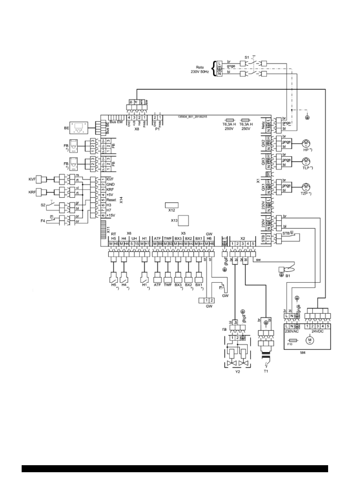
Электрическая
схема
Bl =
синий
Br =
коричневый
Gnge =
зеленый
/
желтый
Or =
оранжевыый
Rs =
розовый
Rt =
красный
Sw =
черный
Ws =
белый
Vi =
фиолетовый
Легенда
:
ATF
Внешний
датчик
QAC 34
В
1
Электрод
ионизации
BE
Блок
управления
Bus BE
Соединение
Bus
для
блока
управления
Bus EM
Соединение
Bus
для
расширительного
модуля
ВХ
1…3
Многофункциональный
вход
датчика
F4
Прессостат
воды
FB
Пульт
управления
*)
H 1,4,5
Многофункциональный
вход
GV
Прессостат
газа
H6
Вход
прессостата
газа
HP
Насос
отопления
KRF
Датчик
котла
на
возврате
QUL 36*)
KVF
Датчик
котла
В
2 QAK 36.670
М
4
Вентилятор
горелки
P1
Вход
управления
PWM
S1
Выключатель
S2
Разблокировка
STB
Термостат
безопасности
температуры
T1
Трансформатор
зажигания
TWF
Датчик
бойлера
QAZ36
TZP
Циркуляционный
насос
*)
X11
Интерфейс
модуля
Bus
X12,13
интерфейсы
службы
Y2
магнитный
газовый
клапан
*)
входят
в
опцию
или
обеспечиваются
на
месте
Регуляция
котла
ISR (LMS 14)
Содержание
- 4 Введение; Power HT
- 6 Безопасность; Power; HT
- 7 DVGW
- 9 Технические; Размеры; модель
- 10 CL
- 11 Электрическая; Легенда; Регуляция
- 12 ATF
- 13 Перед
- 15 Характеристики
- 16 Подача
- 19 Габариты
- 20 Транспортировка
- 22 Примеры
- 23 Меню
- 29 Регулировка
- 32 BRÖTJE
- 33 SAS
- 34 Внимание
- 39 Примечание
- 40 Torx TX 40
- 41 VDE
- 49 Снижение
- 50 ESC
- 51 Программирование
- 54 Таблица
- 55 software
- 58 ° C
- 63 SD
- 71 PWM P1; LPB
- 72 SW
- 73 Off
- 80 Конденсационный; Временная; La
- 81 ‐ Блок управления; комнатное устройство; CRP; Радио; QX
- 86 RGB; RGTF
- 87 Рис; TRx
- 88 TRw
- 90 Увеличение; Xon
- 91 TRK
- 92 Функциональное отопление
- 93 Способ отопления
- 94 Характеристическая кривая; Санитарная горячая вода
- 95 Скользящий
- 96 отсутствие приоритета
- 97 ACS; Бассейн
- 99 PWM
- 102 Reset
- 106 Уровень
- 108 Синхронизация насоса; TKx
- 109 ‐ Лето; Предупреждение
- 110 Полная загрузка
- 112 Использование с зондом
- 113 Push
- 116 «On»
- 117 Выходы; Циркуляционный
- 119 Операционной
- 120 CR
- 125 Система
- 128 PStick
- 129 Проверка
- 132 Off Off
- 134 Состояние
- 136 Автоматическое
- 137 Техническое
- 138 Вид; LMS
- 141 Монтаж
- 143 A DC
- 144 см
- 145 Очистка
- 148 Errore sonda temperatura pannello solare 1
- 149 EEPROM