Котел Baxi POWER HT 230-320 - инструкция пользователя по применению, эксплуатации и установке на русском языке. Мы надеемся, она поможет вам решить возникшие у вас вопросы при эксплуатации техники.
Если остались вопросы, задайте их в комментариях после инструкции.
"Загружаем инструкцию", означает, что нужно подождать пока файл загрузится и можно будет его читать онлайн. Некоторые инструкции очень большие и время их появления зависит от вашей скорости интернета.
Загружаем инструкцию

358 462 05.10
Конденсационный
газовый
котел
Power HT 1.230 - 1.320
22
Перед
установкой
4.9
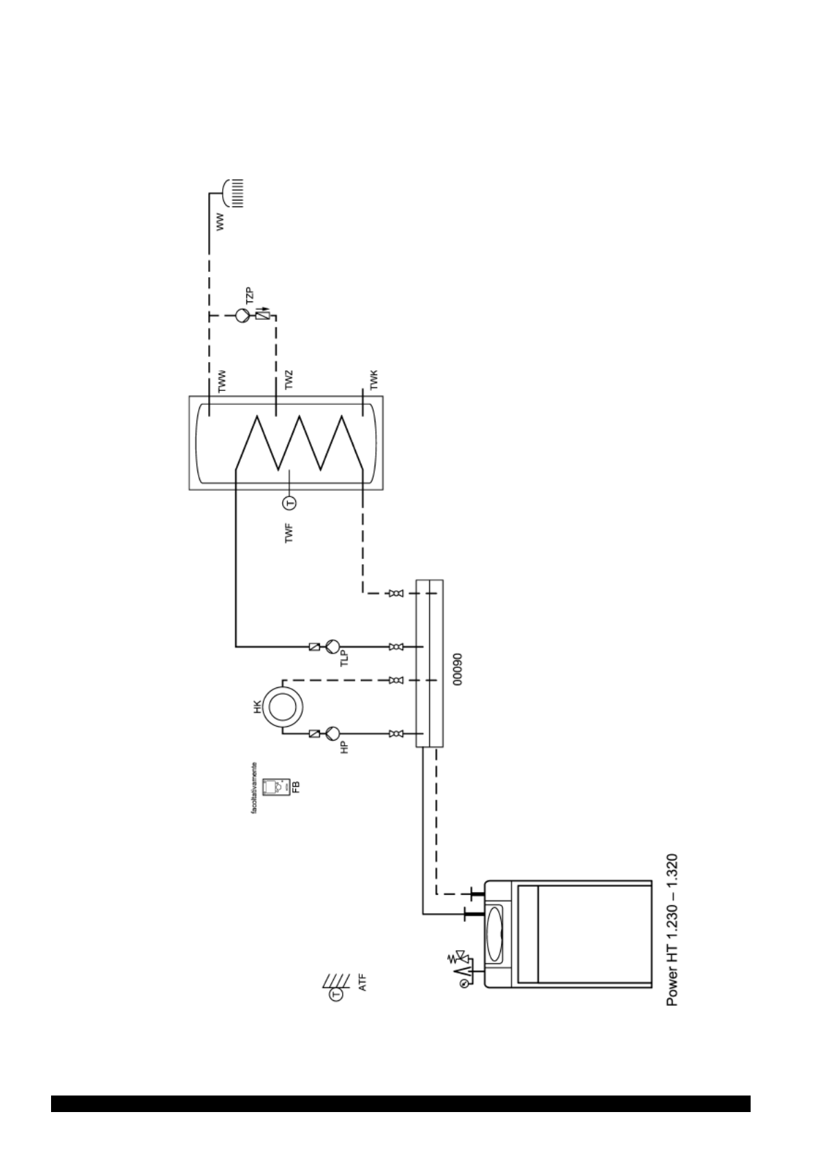
Примеры
применения
Пример
1.
Гидравлическая
схема
Содержание
- 4 Введение; Power HT
- 6 Безопасность; Power; HT
- 7 DVGW
- 9 Технические; Размеры; модель
- 10 CL
- 11 Электрическая; Легенда; Регуляция
- 12 ATF
- 13 Перед
- 15 Характеристики
- 16 Подача
- 19 Габариты
- 20 Транспортировка
- 22 Примеры
- 23 Меню
- 29 Регулировка
- 32 BRÖTJE
- 33 SAS
- 34 Внимание
- 39 Примечание
- 40 Torx TX 40
- 41 VDE
- 49 Снижение
- 50 ESC
- 51 Программирование
- 54 Таблица
- 55 software
- 58 ° C
- 63 SD
- 71 PWM P1; LPB
- 72 SW
- 73 Off
- 80 Конденсационный; Временная; La
- 81 ‐ Блок управления; комнатное устройство; CRP; Радио; QX
- 86 RGB; RGTF
- 87 Рис; TRx
- 88 TRw
- 90 Увеличение; Xon
- 91 TRK
- 92 Функциональное отопление
- 93 Способ отопления
- 94 Характеристическая кривая; Санитарная горячая вода
- 95 Скользящий
- 96 отсутствие приоритета
- 97 ACS; Бассейн
- 99 PWM
- 102 Reset
- 106 Уровень
- 108 Синхронизация насоса; TKx
- 109 ‐ Лето; Предупреждение
- 110 Полная загрузка
- 112 Использование с зондом
- 113 Push
- 116 «On»
- 117 Выходы; Циркуляционный
- 119 Операционной
- 120 CR
- 125 Система
- 128 PStick
- 129 Проверка
- 132 Off Off
- 134 Состояние
- 136 Автоматическое
- 137 Техническое
- 138 Вид; LMS
- 141 Монтаж
- 143 A DC
- 144 см
- 145 Очистка
- 148 Errore sonda temperatura pannello solare 1
- 149 EEPROM