Котел Baxi MAIN 5 - инструкция пользователя по применению, эксплуатации и установке на русском языке. Мы надеемся, она поможет вам решить возникшие у вас вопросы при эксплуатации техники.
Если остались вопросы, задайте их в комментариях после инструкции.
"Загружаем инструкцию", означает, что нужно подождать пока файл загрузится и можно будет его читать онлайн. Некоторые инструкции очень большие и время их появления зависит от вашей скорости интернета.
Загружаем инструкцию

7112716.01 (4-05/13)
S
E
C
T
IO
N
A
M
3
4
1
5
7
9
10
11
12
13
8
15
16
21
2
18
C
G
_
2
3
9
7
17
6
20
14
19
E
B
A
C
D
Содержание
- 3 ОПИСАНИЕ СИМВОЛОВ; Легковоспламеняющийся материал или газ.; МЕРЫ БЕЗОПАСНОСТИ; • Погасить открытое пламя, открыть окно.; БАКСИ
- 4 ОБЩИЕ ПРЕДУПРЕЖДЕНИЯ; создав тем самым опасную ситуацию.; Контур отопления; следовать указаниям инструкций по их применению.; РЕКОМЕНДАЦИИ ПО ЭКОНОМИИ ЭНЕРГИИ; Управление системой отопления
- 5 ВВОД КОТЛА В ЭКСПЛУАТАЦИЮ; Описание СИМВОЛОВ; РЕГУЛИРОВКА ТЕМПЕРАТУРЫ ПОДАЧИ ОТОПЛЕНИЯ И ТЕМПЕРАТУРЫ; РЕЖИМ ОТОПЛЕНИЯ
- 6 НАПОЛНЕНИЕ СИСТЕМЫ; ВЫКЛЮЧЕНИЕ НА ДЛИТЕЛЬНЫЙ ПЕРИОД. ЗАЩИТА ОТ ЗАМЕРЗАНИЯ
- 7 ТАБЛИЦА НЕИСПРАВНОСТЕЙ; ИНСТРУКЦИИ ПО ПЛАНОВОМУ ТЕХОБСЛУЖИВАНИЮ; Специализированным Сервисным Центром.
- 8 ПРЕДУПРЕЖДЕНИЯ ПЕРЕД МОНТАЖОМ; ДОПОЛНИТЕЛЬНЫЙ НАСОС; установленного в котле гидравлического прессостата.; СОЛНЕЧНАЯ СИСТЕМА; Форма шаблона приведена в конце руководства в приложении “; МОНТАЖ ДЫМОХОДА И ВОЗДУХОВОДА; раздельному дымоходу при помощи разделительного комплекта.
- 9 КОАКСИАЛЬНЫЕ ДЫМОХОДЫ; 0° отвод сокращает возможную полную длину трубы на 1 метр.; РАЗДЕЛЬНЫЕ ДЫМОХОДЫ; 0° отвод сокращает возможную полную длину трубы на 0,5 метра.
- 10 ПРИМЕЧАНИЯ ОТНОСИТЕЛЬНО УСТАНОВКИ РАЗДЕЛЬНЫХ ДЫМОХОДОВ/; ЭЛЕКТРИЧЕСКИЕ СОЕДИНЕНИЯ; Доступ к клеммной колодке электропитания; Фаза
- 11 kt; ПОРЯДОК ПЕРЕВОДА КОТЛА НА ДРУГОЙ ТИП ГАЗА; A) Замена форсунок основной горелки
- 12 D) Электронная настройка газового клапана
- 13 E) Заключительные проверки; ЗАМЕНА ГАЗОВОГО КЛАПАНА
- 14 НАСТРОЙКА ПАРАМЕТРОВ; Изменение параметров
- 15 с соответствующим
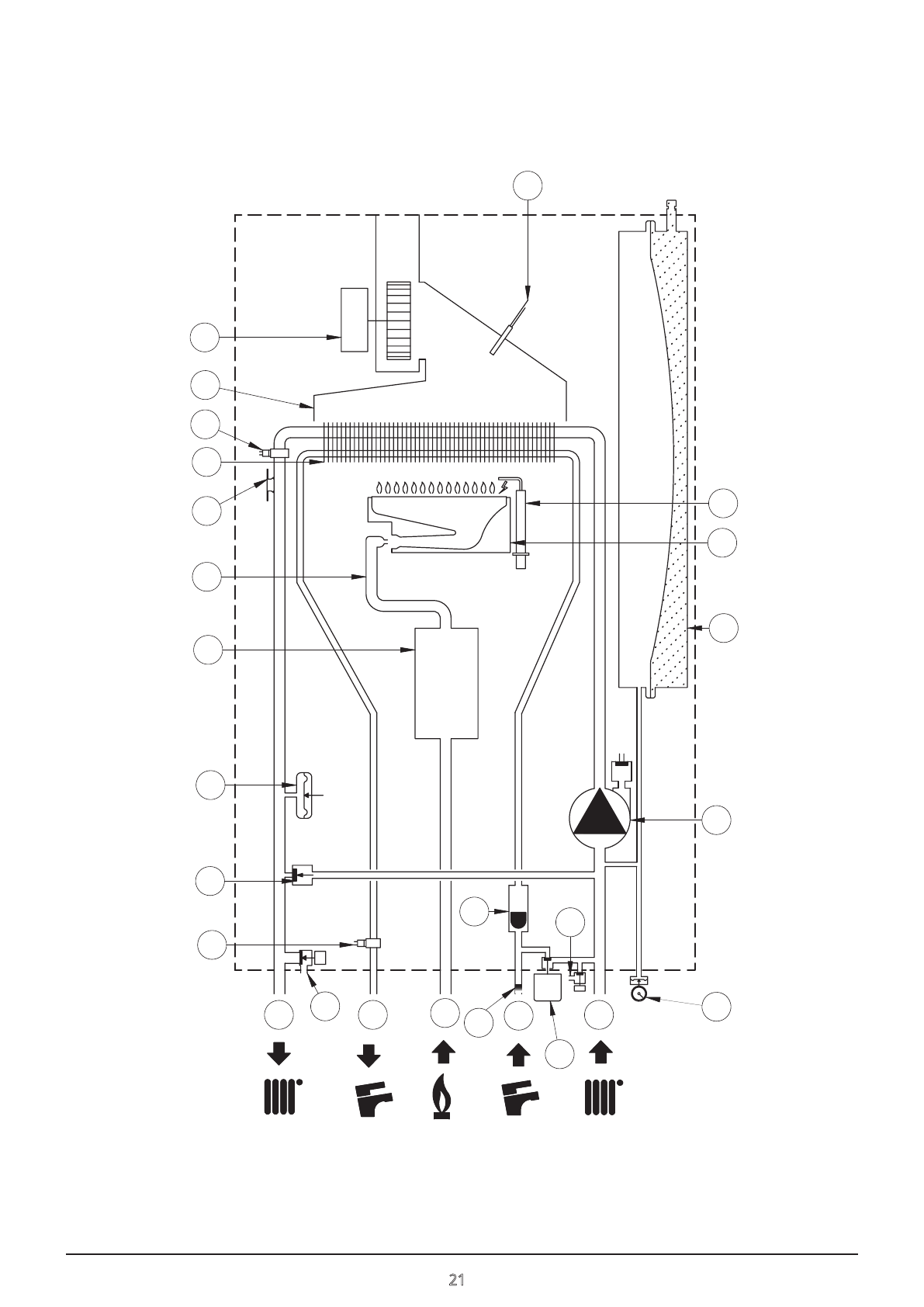
- 18 УСТРОЙСТВА ДЛЯ РЕГУЛИРОВАНИЯ И БЕЗОПАСНОСТИ; ЕЖЕГОДНОЕ ТЕХОБСЛУЖИВАНИЕ
- 19 ПАРАМЕТРЫ ГОРЕНИЯ ГАЗА
- 20 ТЕХНИЧЕСКИЕ ХАРАКТЕРИСТИКИ; II