Кондиционеры Timberk CW1 TIM 600 CT2 - инструкция пользователя по применению, эксплуатации и установке на русском языке. Мы надеемся, она поможет вам решить возникшие у вас вопросы при эксплуатации техники.
Если остались вопросы, задайте их в комментариях после инструкции.
"Загружаем инструкцию", означает, что нужно подождать пока файл загрузится и можно будет его читать онлайн. Некоторые инструкции очень большие и время их появления зависит от вашей скорости интернета.
Загружаем инструкцию

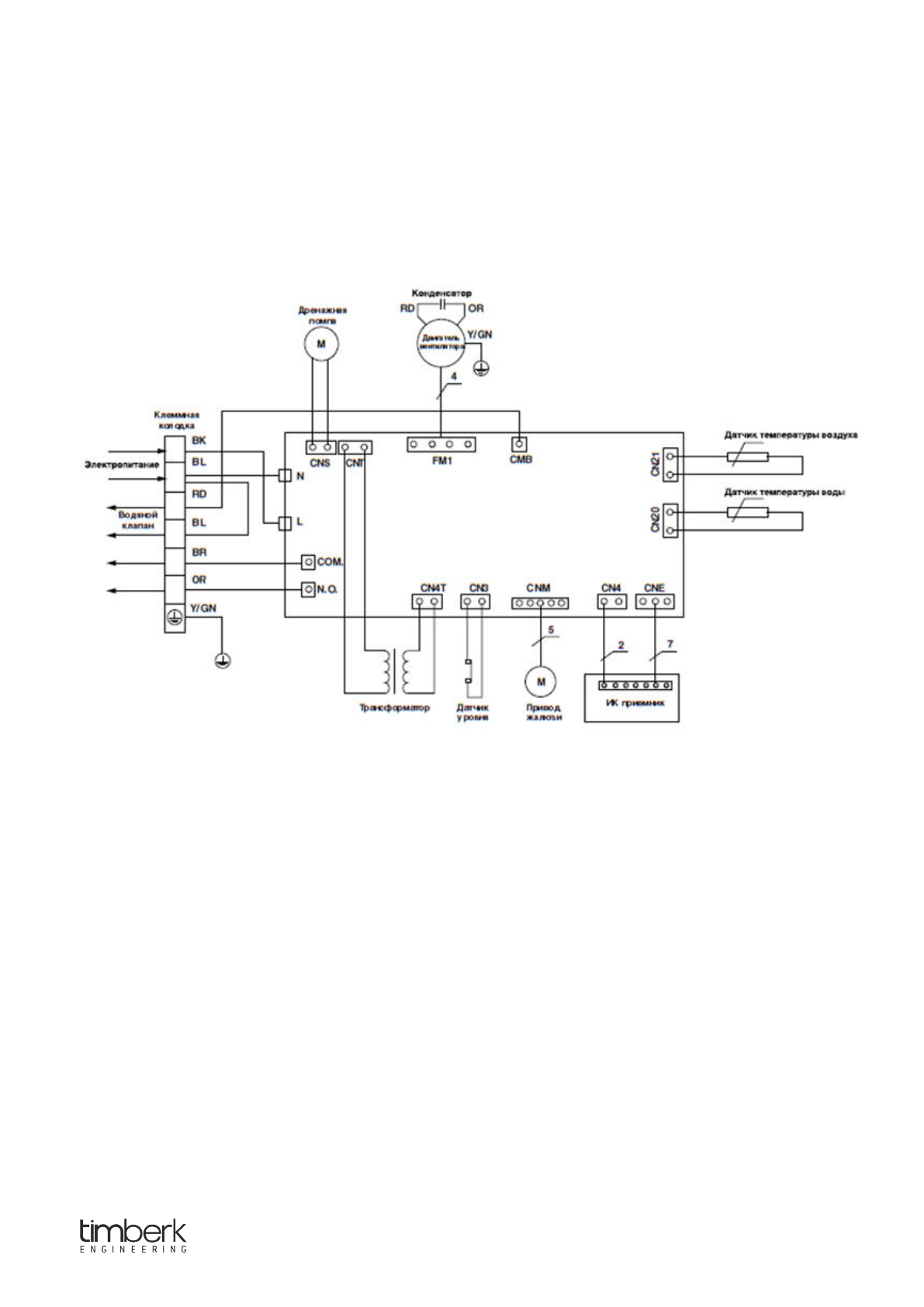
5. Схема подключения
21
CW1 TIM 300 CT2, CW1 TIM 400 CT2, CW1 TIM 500 CT2
Содержание
- 4 Введение
- 6 Обозначение моделей
- 9 Особенности конструкции
- 10 Технические характеристики
- 14 Уровень звукового давления; Схема испытаний шумовых характеристик фанкойла
- 17 Поиск и устранение неисправностей; Выявление неисправностей; Тестирование и индикация неисправностей
- 18 Компактные кассетные фанкойлы
- 19 Особенности конструкции
- 30 Установка основного корпуса
- 31 Установка панели
- 34 Подсоединение дренажного трубопровода.
- 38 Проводной пульт управления