Кондиционеры Timberk CW1 TIM 600 CT2 - инструкция пользователя по применению, эксплуатации и установке на русском языке. Мы надеемся, она поможет вам решить возникшие у вас вопросы при эксплуатации техники.
Если остались вопросы, задайте их в комментариях после инструкции.
"Загружаем инструкцию", означает, что нужно подождать пока файл загрузится и можно будет его читать онлайн. Некоторые инструкции очень большие и время их появления зависит от вашей скорости интернета.
Загружаем инструкцию

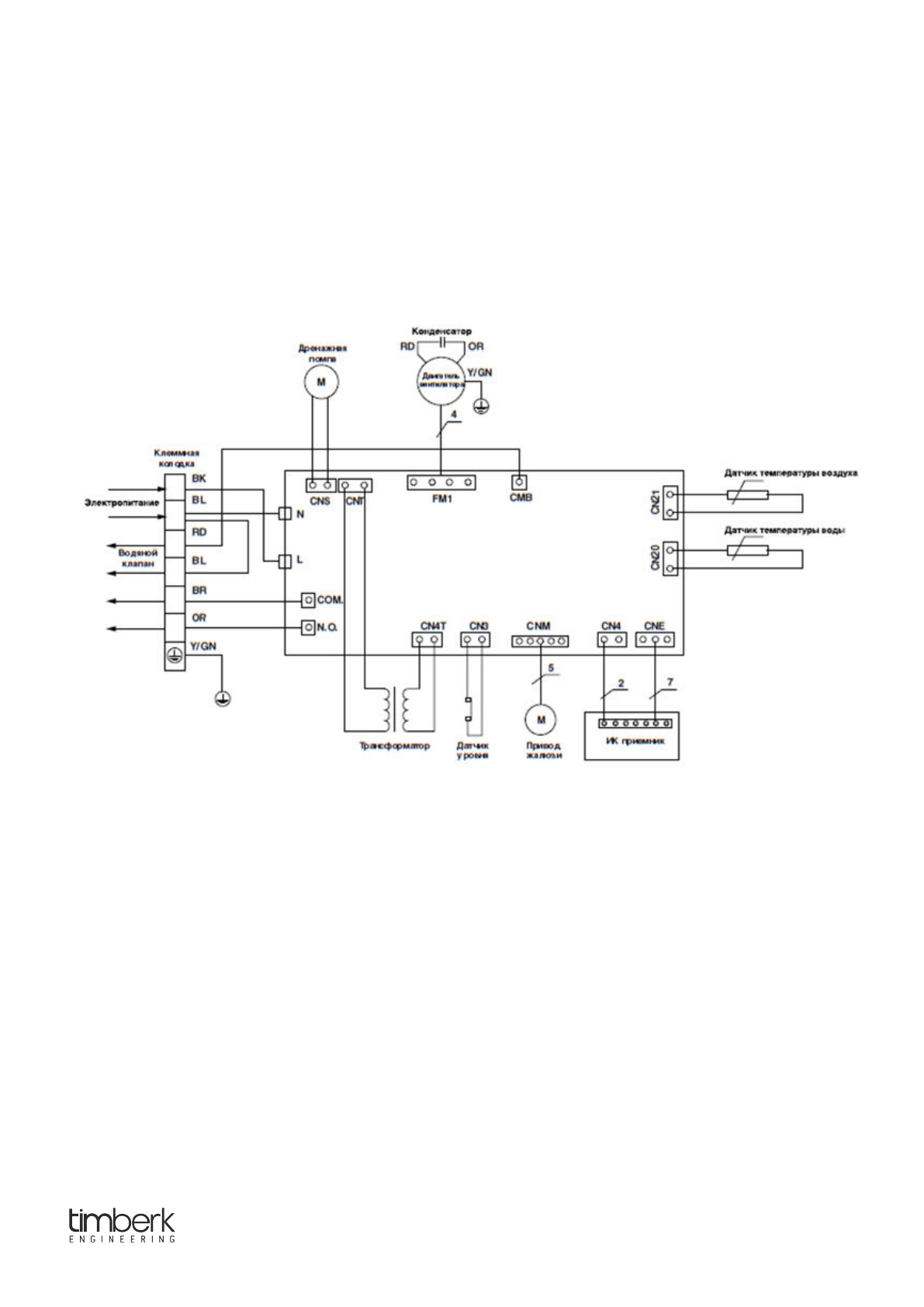
5. Схема подключения
11
CW1 TIM 600 CT2, CW TIM 800 CT2
CW1 TIM 900 CT2, CW TIM 10000 CT2
Содержание
- 4 Введение
- 6 Обозначение моделей
- 9 Особенности конструкции
- 10 Технические характеристики
- 14 Уровень звукового давления; Схема испытаний шумовых характеристик фанкойла
- 17 Поиск и устранение неисправностей; Выявление неисправностей; Тестирование и индикация неисправностей
- 18 Компактные кассетные фанкойлы
- 19 Особенности конструкции
- 30 Установка основного корпуса
- 31 Установка панели
- 34 Подсоединение дренажного трубопровода.
- 38 Проводной пульт управления