Кондиционеры Daikin EWAD-D-XR - инструкция пользователя по применению, эксплуатации и установке на русском языке. Мы надеемся, она поможет вам решить возникшие у вас вопросы при эксплуатации техники.
Если остались вопросы, задайте их в комментариях после инструкции.
"Загружаем инструкцию", означает, что нужно подождать пока файл загрузится и можно будет его читать онлайн. Некоторые инструкции очень большие и время их появления зависит от вашей скорости интернета.

D–EIMAC00204-14EU - 44/152
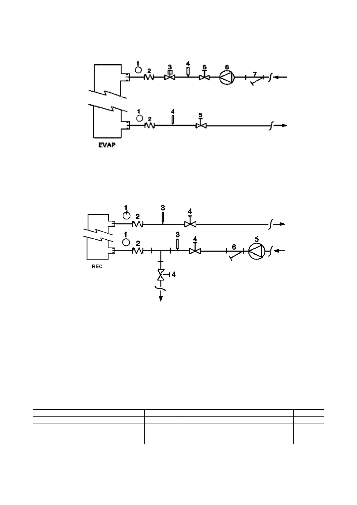
Figura 5 – Conexión de los tubos del agua para el evaporador
1. Manómetro
2. Conector flexible
3. Flujostato
4. Sonda de temperatura
5. Válvula de aislamiento
6. Bomba
7. Filtro
Figura 6 – Conexión de los tubos del agua para los intercambiadores del recuperador de calor
1. Manómetro
2. Conector flexible
3. Sonda de temperatura
4. Válvula de aislamiento
5. Bomba
6. Filtro
Tratamiento del agua
Antes de accionar la unidad, limpie el circuito del agua.
Suciedad, cal, detritos de corrosión y otros materiales pueden
acumularse en el interior del intercambiador de calor,
reduciendo sus capacidades de intercambio térmico. Puede
aumentar también la pérdida de presión, reduciendo el flujo
del agua. Un tratamiento adecuado del agua puede, por lo
tanto, reducir el riesgo de corrosión, erosión, formación de cal,
etc. El tratamiento del agua más apropiado debe establecerse
localmente, en base al tipo de sistema y a las características
del agua.
El fabricante se exime de toda responsabilidad por daños o
mal funcionamiento del equipo provocados por falta de
tratamiento del agua o por un tratamiento inadecuado.
Tabla 1 – Límites de calidad del agua aceptables
pH (25 °C)
6,8
÷
8,0
Dureza total (mg CaCO
3
/ l)
<
200
Conductividad eléctrica
µ
S/cm (25°C)
<
800
Hierro (mg Fe / l)
<
1,0
Ión cloruro (mg Cl
-
/ l)
<
200
Ión sulfuro (mg S
2 -
/ l)
Ninguno
Ión sulfato (mg SO
2
4
-
/ l)
<
200
Ión amonio (mg NH
4
+
/ l)
<
1,0
Alcalinidad (mg CaCO
3
/ l)
<
100
Sílice (mg SiO
2
/ l)
<
50