Кондиционеры Daikin EWAD-D-XR - инструкция пользователя по применению, эксплуатации и установке на русском языке. Мы надеемся, она поможет вам решить возникшие у вас вопросы при эксплуатации техники.
Если остались вопросы, задайте их в комментариях после инструкции.
"Загружаем инструкцию", означает, что нужно подождать пока файл загрузится и можно будет его читать онлайн. Некоторые инструкции очень большие и время их появления зависит от вашей скорости интернета.

D-EIMAC00204-14EU - 37/152
11. Wanneer er glycol aan het hydraulische systeem wordt
toegevoegd als antivriesbescherming, moet men erop
letten dat de aanzuigdruk lager zal zijn, de prestaties van
de
groep
zullen
immers
minder
zijn
en
de
drukschommelingen groter. Alle beschermingssystemen
van de groep zoals de antivries en de bescherming lage
druk moeten opnieuw worden afgesteld.
12. Controleer of er geen lekken zijn vooraleer de
waterleidingen te isoleren.
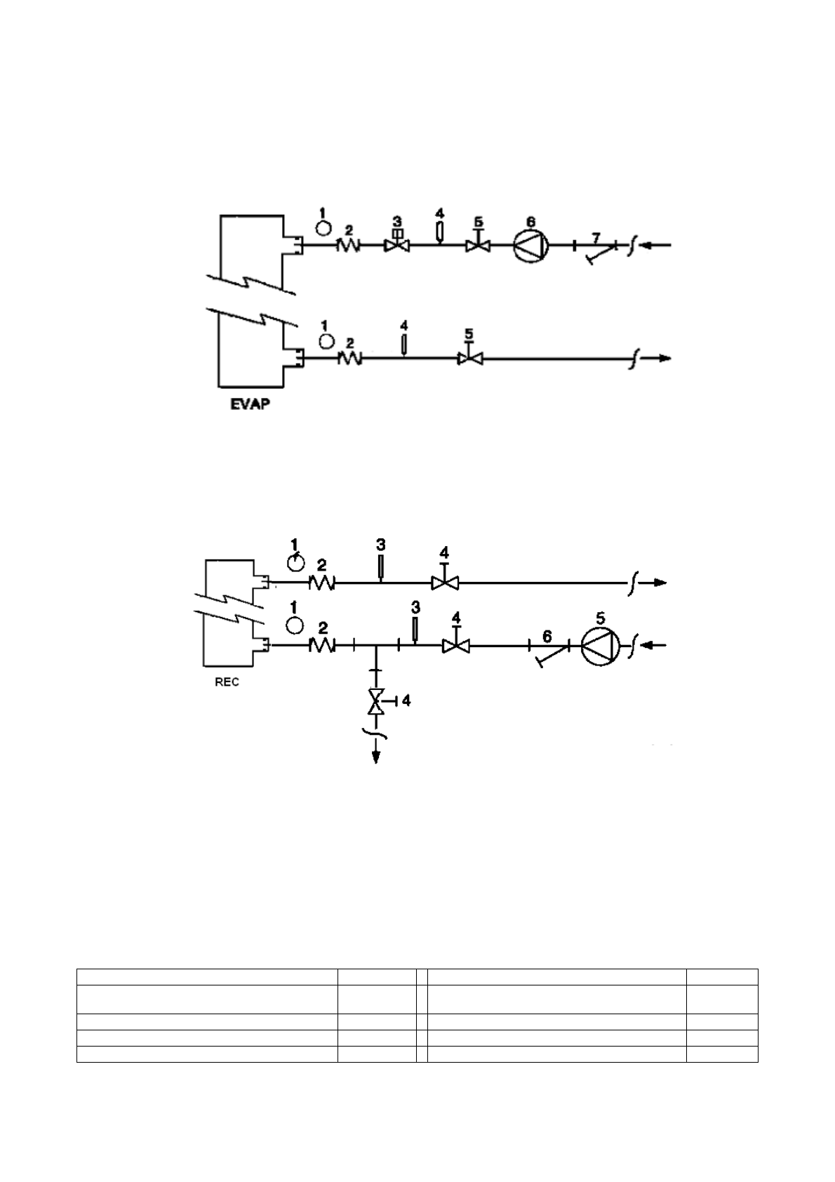
Figuren 5 – Aansluiting van de waterleidingen voor de verdamper
1. Manometer
2. Flexibele connector
3. Debietregelaar
4. Temperatuursonde
5. Afsluitklep
6. Pomp
7. Filter
Figuur 6 - Aansluiting van de waterleidingen voor de warmtewisselaars voor warmterecuperatie
1. Manometer
2. Flexibele connector
3. Temperatuursonde
4. Afsluitklep
5. Pomp
6. Filter
Behandeling van het water
Vooraleer de groep te bedienen moet men het watercircuit
schoonmaken. Vuil, kalk, corrosieaanslag en ander materiaal
kunnen zich in de warmtewisselaar ophopen en op die manier
de capaciteit voor warmte-uitwisseling verminderen. De
drukschommeling kan ook vergroten, waardoor het debiet van
het water vermindert. Een geschikte behandeling van het
water kan daarom het risico op corrosie, aftakeling,
kalkvorming
enz.
verminderen.
De
meest
geschikte
behandeling van het water moet ter plaatse worden bepaald
op basis van het type systeem en de eigenschappen van het
water.
De fabrikant is niet verantwoordelijk voor eventuele schade of
slechte werking van het toestel veroorzaakt door geen of
ongeschikte behandeling van het water.
Tabel 1 – Aanvaardbare kwaliteitslimieten van het water
pH (25°C)
6,8
÷
8,0
Totale hardheid (mg CaCO
3
/ l)
<
200
Elektrisch
geleidingsvermogen
µ
S/cm
(25°C)
<
800
Ijzer (mg Fe / l)
<
1,0
Chloride-ion (mg Cl
-
/ l)
<
200
Zwavelion (mg S
2
/ l)
Geen
Sulfaation (mg SO
2
4
-
/ l)
<
200
Ammoniumion (mg NH
4
+
/ l)
<
1,0
Alkaliciteit (mg CaCO
3
/ l)
<
100
Kiezelzuur (mg SiO
2
/ l)
<
50