Кондиционеры Daikin EWAD-D-XR - инструкция пользователя по применению, эксплуатации и установке на русском языке. Мы надеемся, она поможет вам решить возникшие у вас вопросы при эксплуатации техники.
Если остались вопросы, задайте их в комментариях после инструкции.
"Загружаем инструкцию", означает, что нужно подождать пока файл загрузится и можно будет его читать онлайн. Некоторые инструкции очень большие и время их появления зависит от вашей скорости интернета.

D–EIMAC00204-14EU - 135/152
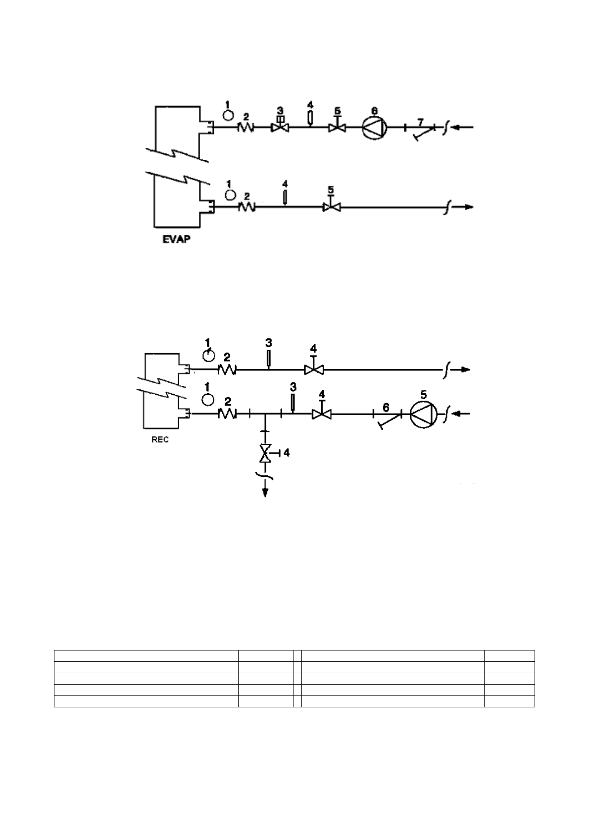
Slika 5 – Vezava vodovodnih cevi za izparilnik
1. Manometer
2. Gibka spojka
3. Preto
č
no stikalo
4. Temperaturna sonda
5. Izolacijski ventil
6.
Č
rpalka
7. Filter
Slika 6 - Vezava vodovodnih cevi za izmenjevalnike rekuperatorja toplote
1. Manometer
2. Gibka spojka
3. Temperaturna sonda
4. Izolacijski ventil
5.
Č
rpalka
6. Filter
Obdelava vode
Pred zagonom
č
rpalke o
č
istite vodovodni sistem. Ne
č
isto
č
a,
vodni kamen, drobci rje in drugi delci se lahko kopi
č
ijo v
izmenjevalniku toplote in tako zmanjšujejo njegovo sposobnost
toplotne izmenjave. Pove
č
a se lahko tudi padec tlaka in
posledi
č
no zmanjša pretok vode. Ustrezna obdelava vode
lahko torej zmanjša tveganje korozije, erozije, tvorjenja
vodnega kamna ipd. Kakšna vrsta obdelave vode je
najprimernejša se dolo
č
i lokalno, glede na vrsto sistema in
lastnosti vode.
Proizvajalec ne odgovarja za morebitne poškodbe ali
nepravilno delovanje naprave, ki bi bili posledica nepravilnega
izvajanja ali neizvajanja postopka obdelave vode.
Preglednica 1 – Sprejemljive mejne vrednosti kakovosti vode
pH (25
℃
)
6,8
÷
8,0
Skupna trdota (mg CaCO
3
/ l)
<
200
Elektri
č
na prevodnost
µ
S/cm (25°C)
<
800
Železo (mg Fe / l)
<
1,0
Kloridov ion (mg Cl
-
/ l)
<
200
Sulfidov ion (mg S
2 -
/ l)
Nobenega
Sulfatov ion (mg SO
2
4
-
/ l)
<
200
Amonijev ion (mg NH
4
+
/ l)
<
1,0
Alkalnost (mg CaCO
3
/ l)
<
100
Silicijev dioksid (mg SiO
2
/ l)
<
50