Кондиционеры Daikin EWAD-D-XR - инструкция пользователя по применению, эксплуатации и установке на русском языке. Мы надеемся, она поможет вам решить возникшие у вас вопросы при эксплуатации техники.
Если остались вопросы, задайте их в комментариях после инструкции.
"Загружаем инструкцию", означает, что нужно подождать пока файл загрузится и можно будет его читать онлайн. Некоторые инструкции очень большие и время их появления зависит от вашей скорости интернета.

D-EIMAC00204-14EU - 16/152
11. In the event that glycol is added to the water system as
anti-freeze protection, pay attention to the fact that suction
pressure will be lower, the unit’s performance will be lower
and water pressure drops will be greater. All unit-protection
systems, such as anti-freeze, and low-pressure protection
will need to be readjusted.
12. Before insulating water piping, check that there are no
leaks.
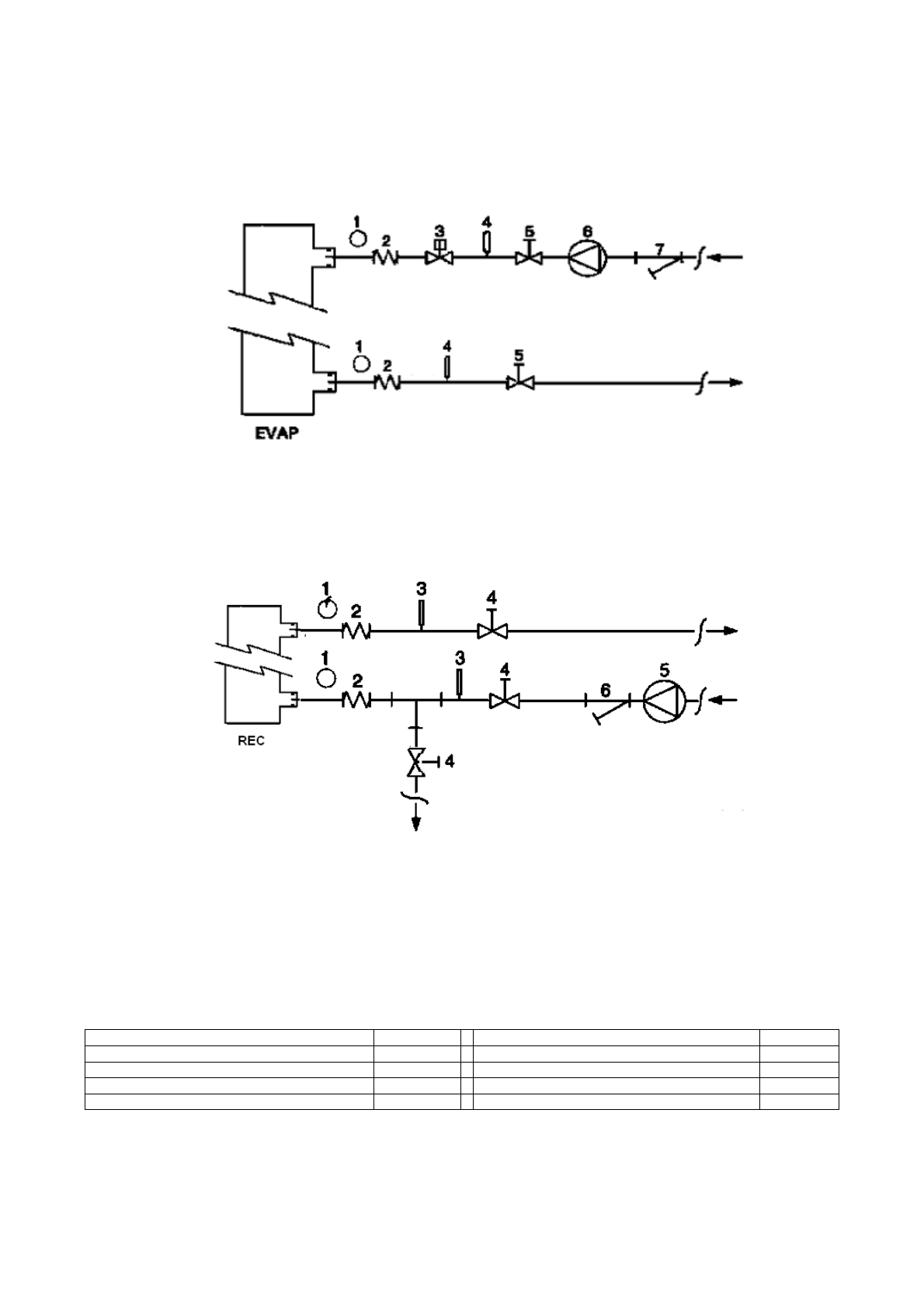
Figure 5 - Water piping connection for evaporator
1.
Pressure Gauge
2.
Flexible connector
3.
Flow switch
4.
Temperature probe
5.
Isolation Valve
6.
Pump
7.
Filter
Figure 6 - Water piping connection for heat recovery exchangers
1.
Pressure Gauge
2.
Flexible connector
3.
Temperature probe
4.
Isolation Valve
5.
Pump
6.
Filter
Water treatment
Before putting the unit into operation, clean the water circuit.
Dirt, scales, corrosion debrits and other other material can
accumulate inside the heat exchanger and reduce its heat
exchanging capacity. Pressure drop can increase as well, thus
reducing water flow. Proper water treatment therefore reduces
the risk of corrosion, erosion, scaling, etc. The most
appropriate water treatment must be determined locally,
according to the type of system and water characteristics.
The manufacturer is not responsible for damage to or
malfunctioning of equipment caused by failure to treat water or
by improperly treated water.
Table 1 - Acceptable water quality limits
pH (25°C)
6,8
÷
8,0
Total Hardness (mg CaCO
3
/ l)
<
200
Electrical conductivity
µ
S/cm (25°C)
<
800
Iron (mg Fe / l)
<
1.0
Chloride ion (mg Cl
-
/ l)
<
200
Sulphide ion (mg S
2 -
/ l)
None
Sulphate ion (mg SO
2
4
-
/ l)
<
200
Ammonium ion (mg NH
4
+
/ l)
<
1.0
Alkalinity (mg CaCO
3
/ l)
<
100
Silica (mg SiO
2
/ l)
<
50