Кондиционеры Daikin EWAD-D-XR - инструкция пользователя по применению, эксплуатации и установке на русском языке. Мы надеемся, она поможет вам решить возникшие у вас вопросы при эксплуатации техники.
Если остались вопросы, задайте их в комментариях после инструкции.
"Загружаем инструкцию", означает, что нужно подождать пока файл загрузится и можно будет его читать онлайн. Некоторые инструкции очень большие и время их появления зависит от вашей скорости интернета.

D–EIMAC00204-14EU - 107/152
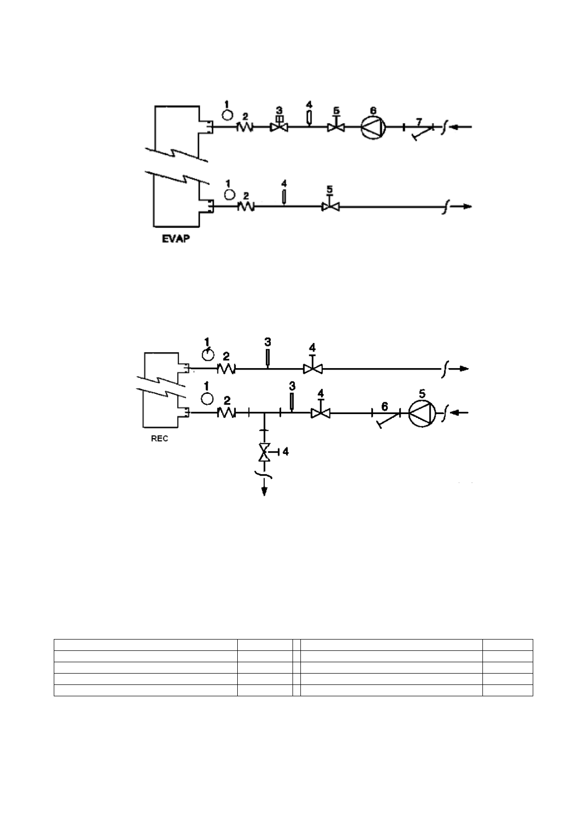
Obrázek 5 – Zapojení vodních trubek k evaporátoru
1. Manometr
2. Flexibilní konektor
3. Pr
ů
tokom
ě
r
4. Tepelná sonda
5. Izola
č
ní ventil
6.
Č
erpadlo
7. Filtr
Obrázek 6 - Zapojení vodních trubek k vým
ě
ník
ů
m rekuperace tepla
1. Manometr
2. Flexibilní konektor
3. Tepelná sonda
4. Izola
č
ní ventil
5.
Č
erpadlo
6. Filtr
Úprava vody
P
ř
ed spušt
ě
ním za
ř
ízení vy
č
ist
ě
te vodní obvod. Ne
č
istota,
vápník, usazeniny koroze anebo jiného materiálu se m
ů
žou
hromadit uvnit
ř
tepelného vým
ě
níku a snížit tak jeho kapacitu
tepelné vým
ě
ny. M
ů
že dojít i k poklesu tlaku, ke snížení
pr
ů
toku vody. Vhodná úprava vody m
ů
že tedy snížit riziko
koroze, eroze, formování vápníku atd. Odpovídající a
nejvhodn
ě
jší úprava se ur
č
í p
ř
ímo na míst
ě
podle typu
systému a vlastností vody.
Výrobce neodpovídá za eventuální škody anebo špatné
fungování za
ř
ízení v d
ů
sledku chyb
ě
jící anebo nevhodné
úpravy vody.
Tabulka 1 – Akceptovatelné limity kvality vody
pH (25°C)
6,8
÷
8,0
Celková tvrdost (mg CaCO
3
/ l)
<
200
Elektrická vodivost
µ
S/cm (25°C)
<
800
Železo (mg Fe / l)
<
1,0
Chloridové iony (mg Cl
-
/ l)
<
200
Sulfidové iony (mg S
2 -
/ l)
Žádný
Sulfátové iony (mg SO
2
4
-
/ l)
<
200
Amonné iony (mg NH
4
+
/ l)
<
1,0
Zásaditost (mg CaCO
3
/ l)
<
100
Oxid k
ř
emi
č
itý (mg SiO
2
/ l)
<
50