Компрессоры Бежецк АСО С-416М 3391 - инструкция пользователя по применению, эксплуатации и установке на русском языке. Мы надеемся, она поможет вам решить возникшие у вас вопросы при эксплуатации техники.
Если остались вопросы, задайте их в комментариях после инструкции.
"Загружаем инструкцию", означает, что нужно подождать пока файл загрузится и можно будет его читать онлайн. Некоторые инструкции очень большие и время их появления зависит от вашей скорости интернета.

3.
СОСТАВ
ИЗДЕЛИЯ
И
КОМПЛЕКТ
ПОСТАВКИ
В
состав
изделия
(
рис
.1
и
2)
входят
:
головка
компрессорная
1,
воздухо
-
сборник
(
ресивер
) 3,
двигатель
4,
приводные
ремни
5,
ограждение
2,
трубо
-
провод
нагнетательный
6.
3.1.
Комплектность
поставки
на
компрессоры
приведена
в
таблице
2.
Таблица
2
Наименование
С
415
М
С
416
М
3.1.1.
Компрессор
,
шт
.
3.1.2.
Паспорт
С
415
М
.00.00.000
ПС
,
С
416
М
.00.00.000
ПС
экз
.
3.1.3.
Паспорт
сосуда
работающего
под
давлением
,
экз
.
3.1.4.
Паспорт
электродвигателя
,
экз
.
3.1.5.
Комплектующие
изделия
:
магнитный
пускатель
3.1.6.
Запасные
части
:
Пластина
клапанная
С
415
М
.01.00.807,
шт
.
Пластина
клапанная
С
415
М
.01.00.811,
шт
.
3.1.7.
Фильтроэлемент
воздушного
фильтра
ФВК
-001
1
1
1
(
емкостью
230
л
)
1
1
4
6
1
1
1
1
(
емкостью
430
л
)
1
1
8
12
2
3.2.
Упаковочный
лист
и
товаросопроводительная
документация
поставля
-
ется
совместно
с
компрессором
.
4.
УСТРОЙСТВО
И
ПРИНЦИП
РАБОТЫ
4.1.
Устройство
.
Головка
компрессорная
и
двигатель
устанавливаются
на
ресивере
.
Передача
от
двигателя
на
коленчатый
вал
компрессора
осуществляетсядвумя
клиновыми
ремнями
В
(
Б
) 1800
для
компрессора
С
415
М
и
тремя
В
(
Б
) 1900
для
компрес
-
сора
С
416
М
.
Натяжение
ремней
производится
перемещением
двигателя
по
плите
с
помощью
регулировочных
болтов
.
Передача
имеет
сетчатое
огражде
-
ние
.
Сжатый
воздух
от
головки
компрессора
к
ресиверу
подается
по
нагнета
-
тельному
трубопроводу
.
4.1.1.
Головка
компрессорная
(
рис
. 3
и
4)
состоит
из
следующих
основных
частей
.
Картер
компрессора
(
рис
. 5)
изготовлен
литьем
из
серого
чугуна
.
В
рас
-
точках
торцевых
стенок
картера
установлены
корпус
подшипника
1
и
под
-
шипники
2
и
6
коленчатого
вала
5.
Окна
в
боковых
стенках
закрыты
крышками
через
уплотнительную
про
-
кладку
;
крепежные
болты
установлены
на
герметик
.
На
верхней
плоскости
картерачерез
уплотнительную
прокладку
крепитсяблок
цилиндров
2 (
рис
. 3,4)
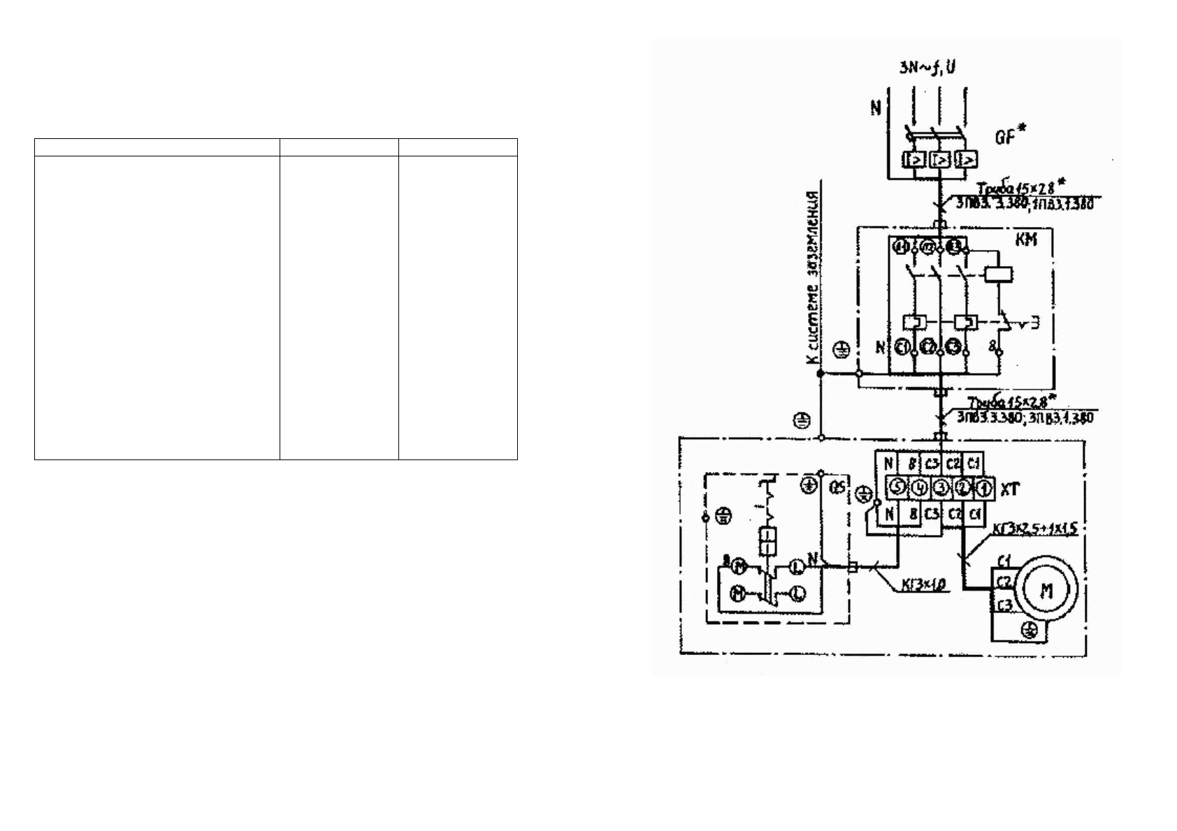
2
Рис
.17.
Схема
электрическая
принципиальная
и
соединений
компрессора
,
модель
С
416
М
47
Содержание
- 3 НАЗНАЧЕНИЕ
- 4 УСТРОЙСТВО
- 8 QF
- 10 DR
- 12 Рис











