Компрессоры Бежецк АСО С-416М 3391 - инструкция пользователя по применению, эксплуатации и установке на русском языке. Мы надеемся, она поможет вам решить возникшие у вас вопросы при эксплуатации техники.
Если остались вопросы, задайте их в комментариях после инструкции.
"Загружаем инструкцию", означает, что нужно подождать пока файл загрузится и можно будет его читать онлайн. Некоторые инструкции очень большие и время их появления зависит от вашей скорости интернета.

-
проверка
шатунов
на
наличие
усталостных
трещин
;
-
замена
вкладышей
в
шатунах
;
-
контрольный
осмотр
шатунного
болта
и
проверка
прилегания
опорных
плоскостей
;
-
замена
сальниковых
уплотнений
;
-
замена
прокладок
;
-
ревизия
состояния
предохранительных
клапанов
;
-
промывка
холодильника
.
9.4.
Капитальный
ремонт
производится
по
результатам
ревизии
,
выявив
-
шей
невозможность
дальнейшей
эксплуатации
компрессора
,
то
есть
наступле
-
ние
предельного
состояния
блока
цилиндров
.
Предельным
состоянием
блока
цилиндров
являются
такие
размеры
отверстий
под
поршни
,
при
которых
ком
-
прессор
не
обеспечивает
соответствие
параметров
технической
характеристи
-
ки
,
при
условии
замены
деталей
поршневой
группы
новыми
,
и
ремонт
являет
-
ся
нецелесообразным
.
Ресурс
до
капитального
ремонта
12500
часов
.
При
капитальном
ремонте
производится
полная
разборка
компрессорной
головки
,
ремонт
базовых
деталей
,
замена
и
восстановление
изношенных
дета
-
лей
и
узлов
с
целью
возвращения
первоначальных
параметров
,
предусмотрен
-
ных
технической
характеристикой
компрессора
.
В
объём
капитального
ремонта
входят
:
-
работы
,
выполняемые
при
текущем
и
среднем
ремонтах
;
-
замена
всех
износившихся
деталей
и
узлов
или
исправление
их
с
восста
-
новлением
размеров
,
посадок
и
требуемых
зазоров
в
сопряжениях
деталей
,
указанных
в
таблице
5.
Таблица
5.
Сопряжение
Оптимальный
зазор
,
мм
Предельный
зазор
,
мм
Цилиндр
-
поршень
:
низкого
давления
высокого
давления
Поршневой
палец
-
отверстие
в
бо
-
бышке
поршня
:
низкого
давления
высокого
давления
Компрессионное
кольцо
-
канавка
поршня
:
низкого
давления
высокого
давления
Стык
поршневого
кольца
:
низкого
давления
высокого
давления
Шейка
коленчатого
вала
-
вкладыш
Втулка
шатуна
-
поршневой
палец
0,06…0,120
0,03…0,09
-0,005…+0,015
-0,020…+0,010
0,045…0,082
0,035…0,080
0,2…0,4
0,2…0,5
0,015…0,053
0,007…0,038
0,4
0,35
0,03
0,03
0,2
0,2
1,0
1,0
0,25
0,08
16
33
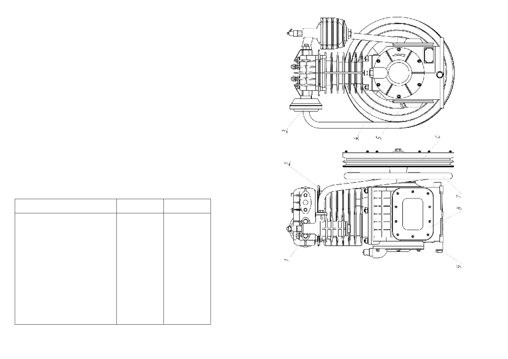
Рис
. 3.
Г
ол
ов
ка
к
ом
п
рес
сор
н
ая
,
м
од
ель
С
415
М
1
-
ко
лле
кт
ор
цил
ин
дра
ни
зк
ого
да
влен
ия
; 2
-
бл
ок
ци
лин
др
ов
; 3
-
ф
иль
тр
во
зд
уш
ный
; 4
-
кар
тер
; 5
-
щ
уп
;
6
-
м
ах
ов
ик
-
ве
нт
ил
ят
ор
; 7
-
холо
ди
льн
ик
; 8
-
кры
ш
ка
бо
ко
вая
; 9
-
пр
об
ка
сл
ив
ная
.












