EuroPower EPS12000E 950001211 - Инструкция по эксплуатации

EuroPower EPS12000E 950001211

Генератор EuroPower EPS12000E 950001211 - инструкция пользователя по применению, эксплуатации и установке на русском языке. Мы надеемся, она поможет вам решить возникшие у вас вопросы при эксплуатации техники.

Если остались дополнительные вопросы — свяжитесь с нами через контактную форму.

1 Страница 1
2 Страница 2
3 Страница 3
4 Страница 4
5 Страница 5
6 Страница 6
7 Страница 7
8 Страница 8
9 Страница 9
10 Страница 10
11 Страница 11
12 Страница 12
13 Страница 13
14 Страница 14
15 Страница 15
16 Страница 16
17 Страница 17
18 Страница 18
19 Страница 19
20 Страница 20
21 Страница 21
22 Страница 22
Страница: / 22
Загрузка инструкции

EUROPOWER

РУКОВОДСТВО

ДЛЯ

ПОЛЬЗОВАТЕЛЯ

www.EUROPOWERGenerators.com

EPS10000E H/MA - EPS12000TE H/MA – EPS12000E H/S – EPS15000TE H/S

Стр

.1/13

Datum: 18/01/2011 Rev.: 03 Uitv: TU Goedkeurder: YH Ref: EPS10000E+12000TE+12000E+15000TE100111rev03-RU


EPS10000E

EPS10000E

EPS10000E

EPS10000E----EPS12000TE

EPS12000TE

EPS12000TE

EPS12000TE----EPS12000E

EPS12000E

EPS12000E

EPS12000E----EPS15000TE

EPS15000TE

EPS15000TE

EPS15000TE


Содержание

:


0.

ВВЕДЕНИЕ

1.

МЕРЫ

БЕЗОПАСНОСТИ

2.

ИДЕНТИФИКАЦИОННАЯ

ТАБЛИЧКА

,

ЭТИКЕТКА

«

ЗВУКОВАЯ

МОЩНОСТЬ

»

И

ПИКТОГРАММЫ

3.

КРАТКОЕ

ОПИСАНИЕ

ЭЛЕКТРОАГРЕГАТОВ

4.

ОПИСАНИЕ

ПАНЕЛИ

КОНТРОЛЯ

И

УПРАВЛЕНИЯ

5.

ПОЛЬЗОВАНИЕ

ЭЛЕКТРОАГРЕГАТОМ

6.

ВСТРОЙКА

АГРЕГАТА

7.

ПЕРЕЧЕНЬ

ДЕТАЛЕЙ

8.

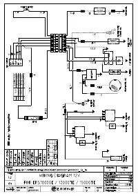
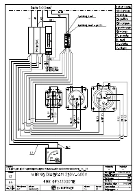
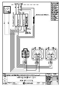
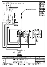
ЭЛЕКТРИЧЕСКИЕ

СХЕМЫ

9.

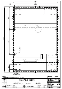
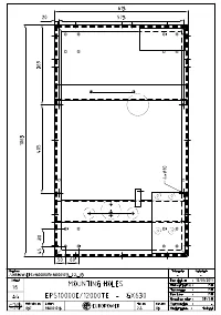
ГАБАРИТНЫЕ

РАЗМЕРЫ

10.

УХОД

ЗА

АГРЕГАТОМ

11.

ПЕРЕВОЗКА

И

ХРАНЕНИЕ







ПЕРЕВОД

ОРИГИНАЛЬНОГО

«

РУКОВОДСТВА

ДЛЯ

ПОЛЬЗОВАТЕЛЯ

»

"Загрузка инструкции" означает, что нужно подождать пока файл загрузится и можно будет его читать онлайн. Некоторые инструкции очень большие и время их появления зависит от вашей скорости интернета.

Характеристики

Другие модели - Генераторы EuroPower

Все генераторы EuroPower