EuroPower EPS 8 DE - Инструкция по эксплуатации

EuroPower EPS 8 DE

Генератор EuroPower EPS 8 DE - инструкция пользователя по применению, эксплуатации и установке на русском языке. Мы надеемся, она поможет вам решить возникшие у вас вопросы при эксплуатации техники.

Если остались дополнительные вопросы — свяжитесь с нами через контактную форму.

1 Страница 1
2 Страница 2
3 Страница 3
4 Страница 4
5 Страница 5
6 Страница 6
7 Страница 7
8 Страница 8
9 Страница 9
10 Страница 10
11 Страница 11
12 Страница 12
13 Страница 13
14 Страница 14
15 Страница 15
16 Страница 16
17 Страница 17
18 Страница 18
19 Страница 19
20 Страница 20
21 Страница 21
22 Страница 22
Страница: / 22

Содержание:

  • Страница 2 – ВВЕДЕНИЕ
  • Страница 3 – EUROPOWER
  • Страница 6 – КРАТКОЕ
  • Страница 7 – IIA «
  • Страница 9 – ПОЛЬЗОВАНИЕ
  • Страница 10 – EUROPOWER Generators.
  • Страница 11 – EPS183TDE KU/MA); EPS8DE KU/S
Загрузка инструкции

EUROPOWER

РУКОВОДСТВО

ДЛЯ

ПОЛЬЗОВАТЕЛЯ

www.EUROPOWERGenerators.com

EPS8DE KU/S-EPS9TDE KU/MA-EPS163DE KU/S-EPS183TDE KU/MA

Pag.1/13

Datum: 06/10/2011 Rev.: 08 Uitv: TU Goedkeurder: YH

Ref: EPS8DE-9TDE-163DE-183TDE-061011rev08.RU

EPS8DE

EPS8DE

EPS8DE

EPS8DE----EPS9TDE

EPS9TDE

EPS9TDE

EPS9TDE----EPS163DE

EPS163DE

EPS163DE

EPS163DE----EPS183TDE

EPS183TDE

EPS183TDE

EPS183TDE


Содержание

:

0.

ВВЕДЕНИЕ

1.

МЕРЫ

БЕЗОПАСНОСТИ

2.

МАРКИРОВОЧНАЯ

ТАБЛИЧКА

,

ЭТИКЕТКА

«

ЗВУКОВАЯ

МОЩНОСТЬ

»

И

ПИКТОГРАММЫ

3.

КРАТКОЕ

ОПИСАНИЕ

ЭЛЕКТРОАГРЕГАТОВ

4.

ОПИСАНИЕ

ПАНЕЛИ

КОНТРОЛЯ

И

УПРАВЛЕНИЯ

5.

ПОЛЬЗОВАНИЕ

ЭЛЕКТРОАГРЕГАТОМ

6.

ВСТРОЙКА

АГРЕГАТА

7.

ПЕРЕЧЕНЬ

ДЕТАЛЕЙ

8.

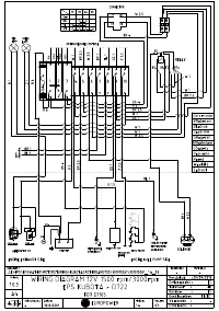
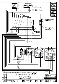
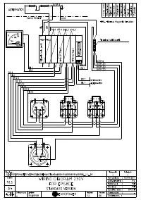
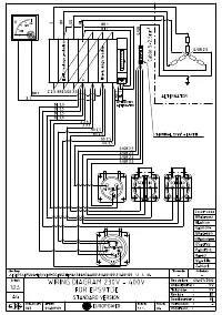
ЭЛЕКТРИЧЕСКИЕ

СХЕМЫ

9.

ГАБАРИТНЫЕ

РАЗМЕРЫ

10.

УХОД

ЗА

АГРЕГАТОМ

11.

ПЕРЕВОЗКА

И

ХРАНЕНИЕ





ПЕРЕВОД

ОРИГИНАЛЬНОГО

«

РУКОВОДСТВА

ДЛЯ

ПОЛЬЗОВАТЕЛЯ

»



"Загрузка инструкции" означает, что нужно подождать пока файл загрузится и можно будет его читать онлайн. Некоторые инструкции очень большие и время их появления зависит от вашей скорости интернета.

Краткое содержание

Страница 2 - ВВЕДЕНИЕ

EUROPOWER РУКОВОДСТВО ДЛЯ ПОЛЬЗОВАТЕЛЯ www.EUROPOWERGenerators.com EPS8DE KU/S-EPS9TDE KU/MA-EPS163DE KU/S-EPS183TDE KU/MA Pag.2/13 Datum: 06/10/2011 Rev.: 08 Uitv: TU Goedkeurder: YH Ref: EPS8DE-9TDE-163DE-183TDE-061011rev08.RU 0. ВВЕДЕНИЕ Чтобы наш электроагрегат надёжно прослужил Вам долгие годы ...

Страница 3 - EUROPOWER

EUROPOWER РУКОВОДСТВО ДЛЯ ПОЛЬЗОВАТЕЛЯ www.EUROPOWERGenerators.com EPS8DE KU/S-EPS9TDE KU/MA-EPS163DE KU/S-EPS183TDE KU/MA Pag.3/13 Datum: 06/10/2011 Rev.: 08 Uitv: TU Goedkeurder: YH Ref: EPS8DE-9TDE-163DE-183TDE-061011rev08.RU Перед установкой агрегата на хранение внутри помещения дайте двигателю ...

Страница 6 - КРАТКОЕ

EUROPOWER РУКОВОДСТВО ДЛЯ ПОЛЬЗОВАТЕЛЯ www.EUROPOWERGenerators.com EPS8DE KU/S-EPS9TDE KU/MA-EPS163DE KU/S-EPS183TDE KU/MA Pag.6/13 Datum: 06/10/2011 Rev.: 08 Uitv: TU Goedkeurder: YH Ref: EPS8DE-9TDE-163DE-183TDE-061011rev08.RU (28) - ВНИМАНИЕ ! Перед выполнением технического обслуживания агрегата ...

Характеристики

Другие модели - Генераторы EuroPower

Все генераторы EuroPower