EuroPower EPS 103 DE 25 - Инструкция по эксплуатации

EuroPower EPS 103 DE 25

Генератор EuroPower EPS 103 DE 25 - инструкция пользователя по применению, эксплуатации и установке на русском языке. Мы надеемся, она поможет вам решить возникшие у вас вопросы при эксплуатации техники.

Если остались дополнительные вопросы — свяжитесь с нами через контактную форму.

1 Страница 1
2 Страница 2
3 Страница 3
4 Страница 4
5 Страница 5
6 Страница 6
7 Страница 7
8 Страница 8
9 Страница 9
10 Страница 10
11 Страница 11
12 Страница 12
13 Страница 13
14 Страница 14
15 Страница 15
16 Страница 16
17 Страница 17
18 Страница 18
19 Страница 19
20 Страница 20
21 Страница 21
22 Страница 22
23 Страница 23
Страница: / 23

Содержание:

  • Страница 2 – ВВЕДЕНИЕ
  • Страница 3 – EUROPOWER
  • Страница 5 – Стр
  • Страница 6 – КРАТКОЕ
  • Страница 7 – IIA «
  • Страница 8 – ОПИСАНИЕ
  • Страница 9 – ПОЛЬЗОВАНИЕ
  • Страница 10 – NEW BOY
  • Страница 11 – ВСТРОЙКА; DE Mecc Alte
  • Страница 14 – ПЕРЕВОЗКА
Загрузка инструкции

EUROPOWER

РУКОВОДСТВО

ДЛЯ

ПОЛЬЗОВАТЕЛЯ

www.EUROPOWERGenerators.com

NEW BOY EPS73DE KU/S-EPS73DE KU/MA-EPS83TDE KU/S-EPS103DE KU/MA-EPS113TDE KU/S-
EPS113TDE KU/MA-EPS123DE KU/S-EPS133TDE KU/S-EPS133TDE KU/MA

Стр

.1/14

Datum: 23/09/2010 Rev.:00 Uitv:TU Goedkeurder: YH

Ref: EPS73-83-103-113-123-133(T)DE-NewBoy180110rev12.RU.doc




Содержание

:


0.

ВВЕДЕНИЕ

1.

МЕРЫ

БЕЗОПАСНОСТИ

2.

ИДЕНТИФИКАЦИОННАЯ

ТАБЛИЧКА

,

ЭТИКЕТКА

«

ЗВУКОВАЯ

МОЩНОСТЬ

»

И

ПИКТОГРАММЫ

3.

КРАТКОЕ

ОПИСАНИЕ

ЭЛЕКТРОАГРЕГАТОВ

4.

ОПИСАНИЕ

ПАНЕЛИ

КОНТРОЛЯ

И

УПРАВЛЕНИЯ

5.

ПОЛЬЗОВАНИЕ

ЭЛЕКТРОАГРЕГАТОМ

6.

ВСТРОЙКА

АГРЕГАТА

7.

ПЕРЕЧЕНЬ

ДЕТАЛЕЙ

8.

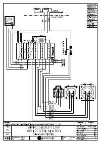
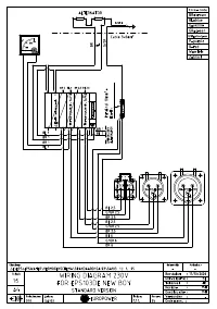
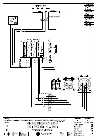
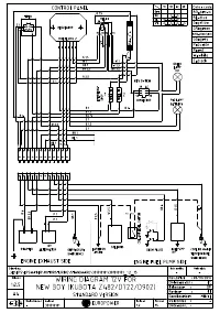
ЭЛЕКТРИЧЕСКИЕ

СХЕМЫ

9.

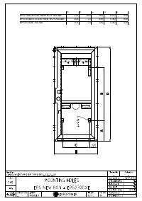
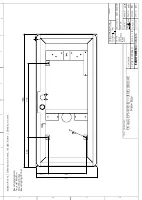
ГАБАРИТНЫЕ

РАЗМЕРЫ

10.

УХОД

ЗА

АГРЕГАТОМ

11.

ПЕРЕВОЗКА

И

ХРАНЕНИЕ

12.

ТЕХНИЧЕСКИЕ

ДАННЫЕ

ДВИГАТЕЛЕЙ

D902 – E2B – EUP-1









ПЕРЕВОД

ОРИГИНАЛЬНОГО

«

РУКОВОДСТВА

ДЛЯ

ПОЛЬЗОВАТЕЛЯ

»

"Загрузка инструкции" означает, что нужно подождать пока файл загрузится и можно будет его читать онлайн. Некоторые инструкции очень большие и время их появления зависит от вашей скорости интернета.

Краткое содержание

Страница 2 - ВВЕДЕНИЕ

EUROPOWER РУКОВОДСТВО ДЛЯ ПОЛЬЗОВАТЕЛЯ www.EUROPOWERGenerators.com NEW BOY EPS73DE KU/S-EPS73DE KU/MA-EPS83TDE KU/S-EPS103DE KU/MA-EPS113TDE KU/S-EPS113TDE KU/MA-EPS123DE KU/S-EPS133TDE KU/S-EPS133TDE KU/MA Стр .2/14 Datum: 23/09/2010 Rev.:00 Uitv:TU Goedkeurder: YH Ref: EPS73-83-103-113-123-133(T)D...

Страница 3 - EUROPOWER

EUROPOWER РУКОВОДСТВО ДЛЯ ПОЛЬЗОВАТЕЛЯ www.EUROPOWERGenerators.com NEW BOY EPS73DE KU/S-EPS73DE KU/MA-EPS83TDE KU/S-EPS103DE KU/MA-EPS113TDE KU/S-EPS113TDE KU/MA-EPS123DE KU/S-EPS133TDE KU/S-EPS133TDE KU/MA Стр .3/14 Datum: 23/09/2010 Rev.:00 Uitv:TU Goedkeurder: YH Ref: EPS73-83-103-113-123-133(T)D...

Страница 5 - Стр

EUROPOWER РУКОВОДСТВО ДЛЯ ПОЛЬЗОВАТЕЛЯ www.EUROPOWERGenerators.com NEW BOY EPS73DE KU/S-EPS73DE KU/MA-EPS83TDE KU/S-EPS103DE KU/MA-EPS113TDE KU/S-EPS113TDE KU/MA-EPS123DE KU/S-EPS133TDE KU/S-EPS133TDE KU/MA Стр .5/14 Datum: 23/09/2010 Rev.:00 Uitv:TU Goedkeurder: YH Ref: EPS73-83-103-113-123-133(T)D...

Характеристики

Другие модели - Генераторы EuroPower

Все генераторы EuroPower