EuroPower EP 103 DE - Инструкция по эксплуатации

EuroPower EP 103 DE

Генератор EuroPower EP 103 DE - инструкция пользователя по применению, эксплуатации и установке на русском языке. Мы надеемся, она поможет вам решить возникшие у вас вопросы при эксплуатации техники.

Если остались дополнительные вопросы — свяжитесь с нами через контактную форму.

1 Страница 1
2 Страница 2
3 Страница 3
4 Страница 4
5 Страница 5
6 Страница 6
7 Страница 7
8 Страница 8
9 Страница 9
10 Страница 10
11 Страница 11
12 Страница 12
13 Страница 13
14 Страница 14
15 Страница 15
16 Страница 16
17 Страница 17
18 Страница 18
19 Страница 19
20 Страница 20
21 Страница 21
22 Страница 22
23 Страница 23
24 Страница 24
25 Страница 25
26 Страница 26
27 Страница 27
28 Страница 28
29 Страница 29
30 Страница 30
31 Страница 31
Страница: / 31
Загрузка инструкции

EUROPOWER

РУКОВОДСТВО

ДЛЯ

ПОЛЬЗОВАТЕЛЯ

www.EUROPOWERGenerators.com

EP73DE KU/S-EP83TDE KU/S-EP103DE KU/MA-EP113TDE KU/S-EP123DE KU/S-EP133TDE KU/S

Стр

.1

из

13

Datum: 19/12/2011 Rev.:05 Uitv:TU Goedkeurder: MH

Ref: EP73-83-103-113-123-133(T)DE-191211rev05-RU

EP73DE

EP73DE

EP73DE

EP73DE----EP83DE

EP83DE

EP83DE

EP83DE----EP103DE

EP103DE

EP103DE

EP103DE----EP123DE

EP123DE

EP123DE

EP123DE----

EP133TDE

EP133TDE

EP133TDE

EP133TDE

Содержание

:

0.

ВВЕДЕНИЕ

1.

МЕРЫ

БЕЗОПАСНОСТИ

2.

МАРКИРОВОЧНАЯ

ТАБЛИЧКА

,

ЭТИКЕТКА

«

ЗВУКОВАЯ

МОЩНОСТЬ

»

И

ПИКТОГРАММЫ

3.

КРАТКОЕ

ОПИСАНИЕ

ЭЛЕКТРОАГРЕГАТОВ

4.

ОПИСАНИЕ

ПАНЕЛИ

КОНТРОЛЯ

И

УПРАВЛЕНИЯ

5.

ПОЛЬЗОВАНИЕ

ЭЛЕКТРОАГРЕГАТОМ

6.

ВСТРОЙКА

АГРЕГАТА

7.

ПЕРЕЧЕНЬ

ДЕТАЛЕЙ

8.

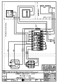
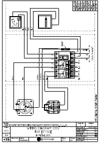
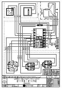
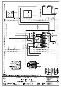
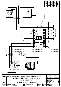
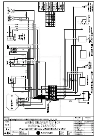
ЭЛЕКТРИЧЕСКИЕ

СХЕМЫ

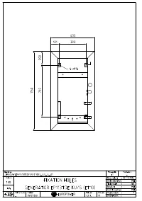
9.

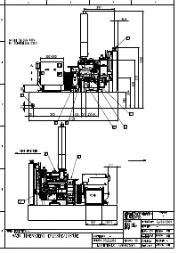
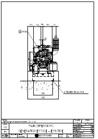
ГАБАРИТНЫЕ

РАЗМЕРЫ

10.

УХОД

ЗА

АГРЕГАТОМ

12.

ТЕХНИЧЕСКИЕ

ХАРАКТЕРИСТИКИ

ДВИГАТЕЛЕЙ

D902–E2B–EUP-1





ПЕРЕВОД

ОРИГИНАЛЬНОГО

«

РУКОВОДСТВА

ДЛЯ

ПОЛЬЗОВАТЕЛЯ

»

"Загрузка инструкции" означает, что нужно подождать пока файл загрузится и можно будет его читать онлайн. Некоторые инструкции очень большие и время их появления зависит от вашей скорости интернета.

Характеристики

Другие модели - Генераторы EuroPower

Все генераторы EuroPower