Страница 3 - ВАЖНО; УВЕДОМЛЕНИЕ; ПРЕДУПРЕЖДЕНИЕ; УВЕДОМЛЕНИЕ; ВАЖНАЯ; ПРЕДУПРЕЖДЕНИЕ
2 ВАЖНО ! ПРЕДУПРЕЖДЕНИЕ / ВНИМАНИЕ / УВЕДОМЛЕНИЕ / ЗАМЕЧАНИЕ Пожалуйста , внимательно прочтите данное руководство и тщательно выполняйте все приведенные в нем инструкции . С целью привлечения внимания к определенной информации в руководстве используются символ и слова ПРЕДУПРЕЖДЕНИЕ , ВНИМАНИ...
Страница 6 - БЕНЗИН
5 РАСПОЛОЖЕНИЕ ИДЕНТИФИКАЦИОННОГО НОМЕРА МОТОРА Идентификационный номер мотора выгравирован на пластине , закрепленной на кронштейне , как показано на рисунке внизу . Важно знать этот номер при заказе запчастей или на случай кражи мотора . ТОПЛИВО И МАСЛА БЕНЗИН SUZUKI настоятельно рекомендует испол...
Страница 7 - Моторное
6 ЗАМЕЧАНИЕЕсли Вы не удовлетворены работой или экономичностью Вашего мотора при применении бензино - спиртовых смесей , используйте неэтилированный бензин , не содержащий спирт . Убедитесь , что любая смесь , которую Вы используете , имеет октановое число не менее 91 ( по исследовательскому методу ...
Страница 9 - WARNING
8 РАСПОЛОЖЕНИЕ ПРЕДУПРЕДИТЕЛЬНЫХ НАКЛЕЕК Прочтите и соблюдайте инструкции на всех наклейках , расположенных на моторе и топливном баке . Убедитесь в том , что Вы поняли инструкции на всех наклейках . Сохраняйте наклейки на моторе и топливном баке . Ни в коем случае не удаляйте их . WARNING AVERTISSE...
Страница 13 - УСТАНОВКА; ТРЕБОВАНИЯ
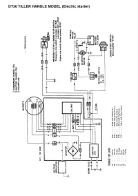
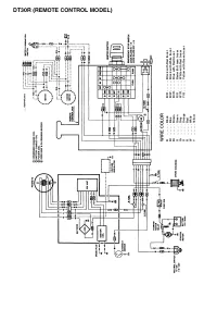
12 Модель с дистанционным управлением SUZUKI настоятельно рекомендует , чтобы установку мотора и сопутствующих приборов осуществляли только авторизованные Дилеры SUZUKI. У них имеются все необходимые для этого инструменты , оборудование и знания . ПРЕДУПРЕЖДЕНИЕ Мотор может сорваться , если он не ...
Страница 15 - ИСПОЛЬЗОВАНИЕ
14 УВЕДОМЛЕНИЕ Несоблюдение надлежащих мер предосторожности при обращении с аккумуляторной батареей может привести к повреждению электрической системы или ее компонентов . • Убедитесь в правильности подсоединения проводов аккумуляторной батареи . • Не отсоединяйте провода от аккумуляторной батареи ,...
Страница 16 - Выбор; Установка
15 ВЫБОР И УСТАНОВКА ГРЕБНОГО ВИНТА Выбор винта При выборе винта учитывайте характеристики лодки и условия ее эксплуатации . Помните , что скорость двигателя при работе с полностью открытым дросселем зависит от используемого гребного винта . УВЕДОМЛЕНИЕ Установка винта со слишком большим или , наобо...
Страница 17 - РЕГУЛИРОВКИ; Регулировка
16 РЕГУЛИРОВКИ Регулировка угла дифферента Для обеспечения стабильного управления и хорошего КПД поддерживайте надлежащий угол дифферента , как показано на рисунке . Необходимый угол зависит от характеристик лодки , мотора , винта и условий эксплуатации . Чтобы отрегулировать угол наклона : 1. Подни...
Страница 19 - Положение
18 Регулировка оборотов холостого хода Обороты холостого хода настроены на предприятии - изготовителе так , чтобы обеспечить стабильную и ровную работу двигателя на холостом ходу . При необходимости настройки оборотов холостого хода выполните следующие действия : 1. Прогрейте двигатель около 5 минут...
Страница 22 - ПРОВЕРКА
21 4. Потяните рычаг опоры для движения по мелководью A к себе . 5. Медленно опустите мотор , пока рычаг движения по мелководью , ложась на штырь регулятора угла наклона , не зафиксирует мотор в положении , немного приподнятом относительно нормального . Подробно о том , как опустить мотор , см . раз...
Страница 23 - Процедура
22 ОБКАТКА МОТОРА К периоду обкатки относятся первые 5 часов работы мотора . Правильная эксплуатация мотора в период обкатки поможет обеспечить максимальный срок службы и самые высокие эксплуатационные качества Вашего мотора . Следующие указания объясняют надлежащую процедуру обкатки . Период обкатк...
Страница 24 - ЭКСПЛУАТАЦИЯ
23 ЭКСПЛУАТАЦИЯ Перед тем , как завести мотор , убедитесь что 1. Винт мотора погружен в воду . 2. Топливный шланг надежно соединен с топливным баком и мотором . 3. Поверните воздушный клапан 1 на крышке топливного бака против часовой стрелки . 4. Включите нейтральную передачу . 5. Убедитесь в том , ...
Страница 25 - ЗАПУСК; Модель
24 ЗАМЕЧАНИЕЗапасной пластиковый ключ аварийной остановки предназначен только для кратковременного использования . Отсоедините его от шнура и поместите в безопасное место на борту лодки . Если Вы потеряли или повредили ключ аварийной остановки , немедленно замените его , чтобы вернуться в нормальный...
Страница 28 - Проверка
27 б ) Поверните ключ зажигания вправо , не нажимая на него . ЗАМЕЧАНИЕЕсли двигатель не запускается в течение 5 секунд , подождите 10 секунд и повторите попытку . УВЕДОМЛЕНИЕ Длительное удержание ключа зажигания повернутым в положение “START ( ПУСК )” в течение более 5 секунд может привести к повре...
Страница 29 - Аварийный
28 ЗАМЕЧАНИЕМожет пройти несколько минут , прежде чем мотор достаточно прогреется , и вода начнет вытекать из выходного отверстия системы охлаждения . ПРЕДУПРЕЖДЕНИЕ Эксплуатация лодки , когда аварийный выключатель не функционирует надлежащим образом , может представлять опасность . Перед выходом ...
Страница 33 - Швартовка
32 3. Поверните ключ зажигания в положение « Выкл ». Всегда оставляйте ключ зажигания в положении « Выкл », когда мотор не работает , иначе аккумуляторная батарея может разрядиться . 4. После того как вы заглушите мотор , отсоедините топливный штуцер от подвесного мотора . ПРЕДУПРЕЖДЕНИЕ Если вы о...
Страница 35 - СНЯТИЕ
34 Эксплуатация мотора при низких температурах При эксплуатации мотора при низких температурах обязательно следите за тем , чтобы нижняя часть мотора была постоянно погружена в воду . После извлечения мотора из воды держите его в вертикальном положении до тех пор , пока вода полностью не вытечет из ...
Страница 36 - ТРАНСПОРТИРОВКА
35 12. Переносите мотор , держа его за скобу рулевого управления и нижнюю часть кожуха Модель с дистанционным управлением При необходимости снять мотор с лодки рекомендуется обращаться за помощью к авторизованному Дилеру SUZUKI. ТРАНСПОРТИРОВКА При транспортировке мотора его следует расположить либо...
Страница 38 - График
37 ОСМОТР И ТЕХНИЧЕСКОЕ ОБСЛУЖИВАНИЕ МОТОРА График технического обслуживания Очень важно регулярно осматривать подвесной мотор и выполнять мероприятия по техническому обслуживанию . Соблюдайте приведенный внизу график . Осуществляйте все указанные мероприятия , соблюдая интервалы . Интервалы техниче...
Страница 41 - Топливопровод
40 Для поддержания сильной искры необходимо чистить и менять свечи в соответствии с приведенным графиком технического обслуживания . Удаляйте следы нагара со свечей при помощи жесткой металлической щетки или специального очистителя свечей и регулируйте зазор свечи в соответствии с приведенной внизу ...
Страница 43 - Смазка; МЕСТО
42 Смазка Правильная смазка очень важна для обеспечения безопасной , стабильной работы и долговечности всех рабочих деталей мотора . В приведенной внизу таблице указаны места смазки и рекомендуемые типы смазки . МЕСТО СМАЗКА Соединение карбюратора Водостойкая смазка для водно - моторной техники Затя...
Страница 44 - Аноды; Монтажные
43 Аноды и монтажные провода Аноды Мотор защищен от внешней коррозии тремя цинковыми анодами . Аноды управляют электролизом и предотвращают коррозию частей мотора . Аноды подвергаются коррозии вместо деталей , которые они защищают . Периодически осматривайте аноды и заменяйте их , в случае , если 2/...
Страница 45 - ТОПЛИВНЫЙ
44 Аккумуляторная батарея Уровень раствора электролита в аккумуляторной батарее должен всегда поддерживаться между отметками МИНИМУМ и МАКСИМУМ . Если уровень электролита падает ниже отметки МИНИМУМ – долейте в аккумуляторную батарею ТОЛЬКО ДИСТИЛЛИРОВАННУЮ ВОДУ до надлежащего уровня . ПРЕДУПРЕЖДЕ...
Страница 48 - Консервация; Хранение
47 ХРАНЕНИЕ МОТОРА Консервация мотора Когда планируется длительное хранение мотора ( например , по окончании водного сезона ), рекомендуется доставить мотор авторизованному дилеру SUZUKI. Однако , если Вы решили подготовить мотор для хранения самостоятельно , выполните следующие действия : 1. Замени...
Страница 51 - СПЕЦИФИКАЦИИ; Характеристики
50 СПЕЦИФИКАЦИИ Характеристики DT30 Тип двигателя 2 – х тактный Количество цилиндров 2 Диаметр цилиндра и ход поршня 71,0 х 63,0 мм Рабочий объем цилиндра 499 см . куб Максимальная мощность 22,1 кВт (30 л . с .) Рабочий диапазон при полном открытии дросселя 5 000 – 5 600 об ./ мин Система зажигания ...