Страница 3 - ВАЖНО; УВЕДОМЛЕНИЕ; ПРЕДУПРЕЖДЕНИЕ; УВЕДОМЛЕНИЕ; ВАЖНАЯ; ПРЕДУПРЕЖДЕНИЕ
2 ВАЖНО ! ПРЕДУПРЕЖДЕНИЕ / ВНИМАНИЕ / УВЕДОМЛЕНИЕ / ЗАМЕЧАНИЕ Пожалуйста , внимательно прочтите данное руководство и тщательно выполняйте все приведенные в нем инструкции . С целью привлечения внимания к определенной информации в руководстве используются символ и слова ПРЕДУПРЕЖДЕНИЕ , ВНИМАНИ...
Страница 6 - БЕНЗИН
5 РАСПОЛОЖЕНИЕ ИДЕНТИФИКАЦИОННОГО НОМЕРА МОТОРА Идентификационный номер мотора выгравирован на пластине , закрепленной на кронштейне , как показано на рисунке внизу . Важно знать этот номер при заказе запчастей или на случай кражи мотора . ТОПЛИВО И МАСЛА БЕНЗИН SUZUKI настоятельно рекомендует испол...
Страница 8 - Трансмиссионное
7 ЗАМЕЧАНИЕТопливный бак , поставляемый вместе с данным мотором , предназначен исключительно для использования с данным мотором и не должен использоваться в качестве резервуара для длительного хранения топлива . Моторное масло Качество масла – это основной фактор , способствующий поддержанию рабочих...
Страница 9 - WARNING
8 РАСПОЛОЖЕНИЕ ПРЕДУПРЕДИТЕЛЬНЫХ НАКЛЕЕК Прочтите и соблюдайте инструкции на всех наклейках , расположенных на моторе и топливном баке . Убедитесь в том , что Вы поняли инструкции на всех наклейках . Сохраняйте наклейки на моторе и топливном баке . Ни в коем случае не удаляйте их . WARNING AVERTISSE...
Страница 15 - УСТАНОВКА; ТРЕБОВАНИЯ
14 После установки мотора убедитесь , что при повороте или откидывании он не задевает какие либо части лодки . Также убедитесь в том , что кабель аккумуляторной батареи ( если имеется ) не мешает движениям мотора . Модель с дистанционным управлением SUZUKI настоятельно рекомендует , чтобы установку ...
Страница 17 - ИСПОЛЬЗОВАНИЕ
16 УВЕДОМЛЕНИЕ Несоблюдение надлежащих мер предосторожности при обращении с аккумуляторной батареей может привести к повреждению электрической системы или ее компонентов . • Убедитесь в правильности подсоединения проводов аккумуляторной батареи . • Не отсоединяйте провода от аккумуляторной батареи ,...
Страница 18 - Выбор
17 СИСТЕМА ПРЕРЫВАНИЯ ЗАРЯДКИ АККУМУЛЯТОРНОЙ БАТАРЕИ Данная система срабатывает при падении напряжения аккумуляторной батареи ниже 6 вольт , когда двигатель работает . Во время работы этой системы цепь зарядки аккумуляторной батареи разомкнута . Весь ток зарядки с выпрямителя / регулятора использует...
Страница 19 - РЕГУЛИРОВКИ; Регулировка
18 Если скорость двигателя находится вне этого диапазона , обратитесь за консультацией к официальному дилеру водной техники Suzuki, чтобы определить размер гребного винта , лучше всего подходящий для вашей лодки . Установка винта Для установки гребного винта на мотор выполните следующую процедуру : ...
Страница 22 - Ограничитель
21 Проверка сигнальной лампы Модель с управлением на румпеле Каждый раз при срабатывании системы стартера сигнальная лампа кратковременно загорается на первые две секунды независимо от состояния мотора . Модель с дистанционным управлением Каждый раз при повороте ключа зажигания в положение « Вкл » с...
Страница 26 - Активация
25 СИСТЕМА НАПОМИНАНИЯ О ЗАМЕНЕ МАСЛА Данная система информирует пользователя о необходимости замены масла в соответствии с расписанием регулярного технического обслуживания . Система ведет учет суммарного количества часов работы двигателя и активируется в тот момент , когда достигается заранее запр...
Страница 27 - Фиксатор
26 ЗАМЕЧАНИЕ • Активацию системы можно отменить вне зависимости от того , было заменено моторное масло или нет . Однако , SUZUKI настоятельно рекомендует при срабатывании системы заменить моторное масло перед тем , как выполнять отключение системы . • Даже если замена моторного масла была произведен...
Страница 30 - ПРОВЕРКА
29 Чтобы опустить мотор : 1. Передвиньте рычаг фиксатора откидки 1 в положение блокировки . 2. Потяните мотор немного на себя и медленно опустите его вниз . ПРЕДУПРЕЖДЕНИЕ Когда используется положение для движения по мелководью , фиксатор откидки не работает . Поэтому сила , возникающая в результа...
Страница 33 - ЭКСПЛУАТАЦИЯ
32 ЭКСПЛУАТАЦИЯ Перед тем , как завести мотор , убедитесь что 1. Винт мотора погружен в воду . 2. Топливный шланг надежно соединен с топливным баком и мотором . 3. Поверните воздушный клапан 1 на крышке топливного бака против часовой стрелки . 4. Переведите фиксатор откидки мотора 2 в положение « Бл...
Страница 34 - ЗАПУСК
33 ЗАМЕЧАНИЕЗапасной пластиковый ключ аварийной остановки предназначен только для кратковременного использования . Отсоедините его от шнура и поместите в безопасное место на борту лодки . Если Вы потеряли или повредили ключ аварийной остановки , немедленно замените его , чтобы вернуться в нормальный...
Страница 38 - Аварийный
37 Проверка системы водяного охлаждения После запуска мотора из контрольного отверстия 1 должна вытекать вода . Это означает , что водяной насос работает нормально . Если Вы заметили , что вода не вытекает , немедленно заглушите мотор и обратитесь за консультацией к авторизованному Дилеру SUZUKI. УВ...
Страница 42 - Остановка
41 Управление скоростью Чтобы увеличить скорость после переключения передачи , передвигайте рукоятку вперед или назад . ПРЕДУПРЕЖДЕНИЕ Поскольку один и тот же рычаг используется для переключения передач и управления скоростью , он может случайно передвинуться за пределы ограничителя и задействоват...
Страница 43 - Швартовка
42 Модель с дистанционным управлением Чтобы заглушить двигатель 1. Установите нейтральную передачу . 2. После того как мотор работал с полностью открытым дросселем , дайте ему остынуть в течение нескольких минут , оставив работать на холостом ходу или на передаче с троллом на низкой скорости . 3. По...
Страница 45 - СНЯТИЕ
44 РАБОТА ПОДВЕСНОГО ЛОДОЧНОГО МОТОРА В КАЧЕСТВЕ ДОПОЛНИТЕЛЬНОГО ДВИГАТЕЛЯ Если подвесной мотор используется в качестве дополнительного двигателя , заглушите мотор и откиньте подвесной мотор , подняв его из воды , во время использования основного мотора . Откиньте подвесной мотор , подняв его из вод...
Страница 46 - ТРАНСПОРТИРОВКА
45 (4) Затяните сливной винт 2 . (5) Полностью откиньте мотор вверх . (6) Снова ослабьте сливной винт 2 и слейте оставшийся бензин в подходящую емкость . (7) Полностью завершив слив бензина , снова затяните сливной винт 2 . (8) Откиньте мотор вниз , чтобы вернуть сливной шланг 1 на место . ПРЕДУПР...
Страница 49 - График
48 ОСМОТР И ТЕХНИЧЕСКОЕ ОБСЛУЖИВАНИЕ МОТОРА График технического обслуживания Очень важно регулярно осматривать подвесной мотор и выполнять мероприятия по техническому обслуживанию . Соблюдайте приведенный внизу график . Осуществляйте все указанные мероприятия , соблюдая интервалы . Интервалы техниче...
Страница 53 - ВНИМАНИЕ
52 Моторное масло Замена моторного масла Замену масла следует производить только на прогретом двигателе , чтобы масло могло полностью стечь из двигателя . Чтобы заменить моторное масло : 1. Установите мотор в вертикальное положение и снимите крышку мотора . 2. Открутите пробку масляного бака . 3. Ус...
Страница 55 - Смазка
54 ЗАМЕЧАНИЕУтилизируйте или выбрасывайте отработавшее трансмиссионное масло надлежащим способом . Не выбрасывайте его в мусор , не выливайте на землю , в дренажные системы или в воду . Смазка Правильная смазка очень важна для обеспечения безопасной , стабильной работы и долговечности всех рабочих д...
Страница 56 - Аноды; Аккумуляторная
55 Аноды Мотор защищен от внешней коррозии тремя цинковыми анодами . Аноды управляют электролизом и предотвращают коррозию частей мотора . Аноды подвергаются коррозии вместо деталей , которые они защищают . Периодически осматривайте аноды и заменяйте их , в случае , если 2/3 поверхности уничтожено к...
Страница 57 - ПРОМЫВКА
56 ФИЛЬТР МОТОРНОГО МАСЛА Фильтр моторного масла необходимо периодически заменять ; замена должна выполняться авторизованным Дилером SUZUKI. Заменяйте фильтр моторного масла на новый по истечении первых 20 часов (1 месяца ) работы . Заменяйте фильтр моторного масла на новый каждые 200 часов (12 меся...
Страница 58 - При
57 1. Установите промывочную насадку 1 так , чтобы отверстия для забора воды системы охлаждения были закрыты резиновыми колпачками насадки . 2. Подсоедините садовый шланг к промывочной насадке и включите воду под сильным напором , чтобы большое количество лишней воды вытекало из - под резиновых колп...
Страница 59 - ЗАТОПЛЕННЫЙ
58 3. Включите воду под достаточным напором . Промойте двигатель в течение нескольких минут . 4. Выключите воду . 5. Отсоедините шланг и соединительную насадку ( если она использовалась ) и установите пробку в отверстие . 6. Оставьте мотор в вертикальном положении до тех пор , пока вода полностью не...
Страница 60 - ХРАНЕНИЕ; Консервация
59 7. Предоставьте мотор для осмотра авторизованному Дилеру SUZUKI так быстро , как это возможно . УВЕДОМЛЕНИЕ Попадание воды в систему подачи топлива может привести к повреждению двигателя . Если заливное отверстие и вентиляционный клапан топливного бака лодки погружались в воду , проверьте систему...
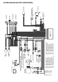
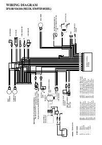
Страница 62 - ПЛАВКИЙ
61 ДИАГНОСТИКА НЕИСП P АВНОСТЕЙ Это руководство по диагностике неисправностей поможет обнаружить причину и устранить наиболее часто встречающиеся неисправности . Ручной стартер / стартерный мотор не работает : • Не установлена нейтральная передача . • Перегорел предохранитель ( на моделях с электрич...
Страница 63 - СПЕЦИФИКАЦИИ
62 ПРЕДУПРЕЖДЕНИЕ Замена перегоревшего предохранителя на предохранитель с другим номинальным значением силы тока или на перемычку из алюминиевой фольги или проволоки может привести к обширному повреждению электрической системы и пожару . Всегда заменяйте перегоревший предохранитель на предохраните...