Страница 3 - ВАЖНО; УВЕДОМЛЕНИЕ; ПРЕДУПРЕЖДЕНИЕ; УВЕДОМЛЕНИЕ; ВАЖНАЯ; ПРЕДУПРЕЖДЕНИЕ
2 ВАЖНО ! ПРЕДУПРЕЖДЕНИЕ / ВНИМАНИЯ / УВЕДОМЛЕНИЕ / ЗАМЕЧАНИЕ Пожалуйста , внимательно прочтите данное руководство и тщательной выполняйте все приведенные в нем инструкции . С целью привлечения внимания к определенной информации в руководстве используются символ и слова ПРЕДУПРЕЖДЕНИЕ , ВНИМАН...
Страница 6 - БЕНЗИН
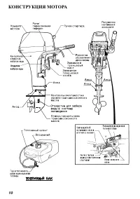
5 РАСПОЛОЖЕНИЕ ИДЕНТИФИКАЦИОННОГО НОМЕРА МОТОРА Идентификационный номер мотора выгравирован на пластине , закрепленной на кронштейне , как показано на рисунке внизу . Важно знать этот номер при заказе запчастей или на случай кражи мотора . ТОПЛИВО И МАСЛА БЕНЗИН SUZUKI настоятельно рекомендует испол...
Страница 7 - Моторное
6 ЗАМЕЧАНИЕЕсли Вы не удовлетворены работой или экономичностью Вашего мотора при применении бензино - спиртовых смесей , используйте неэтилированный бензин , не содержащий спирт . Убедитесь , что любая смесь , которую Вы используете , имеет октановое число не менее 91 ( по исследовательскому методу ...
Страница 9 - WARNING
8 РАСПОЛОЖЕНИЕ ПРЕДУПРЕДИТЕЛЬНЫХ НАКЛЕЕК Прочтите и соблюдайте инструкции на всех наклейках , расположенных на моторе и топливном баке . Убедитесь в том , что Вы поняли инструкции на всех наклейках . Сохраняйте наклейки на моторе и топливном баке . Ни в коем случае не удаляйте их . WARNING AVERTISSE...
Страница 15 - Выбор
14 ИСПОЛЬЗОВАНИЕ ДОПОЛНИТЕЛЬНЫХ ЭЛЕКТРОННЫХ УСТРОЙСТВ Мощность (12 В постоянного тока ), доступная для подключения дополнительных устройств , зависит от условий работы мотора . Для получения более подробной информации проконсультируйтесь с авторизованным Дилером SUZUKI. УВЕДОМЛЕНИЕ Прямое подсоедине...
Страница 16 - РЕГУЛИРОВКИ; Регулировка
15 Установка винта Для установки гребного винта на мотор выполните следующую процедуру : 1. Смажьте шлицы гребного вала 1 специальной водозащитной смазкой для предотвращения коррозии . 2. Наденьте фиксатор 2 на гребной вал . 3. Выровняйте винт 3 со шлицами гребного вала и наденьте винт на вал . 4. Н...
Страница 21 - ПРОВЕРКА
20 4. Потяните рычаг опоры для движения по мелководью B к себе . 5. Медленно опустите мотор , пока рычаг движения по мелководью , ложась на штырь регулятора угла наклона , не зафиксирует мотор в положении , немного приподнятом относительно нормального . Подробно о том , как опустить мотор , см . раз...
Страница 23 - ЭКСПЛУАТАЦИЯ
22 ЭКСПЛУАТАЦИЯ Перед тем , как завести мотор , убедитесь что 1. Винт мотора погружен в воду . 2. Топливный шланг надежно соединен с топливным баком и мотором . 3. Поверните воздушный клапан 1 на крышке топливного бака против часовой стрелки . 4. Включите нейтральную передачу . 5. Убедитесь в том , ...
Страница 24 - ЗАПУСК
23 ЗАМЕЧАНИЕЗапасной пластиковый ключ аварийной остановки предназначен только для кратковременного использования . Отсоедините его от шнура и поместите в безопасное место на борту лодки . Если Вы потеряли или повредили ключ аварийной остановки , немедленно замените его , чтобы вернуться в нормальный...
Страница 29 - Остановка
28 Переключение передач Чтобы включить переднюю передачу , установите рукоятку управления дросселем на холостой ход и плавно с усилием потяните рычаг переключения передач к себе . Чтобы включить заднюю передачу , переведите фиксатор наклона мотора в положении « Блок » (LOCK), установите рукоятку упр...
Страница 31 - СНЯТИЕ
30 Эксплуатация мотора при низких температурах При эксплуатации мотора при низких температурах обязательно следите за тем , чтобы нижняя часть мотора была постоянно погружена в воду . После извлечения мотора из воды держите его в вертикальном положении до тех пор , пока вода полностью не вытечет из ...
Страница 32 - ТРАНСПОРТИРОВКА
31 12. Переносите мотор , держа его за скобу рулевого управления и нижнюю часть кожуха . ТРАНСПОРТИРОВКА При транспортировке мотора его следует расположить либо вертикально , либо горизонтально . Вертикальная транспортировка Закрепите мотор на стойке при помощи двух зажимных транцевых винтов . Гориз...
Страница 34 - График
33 ОСМОТР И ТЕХНИЧЕСКОЕ ОБСЛУЖИВАНИЕ МОТОРА График технического обслуживания Очень важно регулярно осматривать подвесной мотор и выполнять мероприятия по техническому обслуживанию . Соблюдайте приведенный внизу график . Осуществляйте все указанные мероприятия , соблюдая интервалы . Интервалы техниче...
Страница 37 - Топливопровод
36 Для поддержания сильной искры необходимо чистить и менять свечи в соответствии с приведенным графиком технического обслуживания . Удаляйте следы нагара со свечей при помощи жесткой металлической щетки или специального очистителя свечей и регулируйте зазор свечи в соответствии с приведенной внизу ...
Страница 39 - Смазка
38 Смазка Правильная смазка очень важна для обеспечения безопасной , стабильной работы и долговечности всех рабочих деталей мотора . В приведенной внизу таблице указаны места смазки и рекомендуемые типы смазки . МЕСТО СМАЗКА Соединение карбюратора Водостойкая смазка для водно - моторной техники Затя...
Страница 40 - Аккумуляторная
39 Монтажные провода Монтажные провода служат для соединения всех электрических компонентов двигателя в единую заземленную цепь . Это позволяет обеспечить их защиту от электролиза с помощью анодов . Провода и места их подсоединения должны регулярно осматриваться на предмет повреждений УВЕДОМЛЕНИЕ Не...
Страница 41 - ОМЫВКА
40 ТОПЛИВНЫЙ ФИЛЬТР Топливный фильтр должен периодически проверяться авторизованным Дилером SUZUKI. Проверяйте топливный фильтр каждые 100 часов (12 месяца ). Заменяйте топливный фильтр на новый каждые 400 часов (2 года ). УВЕДОМЛЕНИЕ Добавление разбавленной серной кислоты в аккумуляторную батарею п...
Страница 42 - ЗАТОПЛЕННЫЙ
41 1. Установите промывочную насадку 1 так , чтобы отверстия для забора воды системы охлаждения были закрыты резиновыми колпачками насадки . 2. Подсоедините садовый шланг к промывочной насадке и включите воду под сильным напором , чтобы большое количество лишней воды вытекало из - под резиновых колп...
Страница 43 - ХРАНЕНИЕ; Консервация
42 УВЕДОМЛЕНИЕ Попадание воды в систему подачи топлива может привести к повреждению двигателя . Если заливное отверстие и вентиляционный клапан топливного бака лодки погружались в воду , проверьте систему подачи топлива , чтобы убедиться в том , что в нее не попала вода . ХРАНЕНИЕ МОТОРА Консервация...
Страница 46 - СПЕЦИФИКАЦИИ
45 ПРЕДУПРЕЖДЕНИЕ Замена перегоревшего предохранителя на предохранитель с другим номинальным значением силы тока или на перемычку из алюминиевой фольги или проволоки может привести к обширному повреждению электрической системы и пожару . Всегда заменяйте перегоревший предохранитель на предохраните...