Страница 2 - Содержание
2 332322A Содержание Предупреждения . . . . . . . . . . . . . . . . . . . . . . . . . . . . . . . . . 3Идентификация компонентов . . . . . . . . . . . . . . . . . . . . 5Процедура снятия давления . . . . . . . . . . . . . . . . . . . . . . 6Общая информация о ремонте . . . . . . . . . . . . . . . . ...
Страница 3 - Предупреждения; WARNING; ПРЕДУПРЕЖДЕНИЕ
Предупреждения 332322A 3 Предупреждения Следующие предупреждения относятся к установке, эксплуатации, заземлению, техническому обслуживанию и ремонту данного оборудования. Символом восклицательного знака отмечены общие предупреждения, а знаки опасности указывают на риск, связанный с определенной про...
Страница 5 - Идентификация компонентов
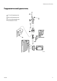
Идентификация компонентов 332322A 5 Идентификация компонентов 1 Элементы управления двигателем 2 Переключатель ВКЛ/ВЫКЛ двигателя (устройства с электростартером) 3 Переключатель ВКЛ/ВЫКЛ двигателя (устройства с ручным стартером) 4 Место подъема 5 Держатель для трубки всасывания 6 Регулятор давления ...
Страница 6 - Процедура снятия давления; Общая информация о ремонте; Заземление; Или
Процедура снятия давления 6 332322A Процедура снятия давления Процедуру снятия давления требуется выполнять каждый раз, когда в тексте приводится этот символ. 1. Установите клапан насоса в положение ВЫКЛ. 2. ВЫКЛЮЧИТЕ двигатель. 3. Установите минимальную величину давления. Для снятия давления направ...
Страница 7 - Техническое обслуживание; Частота
Техническое обслуживание 332322A 7 Техническое обслуживание Подробные спецификации и рекомендации по обслуживанию двигателей приведены в отдельном руководстве для владельца двигателя Honda (прилагается). Свеча зажигания. • Используйте только свечи BPR6ES (NGK) или W20EPR-U (NIPPONDENSO). • Зазор кон...
Страница 10 - Замена уплотнения; Демонтаж
Замена уплотнения компенсатора 10 332322A Замена уплотнения компенсатора Демонтаж 1. Выполните процедуру снятия давления , стр. 6. Прежде чем приступать к обслуживанию, дождитесь, пока гидравлическая система остынет. 2. Удалите винт (197) и крышку ручки насоса (196). Извлеките четыре болта крышки (7...
Страница 11 - Замена поршневого
Замена поршневого насоса 332322A 11 Замена поршневого насоса Инструкции по ремонту насоса см. в руководстве 308043,311825 или 311762. Демонтаж 1. Промойте насос (36). По возможности остановите насос при движении поршня вниз. 2. Выполните процедуру снятия давления , стр. 6. 3. Снимите узел всасывания...
Страница 12 - Установка
Замена поршневого насоса 12 332322A 7. Открутите три стопорные гайки (213) соединительных тяг. 8. Снимите насос (36) с соединительных тяг (122). Установка 1. Сдвиньте крышку вверх на шток насоса. Установите поршневой насос (36) на соединительные тяги (122). 2. Завинтите стопорные гайки (213) на соед...
Страница 15 - Обслуживание поршневого насоса; Отсоединение поршневого; Повторное присоединение
Обслуживание поршневого насоса 332322A 15 Обслуживание поршневого насоса Отсоединение поршневого насоса 1. Промойте насос, если это возможно. Остановите насос при движении поршня вниз. 2. Выполните процедуру снятия давления , стр. 6. 3. Извлеките трубку всасывания и шланг для жидкости из поршневого ...
Страница 16 - Замена силовой головки насоса
Замена силовой головки насоса 16 332322A Замена силовой головки насоса Демонтаж 1. Выполните процедуру снятия давления , стр. 6. 2. Снимите гидравлические линии (100, 101) с головки (75). 3. Ослабьте четыре крепежных болта (7) на переходнике таким образом, чтобы можно было поднять и снять узел. 4. С...
Страница 18 - Замена гидравлического насоса; Замена гидравлического масла; Слив масла; Повторная заливка масла
Замена гидравлического насоса 18 332322A Замена гидравлического насоса Замена гидравлического масла Слив масла a. Поместите поддон для слива масла под масляный бак и дренажную пробку. b. Отвинтите дренажную пробку бака (64) и слейте из него масло. Повторная заливка масла a. Установите на место дрена...
Страница 22 - Снятие ремня
Снятие и замена ремня (рекомендуемый способ) 22 332322A Снятие и замена ремня (рекомендуемый способ) Снятие ремня a. Установите пластиковую стяжку вокруг ремня (19). b. Медленно тяните пластиковую стяжку на себя. В то же время медленно тяните за шнур стартера двигателя, чтобы повернуть шкивы. Возмож...
Страница 23 - Альтернативные снятие и
Снятие и замена ремня (рекомендуемый способ) 332322A 23 Альтернативные снятие и установка ремня Снятие ремня a. Ослабьте болты двигателя (21) для ослабления натяжения ремня. b. Сдвиньте ремень со шкивов. Установка ремня a. Установите ремень (19) на маленький (6) и большой (4) шкивы. b. Затяните болт...
Страница 24 - Замена масляного бака
Замена масляного бака 24 332322A Замена масляного бака Демонтаж 1. Выполните процедуру снятия давления , стр. 6. 2. Слейте масло из бака (64) в соответствии с процедурой слива масла, стр. 18. Сохраните пробку для использования с новым баком. 3. Снимите заливную крышку (27) и узел фильтра (111). Сохр...
Страница 27 - Замена фильтра гидравлической жидкости
Замена фильтра гидравлической жидкости 332322A 27 Замена фильтра гидравлической жидкости Демонтаж 1. Выполните процедуру снятия давления , стр. 6. 2. Ослабьте и снимите шланг (101) с фитинга (103). 3. Снимите корпус фильтра (111) с бака (64). 4. Снимите нижнюю крышку фильтра (155) с корпуса (111). 5...
Страница 28 - Замена охладителя
Замена охладителя 28 332322A Замена охладителя Демонтаж 1. Выполните процедуру снятия давления , стр. 6. 2. Ослабьте заземляющий винт и снимите хомут заземления (95) с распылителя. 3. Ослабьте и снимите линию возврата масла в бак и гидравлическую линию к охладителю. 4. Извлеките винты (79), снимите ...
Страница 30 - Замена двигателя; Замена вентилятора двигателя; Снятие шкива
Замена двигателя 30 332322A Замена двигателя Демонтаж 1. Выполните процедуру снятия давления , стр. 6. 2. Извлеките винты (79) снимите шайбы (78) и крышку ремня (67). 3. Снимите ремень (19), стр. 22. 4. Извлеките винты (21), снимите шайбы (70) и гайки (10), крепящие двигатель (5) к раме. 5. Только д...
Страница 32 - Снятие ручки; Фиксированная установка
Снятие ручки 32 332322A Снятие ручки Фиксированная установка (дополнительно) Для предотвращения повреждения устройства при его транспортировке в грузовом автомобиле или трейлере компания Graco рекомендует использовать фиксированную установку на транспортное средство. Изменение положения ручки Перед ...
Страница 33 - Крепление устройства к кузову транспортного
Крепление устройства к кузову транспортного средства 332322A 33 Крепление устройства к кузову транспортного средства Для фиксированной установки затяните П-образные болты на раме распылителя, как показано на рисунке ниже. 1. Измените положение ручки, этапы 1–5, стр. 32. 2. Установите П-образные болт...
Страница 36 - Стандартная гарантия компании Graco; Сведения о компании Graco
Все письменные и визуальные данные, содержащиеся в настоящем документе, отражают самую свежую информацию об изделии, имеющуюся на момент публикации. Компания Graco оставляет за собой право в любой момент вносить изменения без предварительного уведомления. Информация о патентах представлена на сайте ...