Страница 2 - Содержание
Модели 2 332599D Содержание Модели . . . . . . . . . . . . . . . . . . . . . . . . . . . . . . . . . . . . . . . . . . 2Предупреждения . . . . . . . . . . . . . . . . . . . . . . . . . . . . . . . . . 3Установка . . . . . . . . . . . . . . . . . . . . . . . . . . . . . . . . . . . . . . . . 5 Чертеж...
Страница 3 - Предупреждения; ПРЕДУПРЕЖДЕНИЕ
Предупреждения 332599D 3 Предупреждения Следующие предупреждения относятся к установке, эксплуатации, заземлению, техническому обслуживанию и ремонту данного оборудования. Символом восклицательного знака отмечены общие предупреждения, а знаки опасности указывают на риск, связанный с определенной про...
Страница 5 - Установка; Чертеж типовой установки
Установка 332599D 5 Установка Чертеж типовой установки Чертеж типовой установки приведен только в качестве руководства. Дистрибьютор Graco может помочь вам в разработке вашей системы. Р ИС . 1. Типовая установка – циркуляционная система с нагревом Обозначения. A Главный воздушный клапан стравливающе...
Страница 6 - Идентификация компонентов
Идентификация компонентов 6 332599D Идентификация компонентов Обозначения. A1 Впускное отверстие для жидкостиA2 Выпускное отверстие для жидкостиA3 Индикатор ВКЛЮЧЕНИЯ нагревателяA4 Ручка управления температурой (только модель 24P016)A5 Измеритель температуры (только модель 24P016)A6 Порт обратной св...
Страница 7 - Общие сведения
Идентификация компонентов 332599D 7 Общие сведения Выбор трубопроводов Температура жидкости падает при прохождении через шланг или трубопровод, установленный между нагревателем и распылительным пистолетом. Располагайте нагреватель рядом с областью распыления, чтобы минимизировать потери тепла в труб...
Страница 8 - Монтаж нагревателя; Настенный монтаж; Монтаж на тележке
Идентификация компонентов 8 332599D Монтаж нагревателя ПРИМЕЧАНИЕ. Нагреватели Viscon HF можно устанавливать в любом месте, где до этого был установлен нагреватель Viscon HP. См. габариты, указанные для вспомогательного кронштейна 192585 на стр. 26, а также габариты нагревателя на стр. 29. ПРИМЕЧАНИ...
Страница 9 - Соединения линий подачи
Идентификация компонентов 332599D 9 Соединения линий подачи жидкости и вспомогательные принадлежности (Р ИС . 5) 1. Установите запорный клапан подачи жидкости (Т) во впускное жидкостное отверстие нагревателя 3/4 дюйма npt(m). Не перетягивайте. Подсоедините линию подачи жидкости к клапану. Для компен...
Страница 10 - Электрические соединения; Требования для всех установок; Подключение резистивного; Заземление
Идентификация компонентов 10 332599D Электрические соединения Требования для всех установок • Блок питания не должен превышать номиналы напряжения и силы тока нагревателя. См. раздел Модели , стр. 2. • Провода, используемые для подключения питания, должны выдерживать температуру не менее 105 °С (221...
Страница 11 - Эксплуатация; Процедура снятия давления; Первоначальная промывка
Эксплуатация 332599D 11 Эксплуатация Процедура снятия давления Процедуру снятия давления требуется выполнять каждый раз, когда в тексте приводится этот символ. Процедуру снятия давления необходимо выполнить при прекращении распыления и перед очисткой, проверкой или обслуживанием оборудования. 1. Вкл...
Страница 12 - Настройка управления; Регулировка для распыления
Эксплуатация 12 332599D Настройка управления нагревателем (См. Р ИС . 6) Эта процедура относится только к модели 24P016. Нагреватель 262853 с управлением от датчика RTD не требует регулировки настроек нагревателя, для него необходимо использовать внешний контроллер температуры. 1. Для пробы установи...
Страница 13 - Техническое обслуживание; Промывка
Техническое обслуживание 332599D 13 Техническое обслуживание Промывка Забитые каналы подачи жидкости сокращают эффективность нагрева, скорость потока и величину давления. Осуществляйте очистку или промывку каждый раз, когда вы замечаете снижение эффективности нагрева, скорости потока или величины да...
Страница 14 - Поиск и устранение неисправностей
Поиск и устранение неисправностей 14 332599D Поиск и устранение неисправностей Проблема Причина Решение Нагреватель не нагревается. Отсутствие тока. Проверьте цепи и предохранители. Сработал выключатель перегрева (10). • Проверьте целостность цепи выключателя перегрева. Если цепь разомкнута, нажмите...
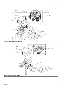
Страница 16 - Ремонт; Главный термостат и контакт; Переключатель перегрева; Примечания к сборке
Ремонт 16 332599D Ремонт Главный термостат и контакт термостата (Только для модели 24P016, см. Р ИС . 10 на стр. 17) 1. Выполните инструкции раздела Процедура снятия давления , стр. 11. 2. Извлеките винты (52) и снимите крышку корпуса (18). 3. Ослабьте винты (25), которые удерживают термостат на мес...
Страница 18 - Ручка управления
Ремонт 18 332599D Ручка управления Эта процедура относится только к нагревателю 24P016. См. иллюстрацию в разделе Спецификация деталей на стр. 22. 1. Выполните инструкции раздела Процедура снятия давления , стр. 11. 2. Поверните ручку управления (33) в положение 1. 3. Ослабьте установочный винт ручк...
Страница 19 - Извлечение сердечника
Ремонт 332599D 19 Извлечение сердечника нагревателя и прочистка каналов подачи жидкости Сердечник нагревателя (68) можно извлечь для тщательной очистки или замены. См. рисунок в разделе Спецификация деталей , применимый к вашей модели нагревателя, на стр. 22 или 24. 1. Выполните инструкции раздела П...
Страница 20 - Картриджи нагревателя
Ремонт 20 332599D Картриджи нагревателя См. рисунок в разделе Спецификация деталей , применимый к вашей модели нагревателя, на стр. 22 или 24. 1. Выполните инструкции раздела Процедура снятия давления , стр. 11. 2. Отключите питание. 3. Выполните инструкции раздела Слив жидкости из нагревателя , стр...
Страница 21 - Замена датчика RTD и фитинга; Сборка
Ремонт 332599D 21 Замена датчика RTD и фитинга (Только для модели 262853) 1. Выполните инструкции раздела Процедура снятия давления , стр. 11. 2. Отключите питание. 3. Извлеките винты (52) и снимите крышку (18). 4. Отсоедините разъем кабеля M8 от датчика (88). 5. Ослабьте гайку на компрессионном фит...
Страница 26 - Монтажный кронштейн; Термосмазка
Вспомогательные принадлежности 26 332599D Вспомогательные принадлежности Монтажный кронштейн 192585 Габариты – дюймы (мм) Кронштейн тележки Для монтажа нагревателей на квадратных трубчатых рамах 63 мм (2,5 дюйма). Закажите указанные ниже детали в количестве 2 шт. 183484. Зажим 183485. Монтажная план...
Страница 28 - Графики характеристик
Технические данные 28 332599D Графики характеристик 91 89.5 88.1 86.4 86 86 103 99 96 93 92 92 115 109 105 101 99 98 128 118 112 108 105 104 143 128 121 115 112 111 166 138 128 122 120 119 80 90 100 110 120 130 140 150 160 170 0.00 0.25 0.50 0.75 1.00 1.25 1.50 1.75 9 8 7 6 5 4 14.2 10.7 7.7 5.6 3.7...
Страница 29 - Габариты
Технические данные 332599D 29 Габариты ПРИМЕЧАНИЕ. • Модель 24P016 укомплектована наружным коленчатым патрубком 3/4 дюйма с впускным ниппелем 3/4 x 1/2. • Модель 262853 укомплектована впускным ниппелем 3/4 x 1/2, обращенным назад. • Нижний впускной корпус можно повернуть лицевой стороной вперед, наз...
Страница 30 - Стандартная гарантия компании Graco; Сведения о компании Graco
Все письменные и визуальные данные, содержащиеся в настоящем документе, отражают самую свежую информацию об изделии, имеющуюся на момент публикации. Компания Graco оставляет за собой право в любой момент вносить изменения без уведомления. Информация о патентах представлена на сайте www.graco.com/pat...