Graco EP4_repair- Инструкция по эксплуатации

Graco EP4_repair

Graco EP4_repair- инструкция пользователя по применению, эксплуатации и установке на русском языке. Мы надеемся, она поможет вам решить возникшие у вас вопросы при эксплуатации техники.

Если остались дополнительные вопросы — свяжитесь с нами через контактную форму.

1 Страница 1
2 Страница 2
3 Страница 3
4 Страница 4
5 Страница 5
6 Страница 6
7 Страница 7
8 Страница 8
9 Страница 9
10 Страница 10
11 Страница 11
12 Страница 12
13 Страница 13
14 Страница 14
15 Страница 15
16 Страница 16
17 Страница 17
18 Страница 18
19 Страница 19
20 Страница 20
21 Страница 21
22 Страница 22
23 Страница 23
24 Страница 24
25 Страница 25
26 Страница 26
27 Страница 27
28 Страница 28
29 Страница 29
30 Страница 30
31 Страница 31
32 Страница 32
33 Страница 33
34 Страница 34
35 Страница 35
36 Страница 36
37 Страница 37
38 Страница 38
39 Страница 39
40 Страница 40
41 Страница 41
42 Страница 42
43 Страница 43
44 Страница 44
45 Страница 45
46 Страница 46
Страница: / 46

Содержание:

  • Страница 3 – Модели
  • Страница 4 – Предупреждения; Предупреждение
  • Страница 9 – Ремонт
  • Страница 10 – Снятие
  • Страница 11 – Удаление
  • Страница 13 – Повторная
  • Страница 15 – Установка
  • Страница 16 – ПРЕДУПРЕЖДЕНИЕ
  • Страница 18 – Детали
  • Страница 22 – Таблица
  • Страница 43 – Частотно
  • Страница 44 – Технические
Загрузка инструкции

Ремонт и запасные части

Шланговые

Шланговые

Шланговые насосы

насосы

насосы EP3

EP3

EP3

и

и

и EP4

EP4

EP4

3A2067C

RU

Шланговый

Шланговый

Шланговый насос

насос

насос сс

с электрическим

электрическим

электрическим приводом

приводом

приводом для

для

для применения

применения

применения вв

в установках

установках

установках перекачивания

перекачивания

перекачивания

жидкости

жидкости

жидкости и

и

и измерительных

измерительных

измерительных приспособлениях.

приспособлениях.

приспособлениях. Только

Только

Только для

для

для профессионального

профессионального

профессионального использования.

использования.

использования.

Использование

Использование

Использование оборудования

оборудования

оборудования не

не

не одобрено

одобрено

одобрено во

во

во взрывоопасных

взрывоопасных

взрывоопасных атмосферах

атмосферах

атмосферах или

или

или опасных

опасных

опасных зонах.

зонах.

зонах.

Важные

Важные

Важные инструкции

инструкции

инструкции по

по

по технике

технике

технике безопасности

безопасности

безопасности

Прочтите все содержащиеся в данном
руководстве предупреждения и инструкции.
Сохраните эти инструкции.

Максимальное

Максимальное

Максимальное рабочее

рабочее

рабочее

давление

давление

давление жидкости

жидкости

жидкости 1,4

1,4

1,4 МПa

МПa

МПa

(14

(14

(14 бар,

бар,

бар, 200

200

200 фунтов/кв.

фунтов/кв.

фунтов/кв.

дюйм)

дюйм)

дюйм)

Номера

Номера

Номера деталей

деталей

деталей модели

модели

модели и

и

и

сведения

сведения

сведения см.

см.

см. на

на

на стр.

стр.

стр. 3.

3.

3.

PROVEN QUALITY. LEADING TECHNOLOGY.

"Загрузка инструкции" означает, что нужно подождать пока файл загрузится и можно будет его читать онлайн. Некоторые инструкции очень большие и время их появления зависит от вашей скорости интернета.

Краткое содержание

Страница 3 - Модели

Модели Модели Модели Модели Модель Модель Модель насоса насоса насоса Внутр. Внутр. Внутр. диам. диам. диам. шланга шланга шланга (мм) (мм) (мм) Справочный Справочный Справочный материал материал материал EP3016 EP3016 EP3016 16 Полный перечень номеров деталей насосаи описательные данные см. в разде...

Страница 4 - Предупреждения; Предупреждение

Предупреждения Предупреждения Предупреждения Предупреждения Следующие предупреждения относятся к установке, эксплуатации, заземлению, техническомуобслуживанию и ремонту данного оборудования. Символом восклицательного знака отмеченыпредупреждения общего характера, а знак опасности указывает на риск, ...

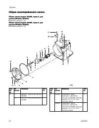
Страница 9 - Ремонт

Ремонт Ремонт Ремонт Ремонт Перед Перед Перед запуском запуском запуском 1. Промойте насос. 2. Снимите давление. 3. Отключите насос от источника питания. 4. Убедитесь, что насос электрически изолирован.Неожиданный запуск насоса может статьпричиной серьезных травм. Снимите крышкувентилятора только по...

Характеристики

Другие модели - Graco

Все другое Graco