Страница 3 - Модели
Модели Модели Модели Модели Модель Модель Модель насоса насоса насоса Внутр. Внутр. Внутр. диам. диам. диам. шланга шланга шланга (мм) (мм) (мм) Справочный Справочный Справочный материал материал материал EP2006 EP2006 EP2006 6 Полный перечень номеров деталей насоса иописательные данные см. в раздел...
Страница 4 - Предупреждения; Предупреждение
Предупреждения Предупреждения Предупреждения Предупреждения Следующие предупреждения относятся к установке, эксплуатации, заземлению, техническомуобслуживанию и ремонту данного оборудования. Символом восклицательного знака отмеченыпредупреждения общего характера, а знак опасности указывает на риск, ...
Страница 9 - Ремонт
Ремонт Ремонт Ремонт Ремонт Перед Перед Перед запуском запуском запуском 1. Промойте насос. 2. Снимите давление. 3. Отключите насос от источника питания. 4. Убедитесь, что насос электрическиизолирован. Неожиданный запуск насосаможет стать причиной серьезных травм.Снимите крышку вентилятора только по...
Страница 10 - Снятие
Ремонт Снятие Снятие Снятие шланга шланга шланга 1. См. рис. 5 на стр. 11. Удалите винты,крепящие крышку вентилятора двигателя.Поворачивайте вентилятор вручную, покаролик (102) не остановится в нижней частикорпуса насоса (1) в положении на 6 часов. ПРИМЕЧАНИЕ. ПРИМЕЧАНИЕ. ПРИМЕЧАНИЕ. Для насосов с н...
Страница 11 - Удаление
Ремонт Удаление Удаление Удаление ролика ролика ролика 1. С помощью клещей для внешних пружинныхколец снимите предохранительное кольцо (8)ролика с передней стороны эксцентриковоговала (7). 2. Потяните за ролик (102) и снимите его с вала.Он должен легко сниматься. 3. Осмотрите внутреннюю и внешнююпов...
Страница 13 - Повторная
Ремонт Повторная Повторная Повторная сборка сборка сборка Очистка Очистка Очистка и и и осмотр осмотр осмотр всех всех всех деталей деталей деталей ПРЕДУПРЕЖДЕНИЕ ПРЕДУПРЕЖДЕНИЕ ПРЕДУПРЕЖДЕНИЕ Для замены следует использовать толькодетали, выпущенные компанией Graco.Использование нестандартных детале...
Страница 16 - Установка; ПРЕДУПРЕЖДЕНИЕ
Ремонт Установка Установка Установка шланга шланга шланга 1. Переместите ролик (102), поворачиваявентилятор двигателя до тех пор, пока ролик недостигнет положения на 6 часов. Figure 9 Ролик в положении на 6 часов 2. Проденьте один конец шланга (103) черезотверстие с задней левой стороны корпусанасос...
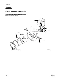
Страница 18 - Детали
Детали Детали Детали Детали Сборка Сборка Сборка шлангового шлангового шлангового насоса насоса насоса EP2 EP2 EP2 Насосы Насосы Насосы EP2006, EP2006, EP2006, EP2010 EP2010 EP2010 и и и EP2013, EP2013, EP2013, серия серия серия A A A Включает детали 101–119 18 3A2075C
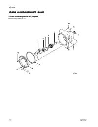
Страница 22 - Таблица
Детали Таблица Таблица Таблица насосов насосов насосов Насосы Насосы Насосы модели модели модели EP2006 EP2006 EP2006 С внутренним диаметром шланга 6 мм Деталь Деталь Деталь насоса насоса насоса № № № Серия Серия Серия насо насо насо сов сов сов Комплект Комплект Комплект шланга шланга шланга (поз. ...
Страница 41 - Технические
Технические характеристики Технические Технические Технические характеристики характеристики характеристики Насосы Насосы Насосы EP2 EP2 EP2 США США США Метрическая Метрическая Метрическая Максимальное рабочеедавление жидкости 200 фунтов/кв. дюйм 1,4 МПа, 14 бар Коэффициент передачи двигателя и реду...