Bosch ED 5-2S/U 7733000022 - инструкции и руководства
Водонагреватель Bosch ED 5-2S/U 7733000022 - инструкции пользователя по применению, эксплуатации и установке на русском языке читайте онлайн в формате pdf
Инструкции:
Инструкция по эксплуатации Bosch ED 5-2S/U 7733000022
1
2
3
4
5
6
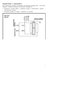
7
8
9
10
11
12
13
14
15
16
17
18
19
20
Bosch Водонагреватели Инструкции
-
Bosch BH 120-5
Инструкция по эксплуатации
-
Bosch SK 160-4 ZB 8718574037
Инструкция по эксплуатации
-
Bosch Tronic
Инструкция по эксплуатации
-
Bosch W 10 KB, 7736500992
Инструкция по эксплуатации
-
Bosch W10 KB
Инструкция по эксплуатации
-
Bosch WR 10-2 P23, GWH 10-2 CO P 7701331615
Инструкция по эксплуатации
-
Bosch WR 13-2 P23, GWH 13-2 CO P 7702331716
Инструкция по эксплуатации
-
Bosch WR 15-2 P23, GWH 15-2 CO P 7703331746
Инструкция по эксплуатации
-
Bosch WR10-2 B/B23
Инструкция по эксплуатации
-
Bosch WR10-2 P/P23
Инструкция по эксплуатации
-
Bosch WR13-2 B/B23
Инструкция по эксплуатации
-
Bosch WR13-2 B23 7702331718
Инструкция по эксплуатации
-
Bosch WR13-2 B23, GWH 13-2 CO B 7702331718
Инструкция по эксплуатации
-
Bosch WR15-2 P/P23
Инструкция по эксплуатации
-
Bosch WRD10-2 G/G23
Инструкция по эксплуатации
-
Bosch WRD10-2 G23, GWH 10-2 COD H 7701331616
Инструкция по эксплуатации
-
Bosch WRD13-2 G/G23
Инструкция по эксплуатации
-
Bosch WRD13-2 G23, GWH 13-2 COD H 7702331717
Инструкция по эксплуатации
-
Bosch WRD15-2 G/G23
Инструкция по эксплуатации
-
Bosch WRD15-2 G23, GWH 15-2 COD H 7703331747
Инструкция по эксплуатации