Страница 2 - BAXI; Компания
2 Уважаемый покупатель ! Мы убеждены , что приобретенное Вами изделие будет соответствовать всем Вашим требованиям . Приобретение одного из изделий BAXI отвечает вашим ожиданиям : хорошая работа , простота и легкость пользования . Сохраните это руководство , и пользуйтесь им в случае возникновения к...
Страница 3 - СОДЕРЖАНИЕ
Luna HT 1.850-1.1000 содержание 3 СОДЕРЖАНИЕ Руководство для пользователя 1. Подготовка к установке .................................................................................................................... 4 2. Подготовка к первому пуску ......................................................
Страница 4 - FERNOX Rigeneratore; Подготовка
Luna HT 1.850-1.1000 руководство для пользователя газовые настенные котлы 4 Руководство для пользователя 1. Подготовка к установке . Котел предназначен для нагрева воды не выше температуры кипения при атмосферном давлении . Он подключается к системе отопления в соответствии с его характеристиками и ...
Страница 8 - параметр
Luna HT 1.850-1.1000 руководство для пользователя газовые настенные котлы 8 3.5 Установка суточного рабочего цикла систем отопления и ГВС . 3.5.1 Суточный рабочий цикл системы отопления . - Нажмите одну из двух кнопок чтобы войти в функцию программирования ; а ) действуйте этими кнопками до появлени...
Страница 9 - Рис
Luna HT 1.850-1.1000 руководство для пользователя газовые настенные котлы 9 3.7 Таблица параметров для установки пользователем . № параметра Описание параметра Значение , установленное на фабрике Интервал Р 1 Установка времени - 0…23:59 Р 5 Установка минимальной температуры системы отопления (° С ) ...
Страница 12 - Общие
Luna HT 1.850-1.1000 руководство для технического персонала газовые настенные котлы 12 Руководство для технического персонала 8. Общие сведения . Нижеследующие указания и замечания составлены для того , чтобы помочь квалифицированному специалисту проводить без ошибок установку и техническое обслужив...
Страница 13 - FERNOX Protettivo; Установка
Luna HT 1.850-1.1000 руководство для технического персонала газовые настенные котлы 13 1.2 эксплуатируемое оборудование : Перед установкой котла отопительное оборудование должно быть предварительно очищено от грязи и отложений , используя вещества , имеющиеся в свободной продаже ( см . пункт 1.1) Дл...
Страница 15 - ВНИМАНИЕ
Luna HT 1.850-1.1000 руководство для технического персонала газовые настенные котлы 15 12. Установка дымохода и воздуховода . Ниже описываются аксессуары , поставляемые с котлом и обеспечивающие простую установку котла . Котел специально спроектирован с возможностью подсоединения к коаксиальной сист...
Страница 19 - Внимание; = 15m L
Luna HT 1.850-1.1000 руководство для технического персонала газовые настенные котлы 19 Варианты дымоотводящей системы по раздельным трубам с горизонтальными наконечниками . Внимание ! Необходимо обеспечить горизонтальный наклон труб в наружную сторону не менее 1 см на каждый метр длины . Убедитесь в...
Страница 23 - Присоединение
Luna HT 1.850-1.1000 руководство для технического персонала газовые настенные котлы 23 13. Подключение к электропитанию Электробезопасность котла гарантируется только при правильном заземлении в соответствии с действующими нормативами . С помощью прилагаемого трехжильного кабеля подключите котел к о...
Страница 25 - LUNA HT; SIEMENS
Luna HT 1.850-1.1000 руководство для технического персонала газовые настенные котлы 25 - Потери напора в теплообменниках производительность , л / ч График 1 При давлении в системе 1-1,5 бар минимальный напор воды в котле должен быть следующим : Модель LUNA HT Минимальная производительность л / час П...
Страница 26 - PROG; «kt»
Luna HT 1.850-1.1000 руководство для технического персонала газовые настенные котлы 26 - QAA 73: параметры , задаваемые установщиком ( сервис - функции ) Нажав и удерживая не менее 3 секунд обе кнопки PROG , Вы получите доступ к списку параметров , которые могут быть выведены на монитор или заданы у...
Страница 27 - QA; без; климатическим; kt
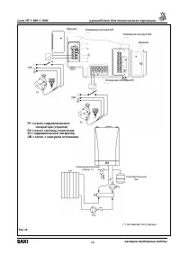
Luna HT 1.850-1.1000 руководство для технического персонала газовые настенные котлы 27 13.4 . Присоединение датчика уличной температуры . Датчик уличной температуры фирмы SIEMENS модели QA С 34 ( заказывается отдельно ) подсоединяется к клеммам 7-8 клеммной колодки М 2 ( рис .9). Порядок установки р...
Страница 28 - сняв
Luna HT 1.850-1.1000 руководство для технического персонала газовые настенные котлы 28 ТМ = температура воды на подаче в контур отопления Те = температура наружного воздуха График 4 с ) c AGU2.500 для управления низкотемпературным оборудованием (« теплые полы »). Для подсоединения и управления AGU2....
Страница 29 - NTC
Luna HT 1.850-1.1000 руководство для технического персонала газовые настенные котлы 29 Рис . 11 с ) c AGU2.500 для управления низкотемпературным оборудованием (« теплые полы »). Для подсоединения и управления AGU2.500 смотри инструкции , прилагаемые к данному оборудованию . В этом случае некоторые п...
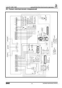
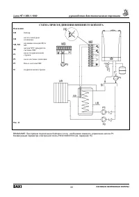
Страница 30 - Пояснения; SI
Luna HT 1.850-1.1000 руководство для технического персонала газовые настенные котлы 30 СХЕМА ПРИСОЕДИНЕНИЯ ВНЕШНЕГО БОЙЛЕРА Пояснения UB бойлер UR котел с контуром отопления M2, М 3 клеммные колодки М 2 и М 3 SB датчик NTC приоритета системы ГВС Р 1 насос гидравлической стрелки Р 2 насос системы ото...
Страница 33 - Таб
Luna HT 1.850-1.1000 руководство для технического персонала газовые настенные котлы 33 15. Установка параметров котла . Изменить параметры котла может только квалифицированный технический специалист . Для этого необходимо : а ) одновременно нажимайте ( примерно 3 сек ) кнопки , расположенные на пере...
Страница 37 - газ
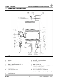
Luna HT 1.850-1.1000 руководство для технического персонала газовые настенные котлы 37 21. Функциональная схема Рис . 18 газ подача в систему отопления возврат из системы отопления Слив конденсата Обозначения : 1 спускной клапан котла 11 коллектор подачи газо - воздушной смеси 2 манометр 12 смесител...
Страница 39 - Модель; NO; Ed. 1-02/10 Cod. 912.959.1
Luna HT 1.850-1.1000 руководство для технического персонала газовые настенные котлы 39 23. Технические характеристики Модель котла LUNA HT 1.850 1.990* 1.1000 Категория II 2H3P II 2H3P II 2H3P Максимальная потребляемая тепловая мощность котла кВт 87,2 95,0 105,0 Минимальная потребляемая тепловая мощ...