Baxi BPI Eco 1.250 / 1.350 / 1.450 - Инструкция по эксплуатации

Baxi BPI Eco 1.250 / 1.350 / 1.450

Котел Baxi BPI Eco 1.250 / 1.350 / 1.450 - инструкция пользователя по применению, эксплуатации и установке на русском языке. Мы надеемся, она поможет вам решить возникшие у вас вопросы при эксплуатации техники.

Если остались дополнительные вопросы — свяжитесь с нами через контактную форму.

1 Страница 1
2 Страница 2
3 Страница 3
4 Страница 4
5 Страница 5
6 Страница 6
7 Страница 7
8 Страница 8
9 Страница 9
10 Страница 10
11 Страница 11
12 Страница 12
13 Страница 13
14 Страница 14
15 Страница 15
16 Страница 16
17 Страница 17
18 Страница 18
19 Страница 19
20 Страница 20
21 Страница 21
22 Страница 22
23 Страница 23
24 Страница 24
25 Страница 25
26 Страница 26
27 Страница 27
28 Страница 28
29 Страница 29
30 Страница 30
31 Страница 31
32 Страница 32
33 Страница 33
34 Страница 34
35 Страница 35
36 Страница 36
37 Страница 37
38 Страница 38
39 Страница 39
40 Страница 40
Страница: / 40

Содержание:

  • Страница 13 – УССКИЙ
  • Страница 15 – ТЕХНИЧЕСКИЕ ХАРАКТЕРИСТИКИ И РАЗМЕРЫ
  • Страница 16 – УСТАНОВКА ОБОРУДОВАНИЯ
  • Страница 20 – ЭКСПЛУАТАЦИЯ И ТЕХНИЧЕСКОЕ ОБСЛУЖИВАНИЕ
Загрузка инструкции

IT

RUS

FR

ENG

BPI-Eco

"Загрузка инструкции" означает, что нужно подождать пока файл загрузится и можно будет его читать онлайн. Некоторые инструкции очень большие и время их появления зависит от вашей скорости интернета.

Краткое содержание

Страница 13 - УССКИЙ

BPI-ECO - Р УССКИЙ СОДЕРЖАНИЕ 1 ПРЕДУПРЕЖДЕНИЯ ОБЩЕГО ХАРАКТЕРА . . . . . . . . . . . . . . . . . . . . . . . . . . . . . . . . . . . . . . . . . . . . 14 2 ПОСТАВКА . . . . . . . . . . . . . . . . . . . . . . . . . . . . . . . . . . . . . . . . . . . . . . . . . . . . . . . . . . . . . . . . . . . ...

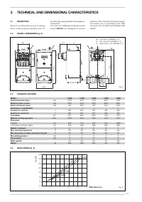
Страница 15 - ТЕХНИЧЕСКИЕ ХАРАКТЕРИСТИКИ И РАЗМЕРЫ

3 ТЕХНИЧЕСКИЕ ХАРАКТЕРИСТИКИ И РАЗМЕРЫ 3.1 ОПИСАНИЕ Д е р е в о - э т о о ч е н ь ц е н н ы йа л ь т е р н а т и в н ы й и с т о ч н и к э н е р г и и ,поэтому необходимо использовать его н а и л у ч ш и м о б ра з о м , с п р и м е н е н и е мадекватных технологий сгорания.Ч у г у н н ы е д р о в я...

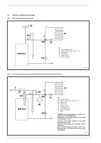
Страница 16 - УСТАНОВКА ОБОРУДОВАНИЯ

16 4.1 КОТЕЛЬНАЯ Следует убедиться в том, чтопомещение котельной отвечаеттребованиям действующих норм. Крометого необходимо обеспечитьвентиляцию помещения,предусмотренную для котельных.Соответственно, в стенах помещенияследует создать вентиляционныеотверстия, отвечающие следующимпараметрам:– На кажд...

Характеристики

Другие модели - Котлы Baxi

Все котлы Baxi