Страница 2 - эксклюзивный дистрибьютор; Представительство в России:; Г арантийный ремонт; СЕРВИС-ЦЕНТР “СтудиоСаунд Сервис”; Эксклюзивный импортер
TRIA International, Ltd. эксклюзивный дистрибьютор http://www.tria.ru Main office: 185 North Redwood Drive, ste 120, San Rafael California 94903 USA Tel.: 415.444.0820 Fax.: 415.499.8120 Представительство в России: Россия, 109088, Москва, ул. Угрешская, 14, стр.1, офис 414 Тел.: 7 495. 221.6465 Факс...
Страница 3 - РУССКИЙ; эксплуатации; ПРЕДУПРЕЖДЕНИЕ
1 -RU РУССКИЙ СодержаниеИнструкция по эксплуатации ПРЕДУПРЕЖДЕНИЕ ПРЕДУПРЕЖДЕНИЕ .............................. 4ВНИМАНИЕ ............................................. 4МЕРЫ ПРЕДОСТОРОЖНОСТИ ............ 5Диски, воспроизводимые на этом устройстве ........................................... 6 Приступ...
Страница 5 - Установка и соединения
3 -RU Настройка временной коррекции (Time Correction) .................................... 46 Настройка временной коррекции вручную (TCR) ......................................................... 46 Настройки графического эквалайзера ... 46Настройки параметрического эквалайзера ........................
Страница 6 - Инструкция по эксплуатации; НЕ РАЗБИРАТЬ И НЕ ИЗМЕНЯТЬ.
4 -RU Инструкция по эксплуатации УСТАНАВЛИВАЙТЕ ДАННЫЙ ПРОДУКТ ТАКИМ ОБРАЗОМ, ЧТОБЫ ВОДИТЕЛЬ НЕ МОГ ВИДЕТЬ ЭКРАН, ЕСЛИ АВТОМОБИЛЬ НЕ ОСТАНОВЛЕН И НЕ ЗАДЕЙСТВОВАН СТОЯНОЧНЫЙ ТОРМОЗ. Просмотр водителем телевизионных программ или видео в процессе вождения опасен. Неправильная установка этого продукта п...
Страница 7 - МЕРЫ ПРЕДОСТОРОЖНОСТИ
5 -RU МЕРЫ ПРЕДОСТОРОЖНОСТИ Очистка продукта Используйте мягкую сухую тряпку для периодической очистки данного продукта. Для удаления более серьезных пятен намочите тряпку, используя только воду. При использовании других средств можно растворить краску или повредить пластик. Температура Прежде чем в...
Страница 8 - Диски, воспроизводимые на; Воспроизводимые диски
6 -RU Принадлежности для дисков На рынке доступны различные принадлежности для защиты поверхности дисков и улучшения качества звучания. Однако большинство из них влияет на толщину и/или диаметр диска. Использование таких принадлежностей может привести к тому, что диск перестанет соответствовать стан...
Страница 9 - Советы по созданию собственных компакт-дисков; ALL
7 -RU Диски, воспроизведение которых не поддерживается DVD-ROM, DVD-RAM, CD-ROM (за исключением файлов MP3/WMA/AAC), фото CD и т. д. DualDisc Это устройство не поддерживает стандарт DualDisc.Использование дисков стандарта DualDisc может повредить устройство и привести к повреждению самого диска при ...
Страница 10 - Терминология
8 -RU Использование дисков DVD-R/DVD-RW/DVD+R/DVD+RW • Это устройство поддерживает воспроизведение дисков, записанных в стандартных форматах DVD-Video и DVD-VR (только для DVD-R/DVD-RW). • Обратите внимание, что нефинализированные диски (созданные для воспроизведения на проигрывателях DVD-дисков тол...
Страница 11 - Комплектация; Расположение элементов управления; Приступая к работе
9 -RU Комплектация • Головное устройство .........................................................1• Кабель питания ..................................................................1• Кабель Pre OUT/AUX .........................................................1• Монтажная коробка .....................
Страница 13 - Работа с СЕНСОРНОЙ ПАНЕЛЬЮ
11 -RU Перевод монитора в горизонтальное положение При необходимости воспользоваться некоторыми функциями автомобиля (кондиционер воздуха и т. д.), которые блокируются поднятым монитором, используйте эту функцию. 1 При открытии монитора нажмите кнопку OPEN (FLAT). Монитор переведется в горизонтально...
Страница 14 - Прослушивание радио; Радио
12 -RU • При подключении совместимого с шиной Ai-NET дополнительного DVD-плеера или DVD-чейнджера AUX отображается на экране как “EXT. DVD” или “DVD CHG.” • При одновременном подключении совместимых с шиной Ai-NET дополнительного DVD-плеера и DVD-чейнджера AUX отображается на экране как “EXT. DVD”, ...
Страница 15 - Работа RDS
13 -RU Сохранение в памяти пердустановленных станций вручную 1 Настройте радиостанцию, которую требуется сохранить в памяти, в ручном или автоматическом режиме. 2 Нажмите кнопку [P1/2], чтобы изменить строку функций. 3 Нажмите и удерживайте нажатой одну из кнопок предварительной настройки от [P.SET1...
Страница 16 - Режим приоритетного приема новостей
14 -RU Прием информации о ситуации на дорогах Нажмите кнопку TA (Ручку управления), чтобы перейти в режим приема информации о трафике. Если приемник настроен на станцию, передающую информацию о ситуации на дорогах, загорается индикатор TA. Информацию о ситуации на дорогах можно получить, только если...
Страница 18 - Воспроизведение; Повторное воспроизведение
16 -RU Воспроизведение 1 Нажмите кнопку [SOURCE] на экране выбора основного источника. Откроется экран SOURCE для выбора источника. 2 Нажмите кнопку [DVD PLAYER]. Появится экран DVD. После установки диска CD/MP3/WMA/AAC в слот для дисков устройства IVA-D106R лицевой стороной вверх начнется воспроизв...
Страница 21 - Отображение экрана режима DVD
19 -RU Воспроизведение диска В устройство IVA-D106R встроен проигрыватель дисков DVD. При подключении приобретаемого дополнительно проигрывателя DVD/Video CD/CD Alpine (или DVD-чейнджера) к IVA-D106R, им можно управлять с помощью устройства IVA-D106R. (за исключением некоторых операций) • При попытк...
Страница 22 - Отображение экрана главного меню
20 -RU 1 Нажмите кнопку [KEY]. Откроется режим управления меню. 2 Выберите требуемый пункт меню, нажав кнопку [ ], [ ], [ ] или [ ] . 3 Нажмите кнопку [ENTER], чтобы подтвердить выбор. Операции ввода с цифровой клавиатуры 1 Нажмите кнопку [KEY]. Откроется режим управления меню. 2 Нажмите кнопку [KEY...
Страница 23 - Поиск по программе; Остановка воспроизведения; Перемотка вперед/назад
21 -RU Поиск по программе 1 Нажмите кнопку [TOP MENU] на главном экране режима DVD при воспроизведении диска DVD-VR. Откроется экран поиска списка программ. 2 Нажмите кнопку [ ] на программе, которую требуется воспроизвести. Начнется воспроизведение выбранной программы, затем произойдет переход на г...
Страница 24 - Замедленное воспроизведение; Выбор папки
22 -RU Воспроизведение неподвижного стоп-кадра (пауза) 1 Во время воспроизведения нажмите кнопку [ / ]. 2 Чтобы возобновить воспроизведение, нажмите кнопку [ / ]. • Во время отображения неподвижного кадра звук не воспроизводится. • При запуске воспроизведения из режима паузы возможно кратковременное...
Страница 26 - Переключение угла просмотра; Выбор языка звуковой дорожки
24 -RU Поиск по номеру эпизода/группы/программы/списка воспроизведения/папки Используйте эту функцию для быстрого перемещения в начало эпизодов, треков, групп и плей-листов. 1 Нажмите кнопку [P1/2] * в режиме остановки воспроизведения. Откроется строка функций. * Вид экрана может отличаться в соотве...
Страница 27 - Информация о дисках DivX; Переключение из меню диска
25 -RU Диски Video CD или DVD-VR с объединением звуковых каналов 1 Во время воспроизведения нажмите кнопку [P1/2] * 2 . Строка функций изменится соответствующим образом. * 2 Нажмите кнопку [P1/3] во время воспроизведения диска DVD-VR. 2 Нажмите кнопку [AUDIO] * 3 . Каждый раз при нажатии кнопки буде...
Страница 28 - фейдера, тембров ВЧ и НЧ, фильтра высоких
26 -RU Настройка звука (настройка баланса/ фейдера, тембров ВЧ и НЧ, фильтра высоких частот, сабвуфера, громкость голосовых сообщений (NAV. LEVEL) функции Defeat) 1 Нажмите кнопку [SETUP] (настройка). Откроется экран SETUP для выбора настроек. 2 Нажмите кнопку [ ] в строке AUDIO SETUP или нажмите и ...
Страница 29 - Функция поиска
27 -RU Включение и выключение сабвуфера Нажмите кнопку [ ] или [ ] в строке SUBWOOFER, чтобы установить значение ON или OFF. Настройка уровня сабвуфера Этот пункт отображается, если в разделе “Включение и выключение сабвуфера” установлено значение ON. Эта настройка невозможна, если подключен внешний...
Страница 31 - Отмена функции “Simultaneous”
29 -RU Переключение только видео источника (функция “Simultaneous”) Можно просматривать видеосигнал, поступающий от одного источника, одновременно прослушивая аудиосигнал, поступающий от другого источника. 1 Нажмите кнопку [VISUAL] на экране источника звука. Откроется экран выбора VISUAL. 2 Коснитес...
Страница 32 - Операция настройки DVD-проигрывателя; Настройка; Изменение настроек языка
30 -RU Операция настройки DVD-проигрывателя Операцию настройки DVD-проигрывателя можно выполнить после извлечения диска из устройства. 1 Нажмите кнопку [SETUP] на экране главного источника. Откроется экран SETUP для выбора настроек. 2 Нажмите кнопку [ ] в строке SOURCE SETUP. Откроется экран SOURCE ...
Страница 33 - Настройка языка субтитров; Изменение настройки цифрового выхода
31 -RU Используется для выбора языка субтитров, отображаемых на экране. Настройка: SUBT. LANGUAGEНастройки: AUTO / EN / JP / DE / ES / FR / IT / SE / RU / CN • При установке значения “AUTO” используется первый из записанных языков субтитров. Воспроизведение на языке, не входящем в список отображаемы...
Страница 35 - Изменение настроек экрана ТВ
33 -RU Эта функция применяется к форматам звука Dolby Digital, DTS. Настройка: DOWNMIX MODEЗначения: SURROUND/STEREO Используйте описанную ниже процедуру для настройки экрана с учетом используемого монитора ТВ (заднего монитора).Эту настройку можно также применить к устройству IVA-D106R.Если задний ...
Страница 36 - Операции по настройки радио; Настройка радио; Отображение RDS времени
34 -RU Если на диске расположены сжатые видеофайлы и сжатые аудиофайлы, можно выбрать воспроизведение только видео или только звука. Настройка: DVD PLAY MODEЗначения: VIDEO/AUDIO При использовании дисков, содержащие звуковые данные и данные MP3/WMA/AAC. Настройка: FILE PLAY MODEЗначения: CD/CMPM • П...
Страница 37 - Режим PI SEEK; Основные настройки; Отображение времени
35 -RU Если различие в уровнях громкости CD и FM-радио слишком велико, настройте уровень FM-сигнала следующим образом. Настройка: FM LEVELЗначения: LOW/HIGH Настройка: PI SEEKЗначения: OFF/AUTO При выборе значения OFF устройство автоматически продолжает принимать сигнал соответствующей местной RDS-с...
Страница 38 - Настройка времени; Настройка перехода на летнее время; Переключение на русский шрифт
36 -RU Настройка: CLOCK ADJUSTДальнейшие элементы настройки: HOUR/MINUTE/TIME ADJUST Значения: 0-23/0-59/RESET • Режим настройки времени отменяется при отключении питания и при нажатии кнопки [RETURN] . Настройка: DAYLIGHT SAVING TIMEЗначения: OFF/ON Это устройство оснащено функцией демонстрации, по...
Страница 39 - Операции с системными настройками; Системные настройки; Переключение функции датчика ДУ
37 -RU Операции с системными настройками 1 Нажмите кнопку [SETUP] на экране главного источника. Откроется экран SETUP для выбора настроек. 2 Нажмите кнопку [ ] в строке SYSTEM SETUP. Откроется экран настроек SYSTEM. 3 Нажмите кнопку [ ] или [ ] чтобы изменить настройки требуемого элемента. Настройки...
Страница 40 - Настройка режима навигации
38 -RU При подключении дополнительного навигационного оборудования установите значение ON. Настройка: NAV. INЗначения: OFF/ON При подключении системы навигации Alpine к устройству IVA-D106R голосовые сообщения системы навигации будут накладываться на воспроизведение радиотрансляции или компакт-диска...
Страница 41 - Настройка Bluetooth соединения
39 -RU Используется для вывода изображений и звука выбранного на устройстве IVA-D106R источника при подключении к заднему монитору. Настройка: AUX OUTЗначения: OFF/ON Настройка: BLUETOOTH INЗначения: OFF/NAV./ADAPTER • Подробную информацию о работе с Bluetooth см. в руководстве по работе с Bluetooth...
Страница 42 - Настройки дисплея; Изменение угла наклона монитора
40 -RU Операции по измененнию настроек дисплея 1 Нажмите кнопку [SETUP] на экране главного источника. Откроется экран SETUP для выбора настроек. 2 Нажмите кнопку [ ] в строке DISPLAY SETUP. Откроется экран настроек DISPLAY. 3 Нажмите кнопку [ ] или [ ] и т. д., чтобы изменить настройки требуемого эл...
Страница 43 - Операция настройки Visual EQ; Выбор цвета подсветки шрифта
41 -RU Фоновые изображения будут автоматически изменяться при каждом выключении и последующем включении зажигания. Настройка: AUTO BACKGROUNDЗначения: OFF/ON • Открываются фоновые изображения, загруженные в разделе “Загрузка данных фона (BACKGROUND)” (стр. 43). Для цвета фона шрифта можно установить...
Страница 45 - Загрузка данных
43 -RU Загрузка данных фона (BACKGROUND) Можно загрузить данные (с веб-сайта Alpine) в корневую папку диска CD-R/CD-RW и перенести их в устройство IVA-D106R.Для начала загрузки BACKGROUND (фона) перейдите по следующей ссылке и следуйте инструкциям на экране. http://www.alpine.com или http://www.alpi...
Страница 46 - Настройка режима MultEQ; Настройка уровня MX
44 -RU Компания Alpine представляет технологию IMPRINT - первую в мире технологию надежного устранения акустических проблем в салоне автомобиля, как правило снижающих качество звучания, позволяющую прослушивать музыкальные композиции с первоначальным качеством исполнения. Дополнительную информацию с...
Страница 47 - Настройка КРОССОВЕРА
45 -RU 2 Нажмите кнопку [ ] после выбора значения ON (ВКЛ.) Откроется экран настроек Media Xpander. 3 Нажмите кнопку [ ] или [ ] требуемого режима MX. • Можно установить уровень источника звука (например, радиовещания и компакт-дисков, за исключением средневолнового и длинноволнового диапазонов). MX...
Страница 48 - Настройки графического эквалайзера
46 -RU • Перед настройкой проверьте частоты воспроизведения подключенных динамиков. • При настройке параметра кроссовера (X-over) необходимо учитывать частотные характеристики подключенных динамиков. • О 2.2-канальной системе (3WAY)/4.2-канальной системе (FRONT/REAR/SUBW.)С помощью переключателя 2.2...
Страница 49 - Сохранение настроек в памяти; Восстановление предварительной настройки
47 -RU Настройка частоты Настройки: BAND 1: 20 Гц~80 ГцBAND 2: 50 Гц~200 ГцBAND 3: 125 Гц~3,2 кГцBAND 4: 315 Гц~8 кГцBAND 5: 800 Гц~20 кГц Нажмите кнопку [ ] или [ ] в строке FREQ., затем выберите частоту выбранного диапазона. Настройка уровня Настройки: от -6 дБ до +6 дБ Нажмите кнопку [ ] или [ ] ...
Страница 50 - Информация о временной коррекции; Пример 2. Точка прослушивания: все сидения
48 -RU Информация о временной коррекции Расстояние между слушателем и динамиками в салоне автомобиля меняется в широких пределах из-за нестандартного расположения динамиков. Из-за разницы в расстояниях между динамиками и слушателем происходит смещение звукового образа и частотных характеристик. Прич...
Страница 51 - Информация о кроссовере
49 -RU Информация о кроссовере Кроссовер (X-OVER): Это устройство позволяет ограничивать частоты поспупающие на выход устройства. Каждый канал управляется независимо. Таким образом, каждая пара динамиков воспроизводит только те частоты, на которые она расчитана. Кроссовер позволяет задействовать фил...
Страница 52 - Информация о технологии IMPRINT; ВИДЕНИЕ И РЕАЛЬНОСТЬ
50 -RU Информация о технологии IMPRINT Все выдающиеся музыкальные произведения начинаются с их видения автором. После бесконечных репетиций, записи и микширования авторское видение переносится на диск, в радиопрограммы и прочие носители. Но действительно ли прослушиваемые композиции соответствуют из...
Страница 53 - Настройка внешнего аудиопроцессора
51 -RU Управлять подключенным совместимым внешним аудиопроцессором можно с помощью этого устройства. Некоторым аудиопроцессорам требуется подключенный контроллер. Ниже приводится пример работы с подключенными блоками PXA-H700 или PXA-H701. Дополнительную информацию см. в инструкции по эксплуатации п...
Страница 54 - Настройка динамиков
52 -RU Настройка динамиков Настройка: SPEAKER SELECT Выберите подключенный динамик, коснувшись соответствующей кнопки [ ] или [ ]. • Установите для неподключенного динамика значение OFF. • Описанные настройки можно выполнить, даже если для динамика установлено значение OFF в разделе “Настройка динам...
Страница 56 - Регулировка фазы
54 -RU Регулировка фазы Настройка: PHASE Переключите фазу (0° или 180°), нажав кнопки [ ] или [ ] требуемого динамика. Настройки графического эквалайзера Графический эквалайзер позволяет изменять звук для передних (левого и правого), задних (левого и правого) и центрального динамиков в 31 полосе час...
Страница 57 - Настройка режима управления басом; Настройка Dolby Digital; Настройка режима “Bass Compressor”
55 -RU Настройка режима управления басом Настройка: BASS SOUND CONT. Нажмите кнопку [ ] в строке BASS SOUND CONT. Откроется экран настроек баса. Можно настроить звучание нижних частот по своему желанию. Нажмите кнопку [ ] или [ ] в строке BASS COMP., чтобы выбрать требуемый режим. При последовательн...
Страница 58 - Настройка уровня DVD
56 -RU В большинстве случаев центральный динамик устанавливается ровно посередине между водителем и передним пассажиром. С помощью этой функции информация центрального канала передается на левый и правый динамики. Таким образом создается звуковая сцена, при котором центральный динамик как бы располо...
Страница 59 - Использование режима Pro Logic II; Настройка линейного СИГНАЛА PCM
57 -RU Сохранение настроек в памяти Значения настроек можно сохранить.Сохраняемое содержимое зависит от используемого аудиопроцессора. 1 Нажмите кнопку [MEMORY] на экране списка A.PROCESSOR. 2 В течение 5 секунд коснитесь одной из кнопок предварительных настроек [P.SET 1] – [P.SET 6] в списке A.PROC...
Страница 62 - iPod
60 -RU Управление несколькими чейнджерами (продаются отдельно) При использовании специального комутационного устройства KCA-410C (Versatile Link Terminal) можно подключить два чейнджера. 1 В режиме чейнджера нажмите кнопку [CHG SEL] или нажмите кнопку BAND на устройстве, чтобы выбрать следующий чейн...
Страница 63 - подкаста; Поиск по имени исполнителя
61 -RU Поиск нужной композиции iPod-устройство может содержать сотни композиций. Вы можете значительно облегчить процедуру поиска необходимых песен, используя сопроводительные файловые теги и сгрупировав записанные песни в плей-листы. Каждая музыкальная категория имеет свою собственную иерархическую...
Страница 64 - О дисках DVD; Информация
62 -RU Воспроизведение в случайном порядке (M.I.X.) Функция воспроизведения в случайном порядке песен, записанных на iPod-плеере отображается как M.I.X. на экране устройства IVA-D106R. В случайном порядке ВСЕ: В этом случае все композиции из данного iPod-плеера воспроизводятся в случайном порядке. Н...
Страница 73 - ТЕХНИЧЕСКИЕ ХАРАКТЕРИСТИКИ; CLASS 1
71 -RU ТЕХНИЧЕСКИЕ ХАРАКТЕРИСТИКИ МОНИТОР FM-ТЮНЕР MW-ТЮНЕР LW-ТЮНЕР CD/DVD Оптический звукосниматель ОБЩИЕ РАЗМЕР КОРПУСА (МОНИТОР) • Из-за непрерывного совершенствования продукта его технические характеристики и дизайн могут изменяться без предварительного уведомления. • Панель LCD изготовлена по ...
Страница 74 - ПРЕДОСТЕРЕЖЕНИЯ; ВЫПОЛНЯЙТЕ ПРАВИЛЬНЫЕ ПОДКЛЮЧЕНИЯ.; НЕ УСТАНАВЛИВАЙТЕ УСТРОЙСТВО В МЕСТАХ, ГДЕ ОНО МОЖЕТ; Меры предосторожности
72 -RU Установка и соединения Чтобы правильно использовать устройство, перед его установкой и подключением ознакомьтесь с информацией из данного руководства, представленной ниже, а также на страницах 4 – 8. ПРЕДОСТЕРЕЖЕНИЯ ВЫПОЛНЯЙТЕ ПРАВИЛЬНЫЕ ПОДКЛЮЧЕНИЯ. Неправильное подключение может привести к ...
Страница 75 - Установка
73 -RU Установка Установка монитора Место установки Прежде чем определить место для установки, убедитесь, что открытие и закрытие дисплея не будет препятствовать перемещению рычага переключения передач. • Устанавливайте под углом не более 30 градусов от горизонтали. • Угол поворота монитора, установ...
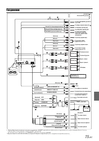
Страница 77 - Соединения
75 -RU Соединения • Переведите переключатель системы в положение “NORM” при подключении только устройства для смены компакт-дисков (если не используется совместимый с шиной Ai-NET эквалайзер). Если подключен аудиопроцессор IMPRINT, выберите положение EQ/DIV. * Переключатели системы находятся на прав...
Страница 79 - Пример системы
77 -RU Пример системы • При подключении совместимого с цифровым оптическим входом устройства необходимо установить режим работы этого устройства. См.“Настройка цифрового выхода” (стр. 39) . • Для подключения в качестве системы навигации NVE-N055PS используйте кабель преобразования RGB KCE-030N (прио...