Страница 2 - эксклюзивный дистрибьютор; Представительство в России:; Гарантийный ремонт; СЕРВИС-ЦЕНТР “СтудиоСаунд Сервис”; Эксклюзивный импортер
TRIA International, Ltd. эксклюзивный дистрибьютор http://www.tria.ru Main office: 185 North Redwood Drive, ste 120, San Rafael California 94903 USA Tel.: 415.444.0820 Fax.: 415.499.8120 Представительство в России: Россия, 109088, Москва, ул. Угрешская, 14, стр.1, офис 414 Тел.: 7 495. 221.6465 Факс...
Страница 3 - Содержание; РУССКИЙ
1 -RU Содержание РУССКИЙ Руководство по использованию ПРЕДУПРЕЖДЕНИЕ ПРЕДУПРЕЖДЕНИЕ ...................................... 4ОСТОРОЖНО ................................................ 4МЕРЫ ПРЕДОСТОРОЖНОСТИ .................... 4 Приступая к работе Список компонентов ....................................
Страница 4 - Меню SETUP
2 -RU Содержание РУССКИЙ Меню SETUP Настройка .................................................................. 18 Настройка BLUETOOTH .................................... 19 Настройка соединения BLUETOOTH (BT IN) .............................................................................19 Настр...
Страница 5 - Информация; Установка и соединения
3 -RU Содержание РУССКИЙ Информация При возникновении трудностей..................... 31 Основные функции ........................................... 31Радио ....................................................................... 31Компакт-диск ..........................................................
Страница 6 - Руководство по использованию; ПРЕДУПРЕЖДЕНИЕ
4 -RU Руководство по использованию ПРЕДУПРЕЖДЕНИЕ Этот символ обозначает важные инструкции. Их несоблюдение может привести к серьезному телесному повреждению или смерти. НЕ ПРЕДПРИНИМАЙТЕ НИКАКИХ ДЕЙСТВИЙ, КОТОРЫЕ МОГУТ ОТВЛЕЧЬ ВАС ОТ БЕЗОПАСНОГО ВОЖДЕНИЯ АВТОМОБИЛЯ. Любые действия, отвлекающие вн...
Страница 8 - О носителях, которые можно воспроизводить; ОСТОРОЖНО
6 -RU солнечных лучей. Жара и влажность могут повредить компакт-диск настолько, что его нельзя будет проигрывать. Для клиентов, использующих диски CD-R/CD-RW • Если не удается воспроизвести диск CD-R/CD-RW, убедитесь в том, последний сеанс записи закрыт (завершен). • При необходимости завершите сеан...
Страница 9 - Нажмите; Нажмите и удерживайте кнопку; Выбор источника; Нажмите кнопку; Приступая к работе
7 -RU * Рисунок относится к модели CDE-114BTi. Список компонентов • Основной блок........................................................................ 1• Кабель питания ...................................................................... 1• Соединительный кабель FULL SPEED (CDE-112Ri/CDE-114BTi...
Страница 10 - Снятие и установка передней панели; Первоначальный запуск системы; RESET; Настройка уровня громкости; SETUP; Примечания; Снятие
8 -RU *4 См. в разделе “Использование входного разъема AUX (только для моделей CDE-112Ri/CDE-113BT/CDE-114BTi)” на стр. 17. Снятие и установка передней панели 1 Выключите питание устройства. 2 Нажимайте кнопку (Снятие панели) в нижнем левом углу, пока не выдвинется передняя панель. 3 Возьмите пере...
Страница 11 - Прослушивание радио; SOURCE; TUNE; BAND; Радио
9 -RU * Рисунок относится к модели CDE-114BTi. Прослушивание радио 1 Нажмите SOURCE , чтобы выбрать режим TUNER. 2 Нажимайте кнопку BAND TA несколько раз, пока не будет выбран нужный радиодиапазон. F1 (FM1) F2 (FM2) F3 (FM3) MW LW F1 (FM1) 3 Нажмите TUNE A.ME , чтобы выбрать режим н...
Страница 12 - RDS
10 -RU * Рисунок относится к модели CDE-114BTi. Установка режима приема RDS и прием RDS-станций RDS (Radio Data System) - это система радиоинформации, использующая поднесущую частоту 57 кГц обычного FM-радиовещания. Функция RDS позволяет принимать различную информацию, например, сведения о трафике, ...
Страница 13 - Режим PI SEEK; Прием информации о трафике
11 -RU Режим PI SEEK 1 Нажмите и удерживайте кнопку FUNC. SETUP не менее 2 секунд, чтобы включить режим SETUP. 2 Повернув Rotary encoder , выберите режим PI SEEK, а затем нажмите кнопку ENT . 3 Поверните Rotary encoder в положение ON или OFF. 4 Нажмите и удерживайте кнопку FUNC. SETUP не мене...
Страница 14 - Воспроизведение; ENT; Многократное воспроизведение
12 -RU * Рисунок относится к модели CDE-114BTi. Воспроизведение В представленной ниже таблице указаны типы дисков, которые можно воспроизводить на определенных моделях. 1 Вставьте диск лицевой стороной вверх. Диск будет втянут в устройство автоматически. Примечание • Если диск уже вставлен, нажмите ...
Страница 15 - Быстрый поиск; Режим поиска имени папки
13 -RU Поиск в текстовой информации о компакт-диске На дисках, поддерживающих текстовую информацию, поиск музыкальных композиций можно выполнять по текстовым заголовкам. На дисках, не поддерживающих текстовую информацию, поиск выполняется по номерам фрагментов, присвоенным каждой музыкальной компози...
Страница 16 - Терминология
14 -RU компакт-дисках. MP3-формат реализует такой коэффициент сжатия за счет удаления звуков, которые либо не слышны для человеческого слуха, либо маскируются другими звуками. Что такое WMA? WMA или “Windows Media™ Audio” – это формат сжатых звуковых данных.Аудиоданные WMA аналогичны MP3 и позволяют...
Страница 17 - Поворачивая; Настройка звука
15 -RU Частота дискретизации Это значение показывает, сколько раз в секунду делается выборка (запись) данных. Например, в музыкальном компакт-диске частота дискретизации равна 44,1 кГц, поэтому выборка (запись) звука делается 44100 раз в секунду. Более высокая частота дискретизации означает более вы...
Страница 18 - Настройка центральной низкой частоты; Настройка диапазона нижних частот; Настройка центральной высокой частоты; Настройка уровня высоких частот; Настройка регулировки нижних частот
16 -RU 1 Нажмите кнопку SOUND , чтобы выбрать нужный режим настройки звука. BASS TREBLE HPF BASS 2 Поверните Rotary encoder или нажмите кнопку BAND TA , SOURCE и т.д, чтобы изменить настройку. 3 Нажмите и удерживайте кнопку ESC не менее 2 секунд, чтобы вернуться к обычному режиму. ...
Страница 19 - Отображение текста; Другие функции; Об отображении индикаторов; О текстовом “режиме”
17 -RU * Рисунок относится к модели CDE-114BTi. Отображение текста Текстовая информация, такая как название диска или фрагмента, отображается в случае проигрывания компакт-диска, поддерживающего текстовую информацию. Кроме того, при воспроизведении файлов MP3/WMA/AAC на экран можно выводить имя папк...
Страница 20 - Настройка
18 -RU 1 Нажмите кнопку SOURCE и выберите режим AUX, чтобы прослушать переносное устройство. Примечание • Если USB-накопитель напрямую подсоединен к терминалу USB то его размер или форма может мешать управлению, поэтому не подсоединяйте одновременно USB-накопитель и устройство к входному разъему ...
Страница 21 - Регулировка уровней сигналов источников; В обычном режиме повторно нажимайте; Настройка сабвуфера; Настройка прокрутки текста; Настройка BLUETOOTH
19 -RU Настройка соединения BLUETOOTH (BT IN) Используя технологию BLUETOOTH, можно осуществить вызов по мобильному телефону с поддержкой BLUETOOTH с использованием функции “Свободные руки”. Элемент настройки: BT IN Значения: BT ADAPTER *1 / BT OFF *1 BT ADAPTER: CDE-111R/CDE-111RM/CDE-112Ri *2−*3...
Страница 22 - Режим Демо
20 -RU информацию файлов MP3/WMA/AAC, имена папок и содержимое тегов. Элемент настройки: TEXT SCR Значения: SCR AUTO / SCR MANU (начальная настройка) SCR AUTO: Текстовая информация о компакт-диске, текстовая информация о папках и имена файлов прокручиваются автоматически. SCR MANU: Текстовая инфор...
Страница 23 - Настройка режима AUX+ SETUP; Внешнее устройство
21 -RU Включение и выключение режима Mute (INT MUTE) Если подключено устройство с функцией прерывания, то звук будет автоматически отключаться при приеме сигнала прерывания с этого устройства. Элемент настройки: INT MUTE Значения: MUTE ON / MUTE OFF (начальная настройка) Подключение к внешнему уси...
Страница 24 - Настройка перед использованием; О BLUETOOTH
22 -RU * Рисунок относится к модели CDE-114BTi. Настройка перед использованием BLUETOOTH - это беспроводная технология, которая позволяет устанавливать связь между мобильным устройством или персональным компьютером на небольших расстояниях. С помощью этой технологии можно осуществить вызов по мобиль...
Страница 25 - НАСТРОЙКА BLUETOOTH; Настройка устройства BLUETOOTH; Удаление устройства BLUETOOTH из списка; Операция настройки BLUETOOTH
23 -RU НАСТРОЙКА BLUETOOTH Действия 1 - 4 являются общими для различных функций BLUETOOTH. Подробную информацию см. в описании отдельной функции. Примечания • Во время вызова не удастся выполнить операцию настройки BLUETOOTH. • Задайте для параметра “BT IN” значение BT ADAPTER, а затем выполните опе...
Страница 26 - Выбор динамика для вывода сигнала; Обновление программного обеспечения; Функция телефона Hands-Free; О функции телефона Hands-Free
24 -RU Примечание • Эту настройку не удастся выполнить при выполнении телефонного вызова. Выполните ее перед выполнением вызова. Выбор динамика для вывода сигнала Для вывода сигнала с телефона можно выбрать подключенный в машине динамик. Элемент настройки: SPEAKER SL Значения: ALL / F-L / F-R / F-...
Страница 27 - Набор номера из журнала входящих вызовов; Набор номера из телефонной книги; Голосовой набор номера; VOICE DIAL
25 -RU 2 Поверните Rotary encoder , чтобы выбрать режим исходящего вызова. Элемент настройки: Режим исходящего вызова Значения: DIALED / RECEIVED / MISSED / PHONE BOOK DIALED: Журнал набранных номеров RECEIVED: Журнал принятых вызовов MISSED: Журнал пропущенных входящих вызовов PHONE BOOK: Телефон...
Страница 28 - Rotary; Операция переключения вызовов
26 -RU телефона. Подробную информацию см. в руководстве пользователя мобильного телефона. • Если названное имя не обнаружено, в течение 2 секунд будет отображаться “NO CALL”. • При выполнении вызова с помощью голосового набора отобразить номер телефона или имя не удастся. Настройка громкости во врем...
Страница 29 - Подсоединение iPhone/iPod; Подключите USB-накопитель
27 -RU Подключение USB-накопителя (приобретается дополнительно) 1 Откройте крышку терминала USB. 2 Вставьте USB-накопитель в терминал USB напрямую или через кабель USB. 1 Осторожно извлеките USB-накопитель из кабеля USB или терминала USB. 2 Закройте крышку терминала USB. Примечания • Выберите другой...
Страница 30 - Поиск нужной композиции
28 -RU iPod nano (4-е поколение): версия1.0.3iPod classic (120 ГБ): версия 2.0.1iPod touch (1-е поколение): версия 2.2iPod nano (3-е поколение): версия 2.0iPod classic (80 ГБ, 160 ГБ): версия 1.1.2iPod nano (2-е поколение): версия 1.1.3iPod с поддержкой видео: версия 1.3iPod nano (1-е поколение): ве...
Страница 31 - Функция прямого поиска; preset
29 -RU воспроизведение всех композиций из данного устройства iPhone/iPod. • Поддержка поиска PODCAST зависит от устройства iPhone/ iPod. • Если в данном режиме поиска нажата одна из preset buttons (1 through 6) , поиск можно ускорить, перейдя в указанное место. Более подробную информацию см. в разде...
Страница 33 - При возникновении трудностей; Основные функции
31 -RU При возникновении трудностей При обнаружении проблемы, выключите, а затем включите питание. Если устройство все равно работает неправильно, просмотрите элементы следующего контрольного списка. Данное руководство поможет справиться с проблемой в случае неисправности устройства. В противном слу...
Страница 34 - Индикатор USB-накопителя; UNIT ERROR
32 -RU Описание сброса устройства iPod см. в руководстве пользователя данного устройства. • Не вставлен компакт-диск. – Вставьте компакт-диск. • Диск вставлен, но на экране отображается сообщение “NO DISC”, а устройство не начинает воспроизведение или выброс диска.– Извлеките диск с помощью следующи...
Страница 35 - Технические характеристики; РАЗДЕЛ USB; Режим BLUETOOTH
33 -RU • Ошибка связи. – Выключите, а затем снова включите зажигание.– Сбросьте настройки iPod.– Проверьте содержимое экрана при повторном подключении устройства iPhone/iPod к данному устройству с помощью кабеля iPhone/iPod. • Данная версия программного обеспечения iPhone/iPod не совместима с данным...
Страница 36 - CLASS 1
34 -RU РАЗМЕР КОРПУСА РАЗМЕР ДЕРЖАТЕЛЯ Примечание • Из-за непрерывного совершенствования продукта его технические характеристики и дизайн могут изменяться без предварительного уведомления. ОСТОРОЖНО Максимальная выходная мощность 50 Вт × 4 Максимальное напряжение линейного выхода 2 В/10000 Ом Низк...
Страница 37 - ВЫПОЛНЯЙТЕ ПРАВИЛЬНЫЕ ПОДКЛЮЧЕНИЯ.
35 -RU Установка и соединения Чтобы правильно использовать устройство, прочитайте следующие разделы и см. в разделе “Руководство по использованию” на стр. 4 для получения информации о надлежащем использовании. ПРЕДУПРЕЖДЕНИЕ ВЫПОЛНЯЙТЕ ПРАВИЛЬНЫЕ ПОДКЛЮЧЕНИЯ. Неправильное подключение может привест...
Страница 38 - Установка
36 -RU устройству. При подключении моделей CDE-111R/CDE-111RM/CDE-112Ri/CDE-113BT/CDE-114BTi к блоку плавких предохранителей убедитесь в том, что предохранители, предназначенные для контуров моделей CDE-111R/CDE-111RM/CDE-112Ri/CDE-113BT/CDE-114BTi рассчитаны на соответствующую амперную нагрузку. Не...
Страница 39 - Удалите съемную переднюю панель.; Удаление
37 -RU 3 Вставьте модель CDE-111R/CDE-111RM/CDE-112Ri/CDE-113BT/CDE-114BTi в приборную панель. После установки устройства убедитесь в том, что стопорные штифты целиком сидят в нижнем положении. Для этого сильно нажмите на устройство, одновременно толкая стопорный штифт вниз с помощью маленькой отвер...
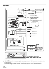
Страница 40 - Соединения
38 -RU Соединения *1 Если сабвуфер выключен (установлено значение OFF), выход задних динамиков. Если сабвуфер включен (установлено значение ON), выход сабвуфера. *2 Если сабвуфер выключен (установлено значение OFF), выход для передних динамиков. Если сабвуфер включен (установлено значение ON), выход...