Bosch Tronic Heat 3500 6 - Инструкция по эксплуатации

Bosch Tronic Heat 3500 6

Котел Bosch Tronic Heat 3500 6 - инструкция пользователя по применению, эксплуатации и установке на русском языке. Мы надеемся, она поможет вам решить возникшие у вас вопросы при эксплуатации техники.

Если остались дополнительные вопросы — свяжитесь с нами через контактную форму.

1 Страница 1
2 Страница 2
3 Страница 3
4 Страница 4
5 Страница 5
6 Страница 6
7 Страница 7
8 Страница 8
9 Страница 9
10 Страница 10
11 Страница 11
12 Страница 12
13 Страница 13
14 Страница 14
15 Страница 15
16 Страница 16
17 Страница 17
18 Страница 18
19 Страница 19
20 Страница 20
Страница: / 20
Загрузка инструкции

6720859223 (2017/0

3

) RU

/BY/KZ

Инструкция по эксплуатации для потребителей

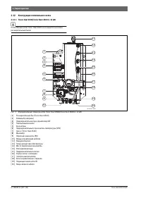
Электрический отопительный котел

Tronic Heat 3000/3500

0010010175-001

4–12 кВт | 15–24 кВт

"Загрузка инструкции" означает, что нужно подождать пока файл загрузится и можно будет его читать онлайн. Некоторые инструкции очень большие и время их появления зависит от вашей скорости интернета.

Характеристики

Другие модели - Котлы Bosch

Все котлы Bosch