Автосигнализации Sheriff ZX-1055 - инструкция пользователя по применению, эксплуатации и установке на русском языке. Мы надеемся, она поможет вам решить возникшие у вас вопросы при эксплуатации техники.
Если остались вопросы, задайте их в комментариях после инструкции.
"Загружаем инструкцию", означает, что нужно подождать пока файл загрузится и можно будет его читать онлайн. Некоторые инструкции очень большие и время их появления зависит от вашей скорости интернета.

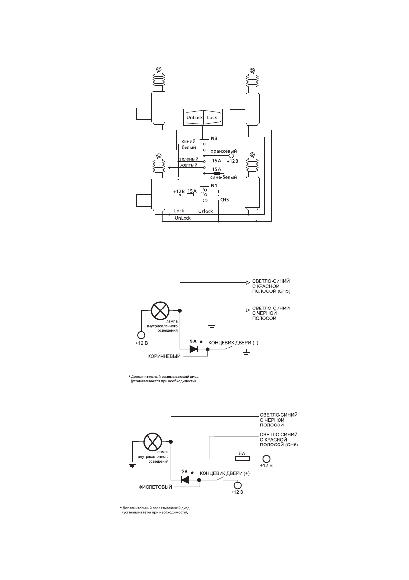
Схема управления электроприводами замков дверей при пошаговом
(раздельном) отпирании водительской и пассажирских дверей автомобиля
Дополнительные полезные схемы управления внутрисалонным освещением
Внутрисалонное освещение с отрицательной полярностью
Внутрисалонное освещение с положительной полярностью
63