Автомобили Fiat SEDICI 2008 - инструкция пользователя по применению, эксплуатации и установке на русском языке. Мы надеемся, она поможет вам решить возникшие у вас вопросы при эксплуатации техники.
Если остались вопросы, задайте их в комментариях после инструкции.
"Загружаем инструкцию", означает, что нужно подождать пока файл загрузится и можно будет его читать онлайн. Некоторые инструкции очень большие и время их появления зависит от вашей скорости интернета.

70
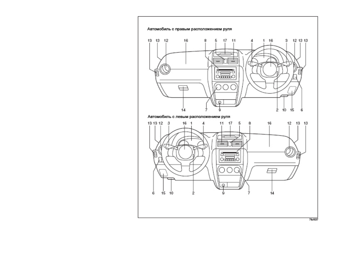
ПАНЕЛЬ ПРИБОРОВ
1. Комбинация приборов
2. Замок зажигания
3. Выключатель освещения/указателей по-
ворота и света фар
4. Стеклоочиститель и стеклоомыватель
ветрового/заднего стекол (доп. оборудо-
вание)
5. Выключатель аварийной сигнализации
6. Прочие переключатели (доп. оборудова-
ние)
7. Панель управления отопителем
8. Аудиосистема (доп. оборудование)
9. Прикуриватель/пепельница
10. Рычаг открывания капота
11. Центральный дефлектор
12. Боковой дефлектор
13. Дефлектор подачи воздуха к боковым
стеклам
14. Перчаточный ящик
15. Блок предохранителей
16. Надувная подушка безопасности (доп.
оборудование)
17. Информационный дисплей
