Aurora TORNADO-275 - Инструкция по эксплуатации

Aurora TORNADO-275

Компрессор Aurora TORNADO-275 - инструкция пользователя по применению, эксплуатации и установке на русском языке. Мы надеемся, она поможет вам решить возникшие у вас вопросы при эксплуатации техники.

Если остались дополнительные вопросы — свяжитесь с нами через контактную форму.

1 Страница 1
2 Страница 2
3 Страница 3
4 Страница 4
5 Страница 5
6 Страница 6
7 Страница 7
8 Страница 8
9 Страница 9
10 Страница 10
11 Страница 11
12 Страница 12
13 Страница 13
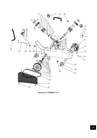
14 Страница 14
15 Страница 15
16 Страница 16
17 Страница 17
18 Страница 18
19 Страница 19
20 Страница 20
21 Страница 21
Страница: / 21
Загрузка инструкции

ИНСТРУКЦИЯ ПО ЭКСПЛУАТАЦИИ

ВОЗДУШНЫЕ КОМПРЕССОРЫ

TORNADO 105

TORNADO 110

TORNADO 135

TORNADO 275

aurora-online.ru

"Загрузка инструкции" означает, что нужно подождать пока файл загрузится и можно будет его читать онлайн. Некоторые инструкции очень большие и время их появления зависит от вашей скорости интернета.

Характеристики

Другие модели - Компрессоры Aurora

Все компрессоры Aurora