Aurora CYCLON-120 23981 - Инструкция по эксплуатации

Aurora CYCLON-120 23981

Компрессор Aurora CYCLON-120 23981 - инструкция пользователя по применению, эксплуатации и установке на русском языке. Мы надеемся, она поможет вам решить возникшие у вас вопросы при эксплуатации техники.

Если остались дополнительные вопросы — свяжитесь с нами через контактную форму.

1 Страница 1
2 Страница 2
3 Страница 3
4 Страница 4
5 Страница 5
6 Страница 6
7 Страница 7
8 Страница 8
9 Страница 9
10 Страница 10
11 Страница 11
12 Страница 12
13 Страница 13
14 Страница 14
15 Страница 15
Страница: / 15

Содержание:

  • Страница 3 – ОПИСАНИЕ
  • Страница 4 – ПОДГОТОВКА К ЗАПУСКУ; Установите колеса и круглую резиновую прокладку на; ПРЕДОСТЕРЕЖЕНИЯ; Воздушный фильтр
  • Страница 5 – ПРИМЕНЕНИЕ И НАСТРОЙКИ
  • Страница 6 – РЕГУЛИРОВАКА РАБОЧЕГО ДАВЛЕНИЯ
  • Страница 7 – НЕПОЛАДКИ И ИХ УСТРАНЕНИЕ
  • Страница 14 – кран
  • Страница 15 – Сайт AURORA Group of Companies в России:
Загрузка инструкции



ВОЗДУШНЫЙ КОМПРЕССОР

CYCLON 100 / 120


ИНСТРУКЦИЯ ПО ЭКСПЛУАТАЦИИ














Внимание!

Перед применением ознакомьтесь с данной инструкцией


Список дилеров и полная информация по ассортименту AURORA в России:

aurora-online.ru

"Загрузка инструкции" означает, что нужно подождать пока файл загрузится и можно будет его читать онлайн. Некоторые инструкции очень большие и время их появления зависит от вашей скорости интернета.

Краткое содержание

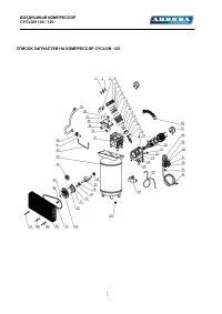
Страница 3 - ОПИСАНИЕ

ВОЗДУШНЫЙ КОМПРЕССОР CYCLON 100 / 120 2 ОПИСАНИЕ Воздушный компрессор новой разработки, удобен в использовании и применении. Обладает преимуществами компактной конструкции, привлекательного дизайна, легким весом, удобством в использовании, высоким уровнем безопасности в применении и низким уровнем ш...

Страница 4 - ПОДГОТОВКА К ЗАПУСКУ; Установите колеса и круглую резиновую прокладку на; ПРЕДОСТЕРЕЖЕНИЯ; Воздушный фильтр

ВОЗДУШНЫЙ КОМПРЕССОР CYCLON 100 / 120 3 ПОДГОТОВКА К ЗАПУСКУ Проверьте все болты и гайки. Убедитесь, что все ослабленные винты надежно затянуты. Место для установки компрессора должно быть чистым, сухим и хорошо проветриваемым. Падение напряжения при включении компрессора должно быть не ниже 21-В. П...

Страница 5 - ПРИМЕНЕНИЕ И НАСТРОЙКИ

ВОЗДУШНЫЙ КОМПРЕССОР CYCLON 100 / 120 4 Не используйте электрический провод длиной больше 5м, внутреннее сечение 1.5м2, 16А. Не вынимайте вилку из розетки сразу для отключения компрессора, сначала установите кнопку переключателя в позицию «выкл». Смазочное масло должно быть чистым; уровень масла дол...

Характеристики

Другие модели - Компрессоры Aurora

Все компрессоры Aurora