Aurora Breeze 8 - Инструкция по эксплуатации

Aurora Breeze 8

Компрессор Aurora Breeze 8 - инструкция пользователя по применению, эксплуатации и установке на русском языке. Мы надеемся, она поможет вам решить возникшие у вас вопросы при эксплуатации техники.

Если остались дополнительные вопросы — свяжитесь с нами через контактную форму.

1 Страница 1
2 Страница 2
3 Страница 3
4 Страница 4
5 Страница 5
6 Страница 6
7 Страница 7
8 Страница 8
Страница: / 8
Загрузка инструкции


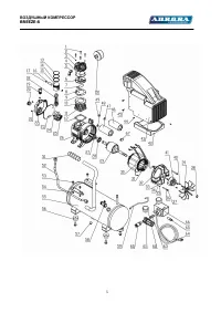
ВОЗДУШНЫЙ КОМПРЕССОР
BREEZE-8

ИНСТРУКЦИЯ ПО ЭКСПЛУАТАЦИИ

Внимание!

Перед применением ознакомьтесь с данной инструкцией.

"Загрузка инструкции" означает, что нужно подождать пока файл загрузится и можно будет его читать онлайн. Некоторые инструкции очень большие и время их появления зависит от вашей скорости интернета.

Характеристики

Другие модели - Компрессоры Aurora

Все компрессоры Aurora