Aurora Bora 25 - Инструкция по эксплуатации

Aurora Bora 25

Компрессор Aurora Bora 25 - инструкция пользователя по применению, эксплуатации и установке на русском языке. Мы надеемся, она поможет вам решить возникшие у вас вопросы при эксплуатации техники.

Если остались дополнительные вопросы — свяжитесь с нами через контактную форму.

1 Страница 1
2 Страница 2
3 Страница 3
4 Страница 4
5 Страница 5
6 Страница 6
7 Страница 7
8 Страница 8
9 Страница 9
10 Страница 10
11 Страница 11
12 Страница 12
13 Страница 13
14 Страница 14
15 Страница 15
16 Страница 16
17 Страница 17
18 Страница 18
19 Страница 19
20 Страница 20
21 Страница 21
22 Страница 22
23 Страница 23
24 Страница 24
25 Страница 25
26 Страница 26
27 Страница 27
28 Страница 28
29 Страница 29
30 Страница 30
31 Страница 31
32 Страница 32
33 Страница 33
Страница: / 33

Содержание:

  • Страница 3 – СОДЕРЖАНИЕ; BO
  • Страница 5 – ВВЕДЕНИЕ
  • Страница 6 – ПРАВИЛА БЕЗОПАСНОСТИ
  • Страница 7 – КАТЕГОРИЧЕСКИ ЗАПРЯЩАЕТСЯ!
  • Страница 8 – ОБЩИЙ ВИД И ОСНОВНЫЕ КОМПОНЕНТЫ; Модель BORA
  • Страница 10 – являются
  • Страница 11 – ТЕХНИЧЕСКИЕ ХАРАКТЕРИСТИКИ; Модель
  • Страница 13 – КОМПЛЕКТАЦИЯ; список
  • Страница 15 – ЭКСПЛУАТАЦИЯ; Реле давления
  • Страница 16 – Обслуживание ресивера
  • Страница 18 – Пневмоинструмент; Рекомендации по воздушной магистрали.
  • Страница 20 – Транспортировка и хранение
  • Страница 21 – НЕПОЛАДКИ И ИХ УСТРАНЕНИЕ
  • Страница 22 – ГАРАНТИИ ПРОИЗВОДИТЕЛЯ
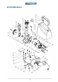
  • Страница 24 – Расшифровка деталировки BORA
  • Страница 28 – Расшифровка деталировки модели BORA
  • Страница 30 – Расшифровка деталировки модели BORA 50
  • Страница 31 – ДЛЯ ЗАМЕТОК
Загрузка инструкции


ВОЗДУШНЫЙ

КОМПРЕССОР

BORA 6, BORA 25, BORA 20, BORA 50

ИНСТРУКЦИЯ

ПО

ЭКСПЛУАТАЦИИ




aurora-online.ru

"Загрузка инструкции" означает, что нужно подождать пока файл загрузится и можно будет его читать онлайн. Некоторые инструкции очень большие и время их появления зависит от вашей скорости интернета.

Краткое содержание

Страница 3 - СОДЕРЖАНИЕ; BO

____________________________________________________________________________________ 3 СОДЕРЖАНИЕ ВВЕДЕНИЕ ............................................................................................................ 5 ПРАВИЛА БЕЗОПАСНОСТИ ................................................................

Страница 5 - ВВЕДЕНИЕ

____________________________________________________________________________________ 5 ВВЕДЕНИЕ Благодарим вас за выбор оборудования нашей компании ! Компрессоры AURORA уже более 10 лет поставляются на российский рынок. Мы с уверенностью можем сказать, что залогом популярности у отечественного покуп...

Страница 6 - ПРАВИЛА БЕЗОПАСНОСТИ

____________________________________________________________________________________ 6 ПРАВИЛА БЕЗОПАСНОСТИ И ОБЩИЕ РЕКОМЕНДАЦИИ ПО РАБОТЕ С ВОЗДУШНЫМ КОМПРЕССОРОМ Компрессор необходимо подключать к электросети, соответствующей стандартам 220 - 230В и обеспеченной защитой 16 А (плавкий предохранител...

Характеристики

Другие модели - Компрессоры Aurora

Все компрессоры Aurora