Страница 3 - СОДЕРЖАНИЕ; BO
____________________________________________________________________________________ 3 СОДЕРЖАНИЕ ВВЕДЕНИЕ ............................................................................................................ 5 ПРАВИЛА БЕЗОПАСНОСТИ ................................................................
Страница 5 - ВВЕДЕНИЕ
____________________________________________________________________________________ 5 ВВЕДЕНИЕ Благодарим вас за выбор оборудования нашей компании ! Компрессоры AURORA уже более 10 лет поставляются на российский рынок. Мы с уверенностью можем сказать, что залогом популярности у отечественного покуп...
Страница 6 - ПРАВИЛА БЕЗОПАСНОСТИ
____________________________________________________________________________________ 6 ПРАВИЛА БЕЗОПАСНОСТИ И ОБЩИЕ РЕКОМЕНДАЦИИ ПО РАБОТЕ С ВОЗДУШНЫМ КОМПРЕССОРОМ Компрессор необходимо подключать к электросети, соответствующей стандартам 220 - 230В и обеспеченной защитой 16 А (плавкий предохранител...
Страница 7 - КАТЕГОРИЧЕСКИ ЗАПРЯЩАЕТСЯ!
____________________________________________________________________________________ 7 Транспортировка и перемещение осуществляется в вертикальном положении. Не рекомендуется использовать воздушные шланги, пропускная способность которых не соответствует производительности компрессора. Для правильной...
Страница 8 - ОБЩИЙ ВИД И ОСНОВНЫЕ КОМПОНЕНТЫ; Модель BORA
____________________________________________________________________________________ 8 ОБЩИЙ ВИД И ОСНОВНЫЕ КОМПОНЕНТЫ Модель BORA 6 1. 2. 3. 4. 5. 6. 7. 8. 1. Блок управления 2. Обратный клапан 3. Ресивер (воздушный бак) 4. Опоры ресивера 5. Клапан слива конденсата 6. Кожух 7. Электродвигатель (мот...
Страница 10 - являются
____________________________________________________________________________________ 10 Блок управления : 1. 1 Кнопка ВКЛ/ВЫКЛ 2. 2 Реле давления (прессостат) 3 Регулируемый воздушный выход 4 Манометр регулируемого выхода 5 Регулятор давления 6 Прямой (нерегулируемый) воздушный выход 7 Манометр давл...
Страница 11 - ТЕХНИЧЕСКИЕ ХАРАКТЕРИСТИКИ; Модель
____________________________________________________________________________________ 11 ТЕХНИЧЕСКИЕ ХАРАКТЕРИСТИКИ Модель BORA 6 BORA 20 Количество ступеней сжатия 1 1 Число цилиндров поршневого блока 1 2 Теоретическая производительность (на входе), л/мин, м³/час 1 6 1 / 9,7 325 / 19.5 Число оборото...
Страница 13 - КОМПЛЕКТАЦИЯ; список
____________________________________________________________________________________ 13 КОМПЛЕКТАЦИЯ 1. Компрессор 1шт. 2. Инструкция по эксплуатации 1шт. 3 . Воздушный фильтр 1шт. для модели; BORA 6 , 25 2шт. для моделей; BORA 20. 50 4. Передняя опора 1 комплект 5 . Транспортировочные колеса 1 комп...
Страница 15 - ЭКСПЛУАТАЦИЯ; Реле давления
____________________________________________________________________________________ 15 ЭКСПЛУАТАЦИЯ Режим работы. Режим работы любого поршневого компрессора повторно – кратковременный. Повторно - кратковременный режим означает, что эксплуатация компрессора подразумевают работу поршневой группы комп...
Страница 16 - Обслуживание ресивера
____________________________________________________________________________________ 16 Замена фильтрующего элемента рекомендуется не реже одного раза в год или чаще, в зависимости от условий эксплуатации и загрязненности помещения, где используется компрессор. Обслуживание ресивера По окончанию раб...
Страница 18 - Пневмоинструмент; Рекомендации по воздушной магистрали.
____________________________________________________________________________________ 18 Для правильного подбора пневмоинструмента следует учитывать диапазон рабочего давления и объем потребляемого воздуха инструмента. Ниже приведена информационная таблица с примерной производительностью часто исполь...
Страница 20 - Транспортировка и хранение
____________________________________________________________________________________ 20 Транспортировка и хранение Транспортировка, хранение и эксплуатация компрессора. Конструктивная особенность данных компрессоров, без масляные, позволяет транспортировать компрессор в любом положении. Компрессор с...
Страница 21 - НЕПОЛАДКИ И ИХ УСТРАНЕНИЕ
____________________________________________________________________________________ 21 НЕПОЛАДКИ И ИХ УСТРАНЕНИЕ * Неполадки * Возможные причины Устранение Протечка воздуха из клапана реле давления Плохое уплотнение обратного клапана Полностью освободите бак. Отвинтите шестигранную головку клапана ...
Страница 22 - ГАРАНТИИ ПРОИЗВОДИТЕЛЯ
____________________________________________________________________________________ 22 ГАРАНТИИ ПРОИЗВОДИТЕЛЯ Производитель гарантирует работу компрессора в течение гарантийного срока при условии, что потребитель соблюдает все правила эксплуатации, хранения и транспортировки компрессора. Гарантийны...
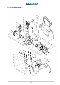
Страница 24 - Расшифровка деталировки BORA
____________________________________________________________________________________ 24 Расшифровка деталировки BORA 6 NO Наименование Кол - во NO Наименование Кол - во 1 Болт М6х25 2 34 Зубчатая шайба 1 2 Болт М6х35 2 3 5 Винт М3х6 2 3 Пружинная шайба 4 3 6 Пружинная шайба 2 4 Крышка цилиндра 1 37 ...
Страница 28 - Расшифровка деталировки модели BORA
_____________________________________________________________________________________ 28 Расшифровка деталировки модели BORA 2 0 NO Наименование Кол - во NO Наименование Кол - во 1 Воздушный фильтр 2 36 Подшипник 6204 1 2 Соединительная муфта M16X1.5 1 37 Картер 1 3 Болт ST3.9X12 4 38 Кривошип 1 4 П...
Страница 30 - Расшифровка деталировки модели BORA 50
_____________________________________________________________________________________ 30 Расшифровка деталировки модели BORA 50 NO Наименование Кол - во NO Наименование Кол - во 1 Воздушный фильтр 2 36 Подшипник 6204 1 2 Соединительная муфта 16X1.5 1 37 Картер 1 3 Болт ST3.9X12 4 38 Кривошип 1 4 Пер...
Страница 31 - ДЛЯ ЗАМЕТОК
_____________________________________________________________________________________ 31 ДЛЯ ЗАМЕТОК _____________________________________________________________________________________ _____________________________________________________________________________________ ___________________________...