Страница 3 - ОПИСАНИЕ
ВОЗДУШНЫЙ КОМПРЕССОР CYCLON 100 / 120 2 ОПИСАНИЕ Воздушный компрессор новой разработки, удобен в использовании и применении. Обладает преимуществами компактной конструкции, привлекательного дизайна, легким весом, удобством в использовании, высоким уровнем безопасности в применении и низким уровнем ш...
Страница 4 - ПОДГОТОВКА К ЗАПУСКУ; Установите колеса и круглую резиновую прокладку на; ПРЕДОСТЕРЕЖЕНИЯ; Воздушный фильтр
ВОЗДУШНЫЙ КОМПРЕССОР CYCLON 100 / 120 3 ПОДГОТОВКА К ЗАПУСКУ Проверьте все болты и гайки. Убедитесь, что все ослабленные винты надежно затянуты. Место для установки компрессора должно быть чистым, сухим и хорошо проветриваемым. Падение напряжения при включении компрессора должно быть не ниже 21-В. П...
Страница 5 - ПРИМЕНЕНИЕ И НАСТРОЙКИ
ВОЗДУШНЫЙ КОМПРЕССОР CYCLON 100 / 120 4 Не используйте электрический провод длиной больше 5м, внутреннее сечение 1.5м2, 16А. Не вынимайте вилку из розетки сразу для отключения компрессора, сначала установите кнопку переключателя в позицию «выкл». Смазочное масло должно быть чистым; уровень масла дол...
Страница 6 - РЕГУЛИРОВАКА РАБОЧЕГО ДАВЛЕНИЯ
ВОЗДУШНЫЙ КОМПРЕССОР CYCLON 100 / 120 5 Внимание! Электрические компрессоры должны подключаться к штепсельным розеткам, защищенными соответствующими дифференциальными переключателями (термомагнитными). Электродвигатели компрессоров снабжены термореле, расположенным на коробке для конденсаторов, кото...
Страница 7 - НЕПОЛАДКИ И ИХ УСТРАНЕНИЕ
ВОЗДУШНЫЙ КОМПРЕССОР CYCLON 100 / 120 6 Проверяйте толщину ресивера в технических мастерских каждый год, чтобы убедиться, что толщина не меньше, чем 2.1мм. НЕПОЛАДКИ И ИХ УСТРАНЕНИЕ Неполадки Возможные причины Устранение Протечка воздуха из клапана реле давления (1) Плохое уплотнение обратного клапа...
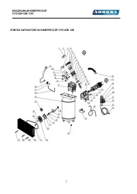
Страница 14 - кран
ВОЗДУШНЫЙ КОМПРЕССОР CYCLON 100 / 120 13 38 Термореле 39 Трубка 40 обратный клапан 41 Фитинг 42 трубка реле 43 ресивер 44 Шкив мотора 45 шайба 46 болт 47 винт 48 шайба 49 крепления решетки 50 крепления решетки 51 ремень 52 шкив ремня 53 спускной клапан 54 провод 55 гайка 56 редуктор 57 быстросъем 58...
Страница 15 - Сайт AURORA Group of Companies в России:
ВОЗДУШНЫЙ КОМПРЕССОР CYCLON 100 / 120 14 __________________________________________________________________________________ __________________________________________________________________________________ __________________________________________________________________________________ __________...