Водонагреватели Термекс MK 80 V ЭдЭ001694 - инструкция пользователя по применению, эксплуатации и установке на русском языке. Мы надеемся, она поможет вам решить возникшие у вас вопросы при эксплуатации техники.
Если остались вопросы, задайте их в комментариях после инструкции.
"Загружаем инструкцию", означает, что нужно подождать пока файл загрузится и можно будет его читать онлайн. Некоторые инструкции очень большие и время их появления зависит от вашей скорости интернета.

31
UA
При неможливості усунути несправність за допомогою вищеописаних рекомендацій або
в разі виявлення інших, слід звернутися в сервісний центр, вказаний в керівництві по ек
-
сплуатації.
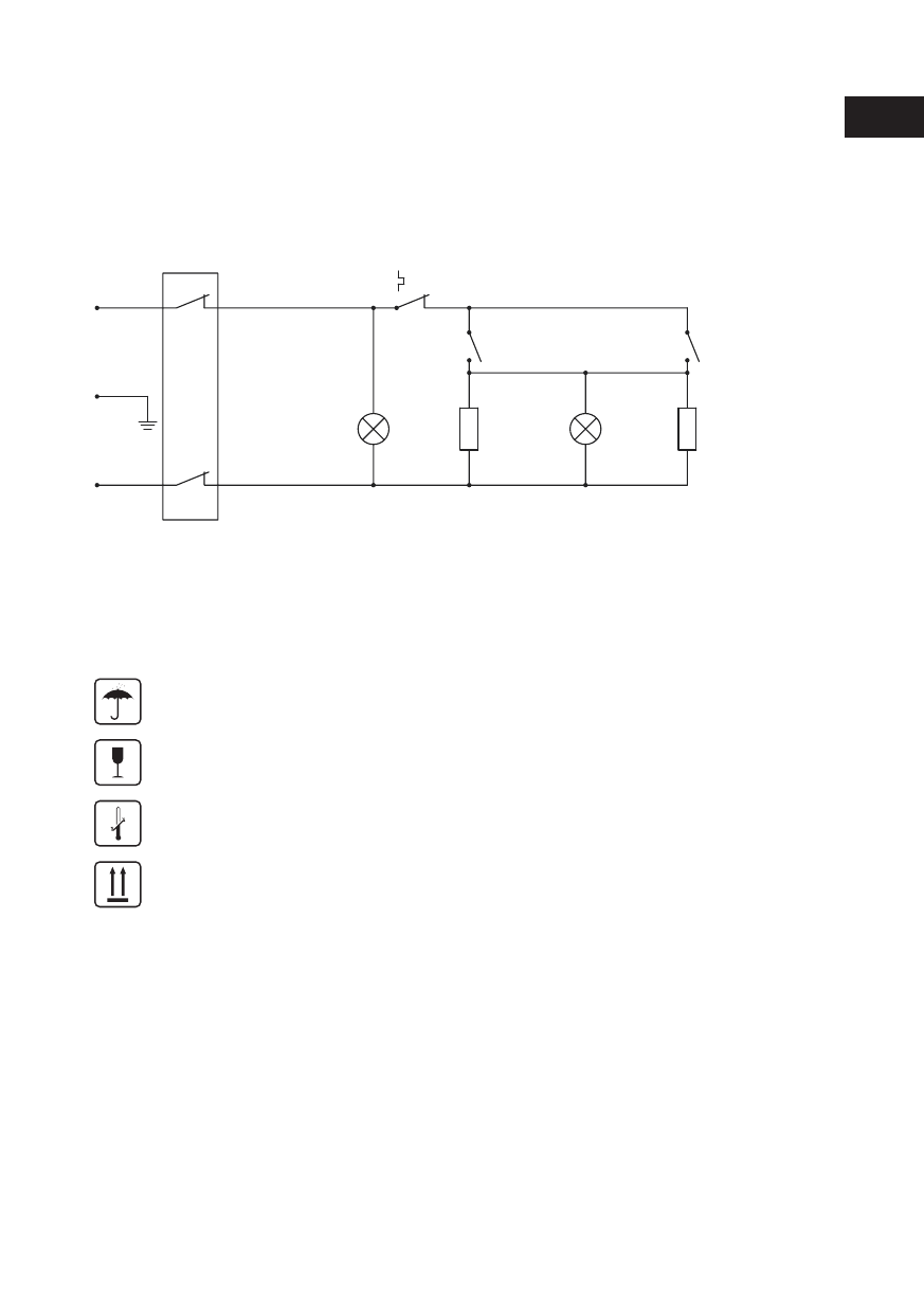
Схема електричних з’єднань
Транспортування та зберігання електроводонагрівачів
Транспортування та зберігання електроводонагрівачів здійснюються згідно з маніпуляцій
-
ними знаками на упаковці:
– необхідно захистити вантаж від впливу вологи
– крихкість вантажу – умова обережного поводження
– рекомендований температурний діапазон зберігання вантажу: від +10°С до +20°С
– правильне вертикальне положення вантажу
Правила та умови зберігання та перевезення також вказані на упаковці товару.
Утилізація
При дотриманні правил установки, експлуатації та технічного обслуговування ЕВН і
відповідності якості води, що використовується, чинним стандартом виробник встановлює
на нього термін служби 9 років від дати покупки ЕВН. Усі складові частини водонагрівача
виготовлені з матеріалів, які допускають, коли це необхідно, його екологічно безпечну
утилізацію, яка має здійснюватися відповідно до норм і правил тієї країни, де експлуатується
водонагрівач.
ТEН
1,2 кВт
230 В ~
Термостат
75°С
L
E
N
ТEН
0,8 кВт
230 В ~
Лампа індикації
підключення до
мережі
електроживлення
Обмежувач
температури
78° С
Клавіша вибору
режиму потужності
1 (0,8 кВт)
Клавіша вибору
режиму потужності
1 (1,2 кВт)
Лампа
індикації
нагріву
Содержание
- 5 Панель управления
- 6 Установка и подключение; Размещение и установка; Подключение к водопроводу
- 8 Подключение к электросети; Эксплуатация и техническое обслуживание (ТО)
- 9 Указание мер безопасности
- 10 Возможные неисправности и методы их устранения
- 11 Схема электрических соединений; Утилизация
- 12 Гарантия изготовителя
- 13 Сведения об изготовителе
- 39 ЕЩЁ БОЛЬШЕ; Модели; COMBI; Серия напольных комбинированных