Водонагреватели Royal Clima RWH-V50-RE - инструкция пользователя по применению, эксплуатации и установке на русском языке. Мы надеемся, она поможет вам решить возникшие у вас вопросы при эксплуатации техники.
Если остались вопросы, задайте их в комментариях после инструкции.
"Загружаем инструкцию", означает, что нужно подождать пока файл загрузится и можно будет его читать онлайн. Некоторые инструкции очень большие и время их появления зависит от вашей скорости интернета.

21
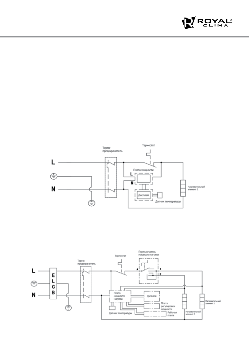
16. ЭЛЕКТРИЧЕСК АЯ ПРИНЦИПИА ЛЬНАЯ СХЕМА
Для моделей серии Viva
Для моделей Diamante Collezione, Diamante Inox Collezione
Рис. 14
Рис. 15
ЭЛЕКТРИЧЕСКАЯ ПРИНЦИПИАЛЬНАЯ СХЕМА
15. ПРАВИЛА У ТИЛИЗАЦИИ
По истечению срока службы прибор должен
подвергаться утилизации в соответствии
с нормами, правилами и способами, дейст-
вующими в месте утилизации. Подробную
информацию по утилизации вы можете полу-
чить у представителя местного органа власти.
Изготовитель и уполномоченное лицо изго-
товителя снимают с себя ответственность
за возможный вред, нанесенный данным
прибором в случае, если это произошла в ре-
зультате несоблюдения правил и условий экс-
плуатации, установки прибора, умышленных
или неосторожных действий, а также в случа-
ях вызванных природными или антропогенны-
ми форсмажорными явлениями.
Содержание
- 3 ИСПОЛЬЗУЕМЫЕ ОБОЗНАЧЕНИЯ
- 4 ПРАВИЛА БЕЗОПАСНОСТИ
- 5 НАЗНАЧЕНИЕ
- 6 УСТРОЙСТВО ВОДОНАГРЕВАТЕЛЯ; Серии Viva
- 7 Серия Diamante Сollezione, Diamante Inox Сollezione
- 8 ТЕХНИЧЕСКИЕ ХАРАКТЕРИСТИКИ; ТЕХНИЧЕСКИЕ Х АРАКТЕРИСТИКИ
- 12 УСТАНОВК А ВОДОНАГРЕВАТЕЛЯ; Способы монтажа водонагревателя; Серия Viva; УСТАНОВКА ВОДОНАГРЕВАТЕЛЯ
- 13 Модели Diamante Сollezione, Diamante Inox Сollezione, и
- 14 Монтаж водонагревателя
- 15 Подключение к водопроводной
- 16 УЗО (устройство защитного
- 17 ЭКСПЛУАТАЦИЯ ВОДОНАГРЕВАТЕЛЯ; Включение водонагревателя; Выбор режима мощности
- 18 Выключение; «heat»; Серии Diamante Сollezione,
- 19 ПОИСК И УСТРАНЕНИЕ НЕИСПРАВНОСТЕЙ; ОБСЛУ ЖИВАНИЕ ВОДОНАГРЕВАТЕЛЯ
- 20 ПОИСК И УСТРАНЕНИЕ НЕИСПРАВНОСТЕЙ; ХРАНЕНИЕ И ТРАНСПОРТИРОВК А; ХРАНЕНИЕ И ТРАНСПОРТИРОВКА; ДАТА ИЗГОТОВЛЕНИЯ
- 21 ЭЛЕКТРИЧЕСК АЯ ПРИНЦИПИА ЛЬНАЯ СХЕМА; Для моделей серии Viva; ЭЛЕКТРИЧЕСКАЯ ПРИНЦИПИАЛЬНАЯ СХЕМА; ПРАВИЛА У ТИЛИЗАЦИИ
- 22 СЕРТИФИК АЦИЯ ПРОДУКЦИИ; Товар сертифицирован на терри тории; Срок действия
- 23 щей организации; ПОДПИСЬ ПОКУПАТЕЛЯ; ГАРАНТИЙНЫЕ ОБЯЗАТЕЛЬСТВА
- 24 Уважаемый Покупатель!; Гарантийный срок на водонагреватели составляет:
- 26 Информация о гарантийных ремонтах (заполняется авторизованным