Водонагреватели Gorenje GBK80LNB6 - инструкция пользователя по применению, эксплуатации и установке на русском языке. Мы надеемся, она поможет вам решить возникшие у вас вопросы при эксплуатации техники.
Если остались вопросы, задайте их в комментариях после инструкции.
"Загружаем инструкцию", означает, что нужно подождать пока файл загрузится и можно будет его читать онлайн. Некоторые инструкции очень большие и время их появления зависит от вашей скорости интернета.

52
GBL 50
GBL 80
GBK 80
GBK 100
GBK 120
GBK 150
GBK 200
A
583
803
803
948
1103
1318
1510
B
187
207
207
202
207
222
430
C
145
345
565
715
865
1065
1050
D
340
416
416
416
416
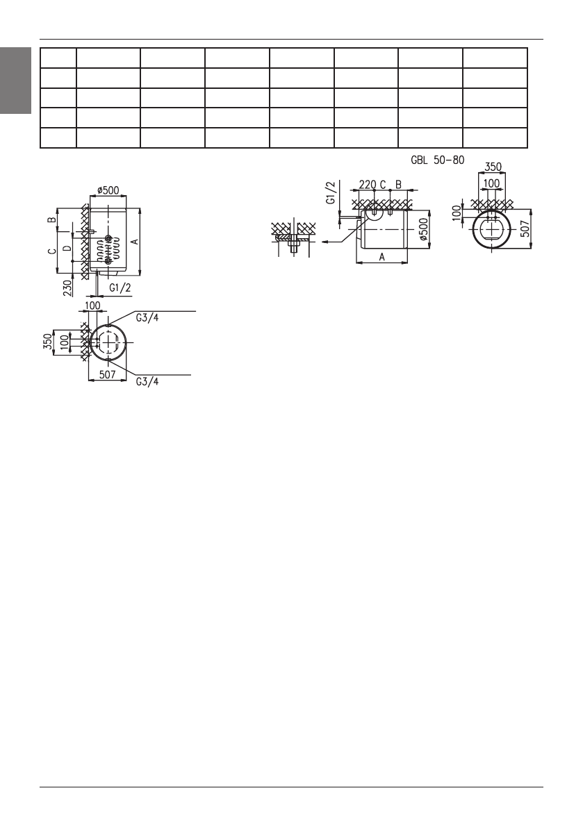
Wymiary dotyczące montażu (mm).
GBK 80 - 200
PODŁĄCZENIE DO INSTALACJI WODOCIĄGOWEJ
Przyłącza wody zimnej i wody ciepłej na podgrzewaczu są oznaczone kolorami.
Przyłącze wody zimnej oznaczone jest kolorem niebieskim, przyłącze wody ciepłej
oznaczone jest kolorem czerwonym. Podgrzewacz można podłączyć do instalacji
wodociągowej w dwojaki sposób. System podłączenia zamkniętego, ciśnieniowego
umożliwia wielopunktowy pobór wody, zaś system nieciśnieniowy pozwala wyłącznie
na jednopunktowy pobór wody. Za względu na wybrany system podłączenia należy
zamontować odpowiednie baterie. Przy otwartym, nieciśnieniowym systemie należy
przed podgrzewacz wody zamontować zawór zwrotny, który w przypadku braku wody w instalacji wodociągowej zapobiega
wyciekaniu wody z zbiornika. Decydując się na ten sposób podłączenia, musimy użyć baterii przepływowej. Podczas
zagrzewania wody w podgrzewaczu jej objętość powiększa się, co powoduje kapanie wody z baterii. Przez silniejsze
przykręcanie uchwytu baterii, kapania wody nie zażegnamy, spowodujemy tylko uszkodzenie baterii.
Przy zamkniętym, ciśnieniowym sposobie podłączenia należy na miejscach poboru wody zamontować baterie ciśnieniowe.
Do rury doprowadzającej obowiązkowo należy zamontować zawór zabezpieczający lub zespół zabezpieczający, który
uniemożliwia wzrost ciśnienia w podgrzewaczu wody powyżej 0,1 MPa ponad ciśnieniem znamionowym. Podczas
zagrzewania wody w podgrzewaczu ciśnienie wody wzrasta do wartości, nastawionej w zaworze bezpieczeństwa. Ponieważ
odpływ wody z powrotem do instalacji wodociągowej jest niemożliwy, może to spowodować kapanie wody z otworu
odprowadzającego na zaworze bezpieczeństwa. Kapiącą wodę można zbierać do specjalnej nadstawki, którą ustawiamy
pod zaworem bezpieczeństwa. Rura odprowadzająca, znajdująca się pod wylotem zaworu zabezpieczającego, powinna być
zamontowana w kierunku bezpośrednio w dół i w otoczeniu gdzie nie zamarza.
Jeśli instalacja nie była odpowiednio przeprowadzona w wyniku czego nie mamy możliwości odprowadzenia wyciekającej
wody do rury odpływowej za pomocą zaworu bezpieczeństwa, musimy na rurze doprowadzającej podgrzewacza wody
zamontować, zbiornik wyrównawczy o pojemności 3 l, co pozwoli nam na przechwytywanie wyciekającej wody. Prawidłowe
działanie zaworu bezpieczeństwa powinno być kontrolowane osobiście co 14 dni. Podczas kontroli polegającej na
przesunięciu uchwytu lub muterki zaworu (zależnie od typu zaworu) należy otworzyć odpływ na zaworze bezpieczeństwa.
Podczas kontroli z dyszy powinna wycieknąć woda, co oznacza, że zawór jest bez zarzutu.
Pomiędzy podgrzewacz wody i zawór zwrotny nie wolno zamontować zaworu odcinającego,
ponieważ w ten sposób uniemożliwia się działanie zaworu bezpieczeństwa.
Podgrzewacz wody można bez zaworu redukcyjnego podłączyć do domowej instalacji wodociągowej, gdy ciśnienie w instalacji
jest niższe od 0,5 MPa. Gdy ciśnienie w instalacji przewyższa 1,0 MPa, musimy zamontować dwa zawory redukcyjne jeden
za drugim. Przed podłączeniem elektrycznym podgrzewacz wody należy napełnić wodą. Podczas pierwszego napełniania
przekręcić uchwyt ciepłej wody na baterii. Podgrzewacz jest napełniony, gdy z baterii zacznie cieknąć woda.
Prawe przyłącze
Lewe przyłącze
PL
Содержание
- 11 Уважаемый покупатель, благодарим Вас за покупку нашего изделия.; монтдж; ТЕХНИЧЕСКИЕ ХАРАКТЕРИСТИКИ АППАРАТА; входящей температуре холодной воды из водопровода 15°C.; ТЕХНИЧЕСКИЕ ХАРАКТЕРИСТИКИ ТЕПЛООБМЕННИКА; US
- 12 Соединительные и монтажные размеры водонагревателя [мм]; ПОДКЛЮЧЕНИЕ K ВОДОПРОВОДУ; от выбранной системы подключения. B открытой проточной системе
- 13 ПОДKЛЮЧЕНИЕ K ЭЛЕКТРОСЕТИ
- 14 ИСПОЛЬЗОВАНИЕ И УХОД













