Водонагреватели Gorenje GBK80LNB6 - инструкция пользователя по применению, эксплуатации и установке на русском языке. Мы надеемся, она поможет вам решить возникшие у вас вопросы при эксплуатации техники.
Если остались вопросы, задайте их в комментариях после инструкции.
"Загружаем инструкцию", означает, что нужно подождать пока файл загрузится и можно будет его читать онлайн. Некоторые инструкции очень большие и время их появления зависит от вашей скорости интернета.

4
SL
O
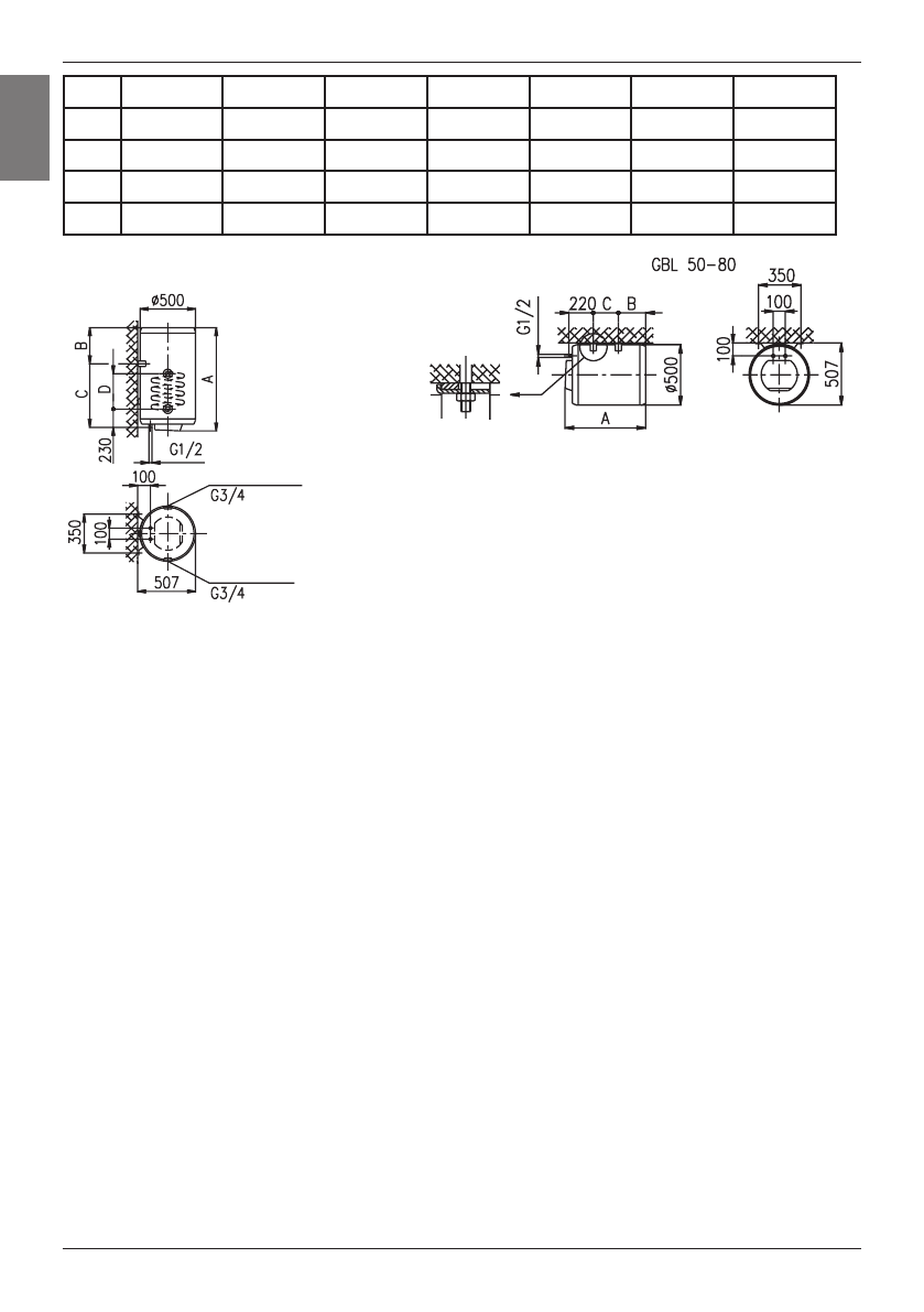
GBL 50
GBL 80
GBK 80
GBK 100
GBK 120
GBK 150
GBK 200
A
583
803
803
948
1103
1318
1510
B
187
207
207
202
207
222
430
C
145
345
565
715
865
1065
1050
D
340
416
416
416
416
Priključne in montažne mere (mm).
              GBK 80 - 200
Desni priključek
Levi priključek
PRIKLJUČITEV NA VODOVODNO OMREŽJE
Dovod  in  odvod  vode  sta  na  ceveh  grelnika  barvno  označena.  Dovod  hladne 
vode  je  označen  modro,  odvod  tople  vode  pa  rdeče.  Grelnik  lahko  priključite  na 
vodovodno  omrežje  na  dva  načina.  Zaprti,  tlačni  sistem  priključitve  omogoča 
odjem vode na več odjemnih mestih, odprti, netlačni sistem pa dovoljuje samo eno 
odjemno mesto. Glede na izbrani sistem priključitve morate nabaviti tudi ustrezne 
mešalne  baterije.  Pri  odprtem,  netlačnem  sistemu  je  treba  pred  grelnik  vgraditi 
varnostni ventil, ki preprečuje iztekanje vode iz kotla, če v omrežju zmanjka vode.
Pri  tem  sistemu  priključitve  morate  uporabiti  pretočno  mešalno  baterijo.  V  grelniku  se  zaradi  segrevanja  prostornina 
vode  povečuje,  to  pa  povzroči  kapljanje  iz  cevi  mešalne  baterije.  Z  močnim  zategovanjem  ročaja  na  mešalni  bateriji 
kapljanja vode ne morete preprečiti, temveč lahko baterijo le pokvarite. Pri zaprtem, tlačnem sistemu priključitve morate 
na odjemnih mestih uporabiti tlačne mešalne baterije. Na dotočno cev je zaradi varnosti delovanja obvezno treba vgraditi 
varnostni ventil ali varnostno grupo, ki preprečuje zvišanje tlaka v kotlu za več kot 0,1 MPa nad nominalnim.
Pri  segrevanju  vode  v  grelniku  se  tlak  vode  v  kotlu  zvišuje  do  meje,  ki  je  nastavljena  v  varnostnem  ventilu.  Ker  je 
vračanje vode nazaj v vodovodno omrežje preprečeno, lahko pride do kapljanja vode iz odtočne odprtine varnostnega 
ventila. Kapljajočo vodo lahko speljete v odtok preko lovilnega nastavka, ki ga namestite pod varnostni ventil. Odtočna 
cev nameščena pod izpustom varnostnega ventila mora biti nameščena v smeri naravnost navzdol in v okolju, kjer ne 
zmrzuje.
V primeru, da zaradi neustrezno izvedene inštalacije nimate možnosti, da bi kapljajočo vodo iz povratnega varnostnega 
ventila speljali v odtok, se lahko kapljanju izognete z vgradnjo ekspanzijske posode volumna 3 l na dotočni cevi grelnika. 
Za pravilno delovanje povratnega varnostnega ventila morate sami izvajati redne kontrole vsakih 14 dni. Ob preverjanju 
morate s premikom ročke ali odvitjem matice ventila (odvisno od tipa ventila) odpreti iztok iz povratnega varnostnega 
ventila. Pri tem mora priteči skozi iztočno šobo ventila voda, kar je znak, da je ventil brezhiben.
Med grelnik in varnostni ventil ne smete vgraditi zapornega ventila, ker bi s tem delovanje 
povratnega varnostnega ventila onemogočili.
Grelnik lahko priključite na hišno vodovodno omrežje brez redukcijskega ventila, če je tlak v omrežju nižji od 0,5 MPa. 
Če tlak v omrežju presega 1,0 MPa, morate vgraditi zaporedoma dva redukcijska ventila. Pred električno priključitvijo 
morate grelnik obvezno najprej napolniti z vodo. Pri prvi polnitvi odprete ročico za toplo vodo na mešalni bateriji. Grelnik 
je napolnjen, ko voda priteče skozi izlivno cev mešalne baterije.
Содержание
- 11 Уважаемый покупатель, благодарим Вас за покупку нашего изделия.; монтдж; ТЕХНИЧЕСКИЕ ХАРАКТЕРИСТИКИ АППАРАТА; входящей температуре холодной воды из водопровода 15°C.; ТЕХНИЧЕСКИЕ ХАРАКТЕРИСТИКИ ТЕПЛООБМЕННИКА; US
 - 12 Соединительные и монтажные размеры водонагревателя [мм]; ПОДКЛЮЧЕНИЕ K ВОДОПРОВОДУ; от выбранной системы подключения. B открытой проточной системе
 - 13 ПОДKЛЮЧЕНИЕ K ЭЛЕКТРОСЕТИ
 - 14 ИСПОЛЬЗОВАНИЕ И УХОД
 

 
 
 
 
 
 
 
 
 
 
 
 
 
 
 
 
 
 
 
 
 
 
 
 
 
 
 
 
 
 
 
 
 
 
 
 
 
 
 
 
 
 
 
 
 
 
 
 
 
 
 
 
 
 
 
 
 
 
 
 
 
 
 
 
 
 
 
 











