Водонагреватели Gorenje GBK80LNB6 - инструкция пользователя по применению, эксплуатации и установке на русском языке. Мы надеемся, она поможет вам решить возникшие у вас вопросы при эксплуатации техники.
Если остались вопросы, задайте их в комментариях после инструкции.
"Загружаем инструкцию", означает, что нужно подождать пока файл загрузится и можно будет его читать онлайн. Некоторые инструкции очень большие и время их появления зависит от вашей скорости интернета.

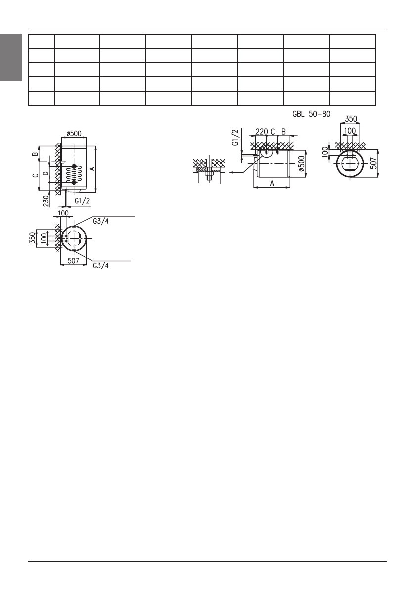
24
GBL 50
GBL 80
GBK 80
GBK 100
GBK 120
GBK 150
GBK 200
A
583
803
803
948
1103
1318
1510
B
187
207
207
202
207
222
430
C
145
345
565
715
865
1065
1050
D
340
416
416
416
416
Míry pro zapojení a montáž [mm].
GBK 80 - 200
PŘIPOJENÍ NA VODOVODNÍ SÍŤ
Přívod a odvod vody je na trubkách aparátu označen barevnými koncovkami. Přívod
studené vody je označen modrou a odvod teplé vody červenou barvou.
Ohřívač vody lze připojit k vodovodní síti dvěmi způsoby. Uzavřený, tlakový systém
připojení umožňuje odběr vody na více odběrových místech, zatímco otevřený,
průtokový systém umožňuje pouze jedno odběrové místo. Vzhledem k zvolenému
systému přípojení si musíte pořídit i vhodné směšovací baterie. Při otevřeném,
průtokovém systému je potřeba před ohřívací těleso zabudovat bezpečnostní ventil, který zamezuje vytékání vody
z kotle v případě přerušení dodávky vody. U tohoto systému připojení musíte použít průtokovou směšovací baterii. V
ohřívači vody se z důvodu ohřívanání objem vody zvětšuje a to způsobuje kapání vody z trubky směšovací baterie.
Silným utahováním ventilu směšovací baterie nezamezíte kapání vody, ale můžete jen poškodit směšovací baterii. Při
uzavřeném, tlakovém systému připojení musíte na odběrových místech použít tlakové směšovací baterie. Na dotokovou
trubku musíte připojit bezpečnostní ventil nebo bezpečnostní zařízení, které zabraňuje zvýšení tlaku v kotli o více než
0,1 MPa nad nominálním tlakem. Během ohřívání vody v ohřívači se zvyšuje v kotli její tlak tak dlouho až dosáhne
hranici nastavenou na bezpečnostním ventilu. Protože zpětný ventil zamezí vracení vody zpět do vodovodní sítě, může
dojít ke kapání vody na odtokovém otvoru bezpečnostního ventilu. Kapající vodu můžete odvést přes sběrný nástavec,
umístěný pod bezpečnostním ventilem, do odtoku. Odtoková trubka umístěná pod výpustí bezpečnostního ventilu musí
být umístěna v místnosti kde nemrzne a musí být obrácena směrem dolů. V případě, že při nevhodně provedené
instalaci nemáte možnost kapající vodu ze zpětného bezpečnostního ventilu odvést do odtoku, potom se kapání vody
vyhnete zabudováním expanzní nádoby o obsahu 3 l na dotokové trubce bojleru.
Pro správnou činnost zpětného bezpečnostního ventilu musíte sami provádět řádné kontroly za každých 14 dní. Při
kontrole musíte pohybem ručky nebo odšroubováním matky ventilu (závisí na typu ventilu) otevřít výtok ze zpětného
bezpečnostního ventilu. Přitom musí vytéci přes výtokovou trysku ventilu voda, to znamená, že je ventil bezporuchový.
Mezi aparát a bezpečnostní ventil nemontujte uzavírací ventil, protože tím vyloučíte funkci
bezpečnostního ventilu.
Ohřívač vody můžete připojit na domovní vodovodní síť bez redukčního ventilu, pokud je tlak v síti nižší než 0,5 MPa.
V případě, že tlak přesahuje 1,0 MPa, musíte zabudovat dva redukční ventily za sebou. Před připojením k elektrické
síti musíte aparát nejdříve naplnit vodou. První plnění provedete tak, že na směšovací baterii otevřete ventil teplé vody.
Aparát je naplněn, když se na odtočné trubce směšovací baterie objeví voda.
Pravá přípojka
Levá přípojka
C
Z
Содержание
- 11 Уважаемый покупатель, благодарим Вас за покупку нашего изделия.; монтдж; ТЕХНИЧЕСКИЕ ХАРАКТЕРИСТИКИ АППАРАТА; входящей температуре холодной воды из водопровода 15°C.; ТЕХНИЧЕСКИЕ ХАРАКТЕРИСТИКИ ТЕПЛООБМЕННИКА; US
- 12 Соединительные и монтажные размеры водонагревателя [мм]; ПОДКЛЮЧЕНИЕ K ВОДОПРОВОДУ; от выбранной системы подключения. B открытой проточной системе
- 13 ПОДKЛЮЧЕНИЕ K ЭЛЕКТРОСЕТИ
- 14 ИСПОЛЬЗОВАНИЕ И УХОД













