Drazice OKCE NTR/2,2 160 л 110671101 - Инструкция по эксплуатации - Страница 7

Водонагреватели Drazice OKCE NTR/2,2 160 л 110671101 - инструкция пользователя по применению, эксплуатации и установке на русском языке. Мы надеемся, она поможет вам решить возникшие у вас вопросы при эксплуатации техники.

Если остались вопросы, задайте их в комментариях после инструкции.

"Загружаем инструкцию", означает, что нужно подождать пока файл загрузится и можно будет его читать онлайн. Некоторые инструкции очень большие и время их появления зависит от вашей скорости интернета.
Страница:
/ 28
Загружаем инструкцию
background image

- 7 -

 

 

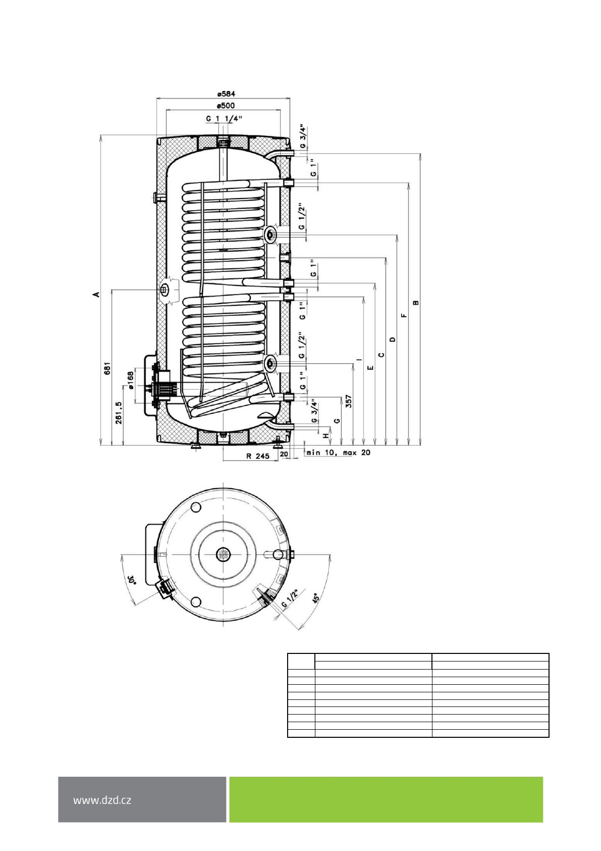
OKCE 200 NTRR/2,2 кВт, OKCE 250 NTRR/2,2 кВт, OKC 200 NTRR/BP, OKC 250 NTRR/2,2 BP 

 

 

 

 

 

 

 

 

 

 

 

 

 

 

 

 

 

 

 

 

 

 

Рисунок 2 

 

Тип 

OKCE 200 NTRR/2,2 кВт 

OKCE 250 NTRR/2,2 кВт 

OKC  200 NTRR/BP 

OKC  250 NTRR/BP 

1357 

1537 

1282 

1465 

859 

1060 

920 

1100 

709 

889 

1149 

1329 

209 

209 

80 

80 

649 

649 

Полезные видео

Характеристики

Оцените статью
tehnopanorama.ru
Остались вопросы?

Не нашли свой ответ в руководстве или возникли другие проблемы? Задайте свой вопрос в форме ниже с подробным описанием вашей ситуации, чтобы другие люди и специалисты смогли дать на него ответ. Если вы знаете как решить проблему другого человека, пожалуйста, подскажите ему :)

Задать вопрос

Часто задаваемые вопросы
Как посмотреть инструкцию к Drazice OKCE NTR/2,2 160 л 110671101?
Необходимо подождать полной загрузки инструкции в сером окне на данной странице
Руководство на русском языке?
Все наши руководства представлены на русском языке или схематично, поэтому вы без труда сможете разобраться с вашей моделью
Как скопировать текст из PDF?
Чтобы скопировать текст со страницы инструкции воспользуйтесь вкладкой "HTML"