Видеокамеры Canon XL H1 - инструкция пользователя по применению, эксплуатации и установке на русском языке. Мы надеемся, она поможет вам решить возникшие у вас вопросы при эксплуатации техники.
Если остались вопросы, задайте их в комментариях после инструкции.
"Загружаем инструкцию", означает, что нужно подождать пока файл загрузится и можно будет его читать онлайн. Некоторые инструкции очень большие и время их появления зависит от вашей скорости интернета.

97
Восп
рои
звед
ение
R
Включите выход HD/SD SDI и выберите соответствующий вариант выходного видеосигнала (HD или SD).
1. Установите диск POWER в положение
.
2. Откройте меню и выберите пункт [SIGNAL SETUP] (НАСТРОЙКА СИГНАЛА). Выберите пункт
[SDI OUTPUT] (ВЫХОД SDI) и установите для него значение [ON] (ВКЛ.).
3. В этом же подменю [SIGNAL SETUP] (НАСТРОЙКА СИГНАЛА) выберите пункт [SDI SPEC.]
(ПАРАМ. SDI). Выберите [AUTO] (АВТО) или [SD LOCKED] (ФИКС. SD) в соответствии с требуемым
видеосигналом.
4. Закройте меню.
Использование разъема COMPONENT OUT (D-)
Выберите компонентный видеосигнал в соответствии с подключаемым телевизором или монитором.
Откройте меню и выберите пункт [SIGNAL SETUP] (НАСТРОЙКА СИГНАЛА). Выберите пункт [COMP. OUT]
(КОМП. ВЫХОД), затем выберите требуемое значение и закройте меню.
2
AUDIO
VIDEO
R
L
S (S1)-VIDEO
INPUT
Направление передачи сигнала
Стереокабель (входит
в комплект поставки)
Направление передачи сигнала
Компонентный видеокабель DTC-1000 (входит в комплект поставки)
Откройте крышку разъемов
Синий
Зеленый
Красный
Содержание
- 2 Важные инструкции по эксплуатации
- 3 Использование данного Руководства; Обозначения, используемые в настоящей Инструкции; Товарные знаки
- 5 Содержание
- 7 Проверка комплекта дополнительных принадлежностей; Комплект корпуса
- 8 Элементы камеры и их назначение
- 13 Пульт дистанционного управления WL-D5000
- 14 Подготовка источника питания; Зарядка аккумулятора; Установите аккумулятор на блок питания.; После завершения зарядки снимите аккумулятор; Установка аккумулятора; После использования снимите аккумулятор.
- 15 Питание камеры от бытовой электросети; Подсоедините переходник постоянного тока; Встроенный литиевый аккумулятор
- 16 HDV
- 17 Подготовка видеокамеры; Установка и снятие цветного видоискателя; Установка цветного видоискателя; Наденьте видоискатель на кронштейн и затяните; Снятие видоискателя
- 18 Снятие и установка наглазника; Установка наглазника; Снимите наглазник, как показано на рисунке.; Настройка положения видоискателя
- 19 Диоптрийная регулировка
- 21 Закрепление ремня ручки; Установите держатель адаптера и закрепите его,
- 22 Подготовка объектива; Установка объектива
- 23 Установка бленды объектива; Установите бленду объектива на торец объектива
- 24 Регулировка заднего фокусного отрезка; Автоматическая настройка
- 26 Установка элементов питания; Закройте крышку отсека элементов питания.
- 27 Загрузка/извлечение кассеты; Откройте крышку отсека для кассеты, сдвинув
- 28 Установка/извлечение карты памяти; Установка карты; в гнездо для карт памяти.; Извлечение карты
- 29 Изменение параметров с помощью кнопки MENU; Выбор меню и установок
- 30 Меню и установки по умолчанию
- 39 Отображение даты и времени во время съемки; Откройте меню и выберите пункт [DISPLAY SETUP/
- 40 Съемка; Съемка; диск POWER в положение съемки.; После завершения съемки
- 41 Съемка с низкой точки; Кнопка STANDBY
- 42 Индикация на экране во время съемки
- 43 Отображение меток центра и уровня; Отображение направляющих формата кадра
- 44 Просмотр снятого изображения; Нажмите и отпустите кнопку
- 45 Установите переключатель MODE SELECT в требуемое положение.
- 46 Изменение формата кадра; Установите переключатель MODE SELECT в положение SD 16:9 или SD 4:3.; SD
- 47 Поиск конца записи; Нажмите кнопку END SEARCH.
- 48 «Наезд»/«отъезд» видеокамеры; Переменная скорость зуммирования; Рычаг зуммирования на боковой ручке
- 49 положения зуммирования); Задание фиксированного положения зуммирования; Переместите переключатель POSITION PRESET ON/SET в положение ON.; Изменение способа индикации зуммирования
- 50 Настройка фокусировки; Автофокусировка (объективы с функцией автофокусировки)
- 51 Ручная фокусировка; Временное переключение в режим автофокусировки; Функции повышения резкости контуров и увеличения изображения
- 52 Задание фиксированного положения фокусировки; Установите селектор фокусировки в положение M.; Установите переключатель POSITION PRESET в положение FOCUS.; Возврат в фиксированное положение фокусировки
- 54 Выбор частоты кадров; Установите переключатель FRAME RATE в требуемое положение.
- 55 Установка временного кода; Выбор варианта отсчета времени; Установите начальное значение временного кода.
- 56 Синхронизация временного кода видеокамеры; Внешняя синхронизация; Схема подсоединения
- 57 Выбор способа синхронизации
- 58 Установка пользовательского бита; Отображение пользовательского бита; Запись внешнего пользовательского бита
- 59 Запись звука; Синхронизация звука
- 60 При использовании переднего микрофона; Установите переключатель INPUT SELECT в положение FRONT MIC.
- 61 При подключении к разъемам XLR
- 62 Запись по каналам 3 и 4; колодку для аксессуаров.
- 63 Настройка уровня записи звука; Отображение/скрытие индикатора уровня звука на экране; Автоматическая настройка звука; Установите переключатель REC LEVEL в положение A.; Ручная настройка звука
- 65 Использование программных режимов автоэкспозиции; Выбор программных режимов автоэкспозиции; Нажмите кнопку и поворачивайте диск POWER.; Простая съемка
- 66 Режимы программной автоэкспозиции
- 69 Съемка в режиме приоритета диафрагмы (Av)
- 70 Съемка в ручном режиме; Выберите величину диафрагмы с помощью диска IRIS.
- 71 Настройка экспозиции; Фиксация экспозиции; Установите диск POWER в положение; Tv; или; Av; Изменение величины диафрагмы после фиксации экспозиции; Выберите величину диафрагмы с помощью диска IRIS.; Изменение выдержки затвора после фиксации экспозиции; Выберите выдержку затвора кнопкой SHUTTER или .; Изменение усиления после фиксации экспозиции
- 72 Использование сдвига автоэкспозиции
- 73 Настройка усиления
- 74 Установка баланса белого; Выбор автоматической настройки баланса белого; Установка цветовой температуры; Установите диск POWER в положение любой программы съемки, кроме; Нажмите кнопку WHITE BALANCE
- 75 Установка пользовательского баланса белого; Съемка с заранее заданным пользовательским балансом белого
- 77 Функция смягчения деталей кожи; Активизация функции смягчения деталей кожи; Определение области кожи
- 78 Использование пользовательских настроек
- 81 Задание пользовательских настроек; в котором требуется сохранить настройки.; или сделайте требуемый выбор, затем нажмите кнопку SET.; Переименование файла пользовательских настроек
- 82 Защита файла пользовательских настроек; Активизация пользовательских настроек
- 83 Копирования файла пользовательских настроек на карту памяти; сохранить данный файл на карту памяти.; Загрузка файла пользовательских настроек с карты памяти; тельских настроек, который требуется загрузить в видеокамеру.; требуется сохранить данный файл в видеокамеру.
- 84 с фотографией
- 85 Устранение влияния частоты развертки (Clear Scan)
- 86 Пользовательские кнопки
- 87 Изменение установок пользовательских кнопок; Запись индексного сигнала; Остановка видеомагнитофона (
- 88 Нажмите кнопку CUSTOM KEY 2.
- 89 Запись цветных полос/опорного звукового сигнала; Цветные полосы; Опорный звуковой сигнал
- 90 Монтажные переходы
- 91 Управление цифровым видеооборудованием; Когда видеокамера XL H1 находится в режиме паузы записи
- 92 Прочие функции/настройки видеокамеры; Наложение экранной индикации; Выключение светодиодных индикаторов
- 93 Отключение индикаторов съемки; Изменение формата даты
- 94 Воспроизведение кассеты; Переведите диск POWER в положение; Специальные режимы воспроизведения; (Воспроизведение в обратном направлении)
- 95 DV
- 96 Подключение к монитору/телевизору; Использование разъема SD/HD SDI
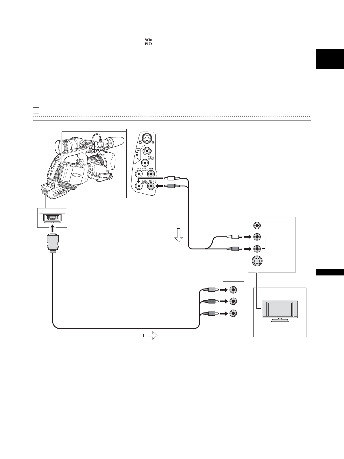
- 99 Использование разъема S-VIDEO или VIDEO
- 100 Использование адаптера SCART
- 101 Аудиовыход; Выбор аудиовыхода разъемов RCA; Нажмите кнопку AUDIO MONITOR.; Выбор аудиоканалов; и CH3/4 на беспроводном пульте дистанционного управления.
- 102 Возврат в ранее отмеченное положение
- 103 Индексный поиск; Кнопкой SEARCH SELECT выведите на экран индикатор «INDEX SEARCH».; Для начала поиска нажмите кнопку
- 104 Поиск даты; Кнопкой SEARCH SELECT выведите на экран индикатор «DATE SEARCH».
- 105 Выбор варианта индикации кода данных; Отображение кода данных; Нажмите кнопку DATA CODE на пульте дистанционного управления.; Автоматический вывод даты на шесть секунд
- 106 Отключение датчика дистанционного управления; Изменение режима датчика дистанционного управления; режима 2 нажмите кнопку ZOOM
- 107 Аналоговый линейный вход
- 108 Замечания об авторских правах; Предупреждение о нарушении авторских прав
- 111 Выбор уровня качества и размера изображения; Изменение уровня качества фотографии
- 112 Номера файлов
- 113 Запись фотографий на карту памяти
- 114 Отключение режима приоритета фокусировки; Нажмите кнопку PHOTO во время съемки видеофильма.
- 115 Захват стоп-кадров с кассеты; Нажмите кнопку PHOTO во время воспроизведения кассеты.; Индикация на экране во время съемки фотографии
- 116 Выбор режима перевода кадров; Изменение режима перевода кадров; Нажмите и удерживайте нажатой кнопку PHOTO.
- 117 Автоматическая экспозиционная вилка (брекетинг AEB); Нажмите кнопку PHOTO.
- 118 Выбор способа замера экспозиции
- 119 Использование дополнительно приобретаемой вспышки; Подключение вспышки Speedlite; Снятие вспышки; Использование вспышки; Установите диск POWER в любое положение режима съемки, кроме; Для съемки фотографии нажмите кнопку PHOTO.
- 120 Просмотр фотографий сразу после съемки
- 121 Воспроизведение фотографий с карты памяти; Поверните диск POWER в положение
- 122 Индексный экран; Переместите рычаг зуммирования в направлении; Функция быстрого перехода на карте; Нажмите и удерживайте нажатой кнопку
- 123 Стирание изображений; Стирание одного изображения; Стирание всех изображений
- 124 Защита изображений; Защита на индексном экране
- 125 Форматирование карты памяти
- 126 Настройки заказа печати; Выбор фотографий для печати (заказ печати); Выбор на индексном экране; Удаление всех заказов на печать
- 129 Отключение индикации на экране видеокамеры; Отключение/включение индикации на экране телевизора
- 131 Индикация на экране во время воспроизведения
- 133 Список сообщений
- 134 Меры предосторожности при обращении с видеокамерой; Хранение; Корпус видеокамеры и объектив
- 135 Видоискатель; Видеоголовки
- 136 Конденсация; Образование конденсата возможно в следующих случаях:; Как избежать конденсации; Возобновление работы
- 137 Правила обращения с аккумулятором; Крышка клемм аккумулятора
- 138 Правила обращения с кассетами; Защита кассет от случайного стирания; Карта памяти
- 139 Использование видеокамеры за рубежом; Источники питания
- 140 Переработка встроенного литиевого аккумулятора; С помощью отвертки с плоским жалом снимите
- 141 Источник питания
- 143 Прочее
- 144 Состав видеосистемы
- 146 Дополнительные принадлежности; Аккумуляторы
- 148 Цветной видоискатель FU-2000
- 149 Технические характеристики
- 151 Компактный блок питания CA-920
- 152 Алфавитный указатель
- 157 ДЛЯ ЗАМЕТОК