Варочная панель Haier HHY-C64TOFB/TOVB - инструкция пользователя по применению, эксплуатации и установке на русском языке. Мы надеемся, она поможет вам решить возникшие у вас вопросы при эксплуатации техники.
Если остались вопросы, задайте их в комментариях после инструкции.
"Загружаем инструкцию", означает, что нужно подождать пока файл загрузится и можно будет его читать онлайн. Некоторые инструкции очень большие и время их появления зависит от вашей скорости интернета.

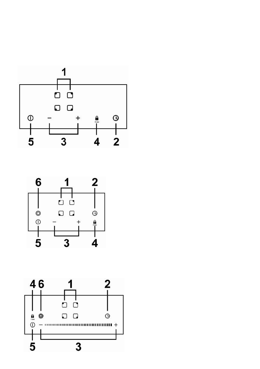
Панель управления
HHY-C64NVB и HHY-C64NFB
1. Элементы управления зоной
нагрева
2. Управление таймером
3. Регулируемые элементы
управления мощностью/таймером
4. Управление блокировкой
5. Управление ВКЛ/ВЫКЛ
HHY-C64DVB
и
HHY-C64DFB
HHY-C64TOVB
и
HHY-C64TOFB
1. Элементы управления зоной
нагрева
2. Управление таймером
3. Регулируемые элементы
управления мощностью/таймером
4. Управление блокировкой
5. Управление ВКЛ/ВЫКЛ
6. Управление двойной зоной
1. Элементы управления зоной
нагрева
2. Управление таймером
3. Регулируемые элементы
управления мощностью/таймером
4. Управление блокировкой
5. Управление ВКЛ/ВЫКЛ
6. Управление тройной/овальной
зоной
Содержание
- 3 Опасность для здоровья
- 8 Поздравляем; Краткие сведения об изделии; Вид сверху
- 11 Панель управления
- 13 Сведения о керамической варочной панели; Перед использованием новой варочной панели
- 14 Выбор кухонной посуды
- 15 Использование керамической варочной панели; Начало приготовления пищи; Или
- 17 По окончании приготовления пищи; Блокировка элементов управления; Порядок блокировки элементов управления
- 18 Разблокировка элементов управления; Защита от перегрева; Уровень мощности; Применение таймера
- 19 Применение таймера для обратного отсчета; Если вы не выбрали ни одну зону приготовления пищи; Настройка таймера на выключение
- 22 Рекомендации к приготовлению пищи; Советы по приготовлению пищи; Жарка стейка
- 23 Настройки нагрева; Настройка нагрева; Уход и чистка
- 24 Полезные советы; Проблема
- 25 Технические характеристики
- 26 Установка; Выбор оборудования для установки
- 27 мм
- 29 Меры предосторожности
- 36 ОБСЛУЖИВАНИЕ КЛИЕНТОВ