Усилители Yamaha XM4180 - инструкция пользователя по применению, эксплуатации и установке на русском языке. Мы надеемся, она поможет вам решить возникшие у вас вопросы при эксплуатации техники.
Если остались вопросы, задайте их в комментариях после инструкции.
"Загружаем инструкцию", означает, что нужно подождать пока файл загрузится и можно будет его читать онлайн. Некоторые инструкции очень большие и время их появления зависит от вашей скорости интернета.

9
modes
+
–
+
–
or
Minimum speaker
impedance: 4
Ω
Minimum speaker
impedance: 4
Ω
+
–
Minimum speaker
impedance: 8
Ω
* The illustration shows model XM4180.
Total rated input of speakers:300 W (maximum)
5W
10W
15W
10
1
10
1
5 W x 10 speakers (50W) 10 W x 10 speakers (100 W)
1
10
5W
10W
15W
15 W x 10 speakers (150 W)
* The illustration shows model XM4180.
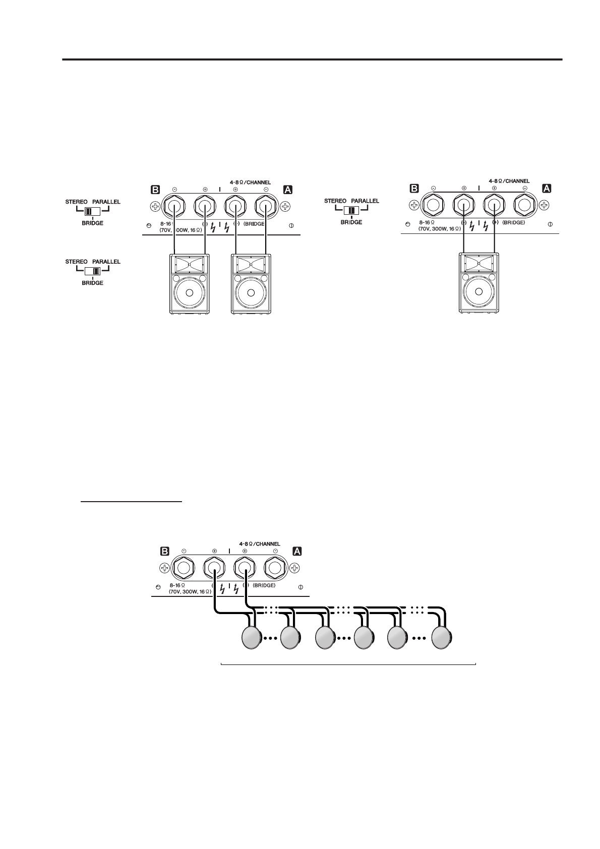
Убедитесь, что колонки работают при напряжении 70 V.
Подключение колонок (XM4180/XM4080)
Колонки могут быть присоединены к усилителю двумя способами. Обратите внимание, что полное
сопротивление колонок будет изменяться в зависимости от способа соединение и количества колонок.
Пожалуйста, убедитесь, что сопротивление колонок не ниже соответствующего минимума, указанного ниже.
Конфигурации подключения для СТЕРЕО режима и
режима ПАРАЛЛЕЛЬНОГО ПОДКЛЮЧЕНИЯ.
Конфигурация подключения для режима МОСТОВОГО соединения
При параллельном подключении высокоимпедансных колонок (только для модели XM4180) возможно
подключение колонок, работающих с напряжением 70V. Количество колонок может быть различным, в
зависимости от коэффициента входа колонок. Модель XM4180 может быть подключена к колонкам с общим
коэффициентов входа 300 Ватт. На пример, при соединении десяти колонок с коэффициентом входа 5 Ватт
(общая мощность 50 Ватт), десяти колонок мощностью 10 Ватт (100 Ватт) и десяти колонок мощностью 15 Ватт
(150Ватт), может использоваться усилитель общей мощностью колонок 300 Ватт, как показано ниже:
w
ПРЕДУПРЕЖДЕНИЕ
Конфигурация подключения для режима МОСТОВОГО
соединения
* Иллюстрация модели XM4180
* Иллюстрация модели XM4180
или
Минимальный
импеданс громко-
говорителя: 4 Ом.
Минимальный
импеданс громко-
говорителя: 4 Ом.
Минимальный
импеданс громко-
говорителя: 4 Ом.
5 Вт х 10 громкоговорителей (50 Вт) 10 Вт х 10 громкоговорителей (100 Вт) 15 Вт х 10 громкоговорителей (150 Вт)
Общая номинальная входная мощность акустической системы: 300 Вт (максимум)
Содержание
- 3 МЕРЫ ПРЕДОСТОРОЖНОСТИ; ПЕРЕД ИСПОЛЬЗОВАНИЕМ ВНИМАТЕЛЬНО ПРОЧИТАЙТЕ; *Сохраните данное руководство для последующего изучения.
- 4 IMPORTANT NOTICE FOR THE UNITED KINGDOM; Connecting the Plug and Cord; Меры предосторожности в обращении.
- 5 Введение; Основные характеристики; вить критическую частоту в диапазоне от 20Гц до 55Гц.; Содержание
- 6 Забор воздуха; Элементы управления и функции; Передняя панель
- 10 Евро коннекторы
- 11 Использование евро коннекторов; Подключение
- 12 Подключение колонок; Устранение неисправностей
- 13 Specifications; General Specifications; Спецификация; Общая спецификация
- 14 Раскладка кнопок МОНИТОР/ПУЛЬТ УДАЛЕННОГО УПРАВЛЕНИЯ
- 16 Габаритные размеры



