Thermex Tesla 12-24 Wi-Fi 24 кВт - Инструкция по эксплуатации

Thermex Tesla 12-24 Wi-Fi 24 кВт

Котел Thermex Tesla 12-24 Wi-Fi 24 кВт - инструкция пользователя по применению, эксплуатации и установке на русском языке. Мы надеемся, она поможет вам решить возникшие у вас вопросы при эксплуатации техники.

Если остались дополнительные вопросы — свяжитесь с нами через контактную форму.

1 Страница 1
2 Страница 2
3 Страница 3
4 Страница 4
5 Страница 5
6 Страница 6
7 Страница 7
8 Страница 8
9 Страница 9
10 Страница 10
11 Страница 11
12 Страница 12
13 Страница 13
14 Страница 14
15 Страница 15
16 Страница 16
17 Страница 17
18 Страница 18
19 Страница 19
20 Страница 20
21 Страница 21
22 Страница 22
23 Страница 23
24 Страница 24
25 Страница 25
26 Страница 26
27 Страница 27
28 Страница 28
29 Страница 29
30 Страница 30
31 Страница 31
32 Страница 32
33 Страница 33
34 Страница 34
35 Страница 35
36 Страница 36
37 Страница 37
38 Страница 38
39 Страница 39
40 Страница 40
41 Страница 41
42 Страница 42
43 Страница 43
44 Страница 44
Страница: / 44

Содержание:

  • Страница 2 – УКАЗАНИЕ МЕР БЕЗОПАСНОСТИ; Держать вблизи прибора легко воспламеняемые материалы; RU
  • Страница 4 – мм
  • Страница 8 – Дни недели – Понедельник ~ Воскресенье
  • Страница 15 – Настройки работы через систему кодирования
  • Страница 17 – Режим работы 1
  • Страница 21 – Прибор должен быть установлен вертикально без наклона.; Установка прибора
  • Страница 23 – разъемом; Соедините линию подачи ГВС с разъемом 3.
  • Страница 25 – А) Снимите лицевую панель
  • Страница 27 – ыв
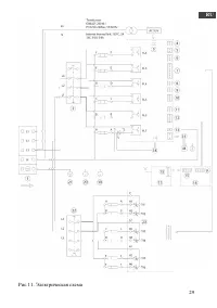
  • Страница 31 – Рис. 12. Кривая характеристик давления насоса
  • Страница 36 – ПОИСК И УСТРАНЕНИЕ НЕИСПРАВНОСТЕЙ
  • Страница 40 – (установка и подключение ЭВН, гарантийный и
  • Страница 42 – (Штамп с полным наименованием организации и номером лицензии)
Загрузка инструкции

ПЕРЕД ПЕРВЫМ ИСПОЛЬЗОВАНИЕМ ЭЛЕКТРИЧЕСКОГО
КОТЛА ВНИМАТЕЛЬНО ПРОЧИТАЙТЕ НАСТОЯЩЕЕ РУКО-
ВОДСТВО ПО ЭКСПЛУАТАЦИИ

УВАЖАЕМЫЙ ПОКУПАТЕЛЬ!

Поздравляем вас с приобретением электрического котла Thermex.

Настоящее Руководство распространяется на электрические котлы

THERMEX модели Tesla 12-24 Wi-Fi (далее по тексту котел, прибор, устрой-
ство, оборудование). Полное наименование приобретенного вами прибора ука-
зано в идентификационной табличке на корпусе прибора, а также на коробке.

1.

НАЗНАЧЕНИЕ

Электрический котел Thermex предназначен для нагрева теплоносителя в

целях обеспечения отопления бытовых объектов, а также для нагрева воды для
бытовых нужд (обеспечение горячего водоснабжения).

2.

КОМПЛЕКТ ПОСТАВКИ

Котел электрический

- 1 шт.

Руководство по эксплуатации

- 1 шт.

Упаковка

- 1 шт.

Монтажный набор

- 1 шт.

Гибкая подводка для сброса давления

- 1 шт.

ы

RU

"Загрузка инструкции" означает, что нужно подождать пока файл загрузится и можно будет его читать онлайн. Некоторые инструкции очень большие и время их появления зависит от вашей скорости интернета.

Краткое содержание

Страница 2 - УКАЗАНИЕ МЕР БЕЗОПАСНОСТИ; Держать вблизи прибора легко воспламеняемые материалы; RU

2 3. УКАЗАНИЕ МЕР БЕЗОПАСНОСТИ Чтобы обеспечить безопасность работы оборудования, исключить получе- ние травм и предотвратить порчу имущества, соблюдайте нижеуказанные меры безопасности. Электропроводка, предохранительные и коммутационные устройства должны соответствовать мощности подключаемого приб...

Страница 4 - мм

4 системы отопления), появлении искр, вибрации котла или трубопро-вода, а также других отклонений от нормальной работы необходимо немедленно отключить оборудование от электрической сети, слить теплоноситель при возникновении угрозы замерзания и обратиться в сертифицированный сервисный центр. 4. ОСНО...

Страница 8 - Дни недели – Понедельник ~ Воскресенье

8 Рис.2. Габаритные размеры Рис. 3. Панель управления и дисплей Таблица 2. Символы на дисплее No. Символ Описание 1 MO ~ SU Дни недели – Понедельник ~ Воскресенье 2 Индикатор таймера, подсвечивается, если на па-нели управления установлено время нагрева 3 Индикатор таймера в приложении: подсвечива-ет...

Характеристики

Другие модели - Котлы Thermex